电脑桌面
添加小米粒文库到电脑桌面
安装后可以在桌面快捷访问

利亚纳3C-3D 分动器VIP免费

利亚纳3C-3D 分动器_第1页
1/23
利亚纳3C-3D 分动器_第2页
2/23
利亚纳3C-3D 分动器_第3页
3/23
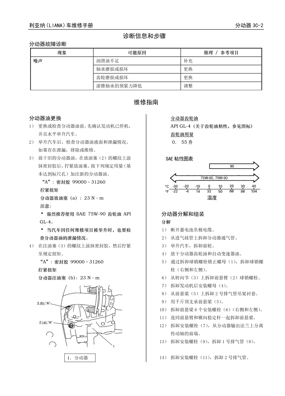
分动器3C-1利亚纳(LIANA)车维修手册分动器概述分动器概述分动器通过安装螺栓安装在变速器壳体上。分动器里的减速主动轮和变速器里的差速器壳体通过渐开线花键配合。变速器的驱动力通过减速主动轮、减速从动轮和分动器的伞齿轮传递给传动轴。伞齿轮可以将转矩轴的方向改变90度,该分动器采用了准双曲面齿轮。准双曲面齿轮有利于降低齿轮噪声,同时,它们需要精确调整齿面和齿轮间隙。1.中间轴5.减速惰轮9.衬套2.左壳体6.减速从动轮10.分动器输出座3.减速主动齿轮7.伞齿轮11.分动器输出法兰4.右壳体8.伞齿轮轴*:前方利亚纳(LIANA)车维修手册分动器3C-2诊断信息和步骤分动器故障诊断现象可能原因修理/参考项目噪声润滑油不足补充轴承磨损或损坏更换齿轮磨损或损坏更换滚锥轴承的预紧力降低调整维修指南分动器油更换1)更换或检查分动器油前,先确认发动机已停机,并且水平举升汽车。2)举升汽车后,检查分动器油液面和泄漏情况。如果存在泄漏,排除或维修。3)放干旧的分动器油,在放油塞(2)的螺纹上涂抹密封胶后,拧紧放油塞。按下列规定用量(基本达到标尺孔)加注新的分动器油。“A”:密封胶99000–31260拧紧扭矩分动器放油塞(a):23N·m注意:强烈推荐使用SAE75W-90齿轮油APIGL-4。当汽车因任何维修项目被举升时,也要检查分动器油的泄漏情况。4)在注油塞(3)的螺纹上涂抹密封胶,然后拧紧至规定扭矩。“A”:密封胶99000–31260拧紧扭矩分动器注油塞(b):23N·m1.分动器分动器齿轮油APIGL-4(关于齿轮油粘性,参见图标)齿轮油用量0.55升分动器分解和组装分解1)断开蓄电池负极电缆。2)从进气歧管上拆卸分动器通气管。3)举升汽车,拆卸前轮。4)放干分动器齿轮油和自动变速器油。5)通过拆卸球销螺栓锁止螺母(1),拆卸球销螺栓(右侧和左侧)。6)从转向节(3)上拆卸前悬臂(2)球销螺栓。7)拆卸发动机后安装螺母(4)。8)从前悬梁(5)上拆卸2号排气管吊架衬套。9)用千斤顶支承前悬梁(5)。10)拆卸前悬梁6个安装螺栓(6)(右侧和左侧)。11)连同前悬臂和横向稳定杆一起拆卸前悬梁。12)拆卸安装螺栓(7),从分动器输出法兰上分离传动轴的前端。13)拆卸安装螺栓(9),拆卸1号排气管(8)。14)拆卸安装螺栓(11),拆卸2号排气管。分动器3C-3利亚纳(LIANA)车维修手册15)用橡皮锤敲打万向节,拆卸右侧驱动轴(1)。16)拆卸5个连接螺栓(2),拆卸分动器和变速器之间的加强筋。17)拆卸6个螺栓,拆卸分动器与发动机之间的加强筋(1)。18)拆卸分动器安装螺栓(1)。19)从变速器(2)上拆卸分动器总成(1)。20)从分动器总成上拆卸安装架(1)和通气管(2)。利亚纳(LIANA)车维修手册分动器3C-4组装按拆卸的相反步骤重新安装分动器总成,并注意以下事项。按以下要求拧紧螺栓和螺母至规定扭矩。拧紧扭矩发动机后安装支架螺母(a):25N·m分动器安装螺栓(b):50N·m分动器与发动机的加强筋安装螺栓(c):50N·m分动器与变速器的加强筋安装螺栓(d):50N·m传动轴1号安装螺栓(e):23N·m2号排气管与消声器连接螺栓(f):43N·m前悬梁安装螺栓(g):90N·m发动机后安装螺母(h):45N·m球销螺栓锁住螺母(i):60N·m2号排气管与1号排气管连接螺栓(j):43N·m1号排气管与排气歧管连接螺栓(k):50N·m车轮螺母:85N·m加注分动器油,参照“分动器油更换”。加注自动变速器油,参照第5A部分“自动变速器油加注”。检查齿轮油液面和泄漏情况。分动器3C-5利亚纳(LIANA)车维修手册分动器总成组件1.分动器输出法兰螺母16.放油螺塞:在螺纹部位涂抹密封胶99000-3126031.导油板螺栓:在螺纹部位涂抹螺纹粘结剂2.分动器输出法兰17.分动器左壳体32.导油板3.油封:在油封边缘涂抹润滑脂99000-2501018.油封:在油封的唇边涂抹润滑脂99000-2501033.分动器右壳体:在壳体安装面上涂抹密封胶99000-312604.小齿轮轴后部滚锥轴承。19.减速主动轮左侧轴承34.注油螺塞:在螺纹部位涂抹密封胶99000-312605.保持器盖20.减速主动轮35.通气管6.分动器输出座1号螺栓:在螺纹部位涂抹99000-31260密封胶21.减速从动轮左侧滚锥轴承36.中间轴轴承7.O型密...

1、当您付费下载文档后,您只拥有了使用权限,并不意味着购买了版权,文档只能用于自身使用,不得用于其他商业用途(如 [转卖]进行直接盈利或[编辑后售卖]进行间接盈利)。
2、本站所有内容均由合作方或网友上传,本站不对文档的完整性、权威性及其观点立场正确性做任何保证或承诺!文档内容仅供研究参考,付费前请自行鉴别。
3、如文档内容存在违规,或者侵犯商业秘密、侵犯著作权等,请点击“违规举报”。

碎片内容

利亚纳3C-3D 分动器

您可能关注的文档

确认删除?
VIP
微信客服
  • 扫码咨询
会员Q群
  • 会员专属群点击这里加入QQ群
客服邮箱
回到顶部