电脑桌面
添加小米粒文库到电脑桌面
安装后可以在桌面快捷访问

架桥机方案交底VIP免费

架桥机方案交底_第1页
1/31
架桥机方案交底_第2页
2/31
架桥机方案交底_第3页
3/31
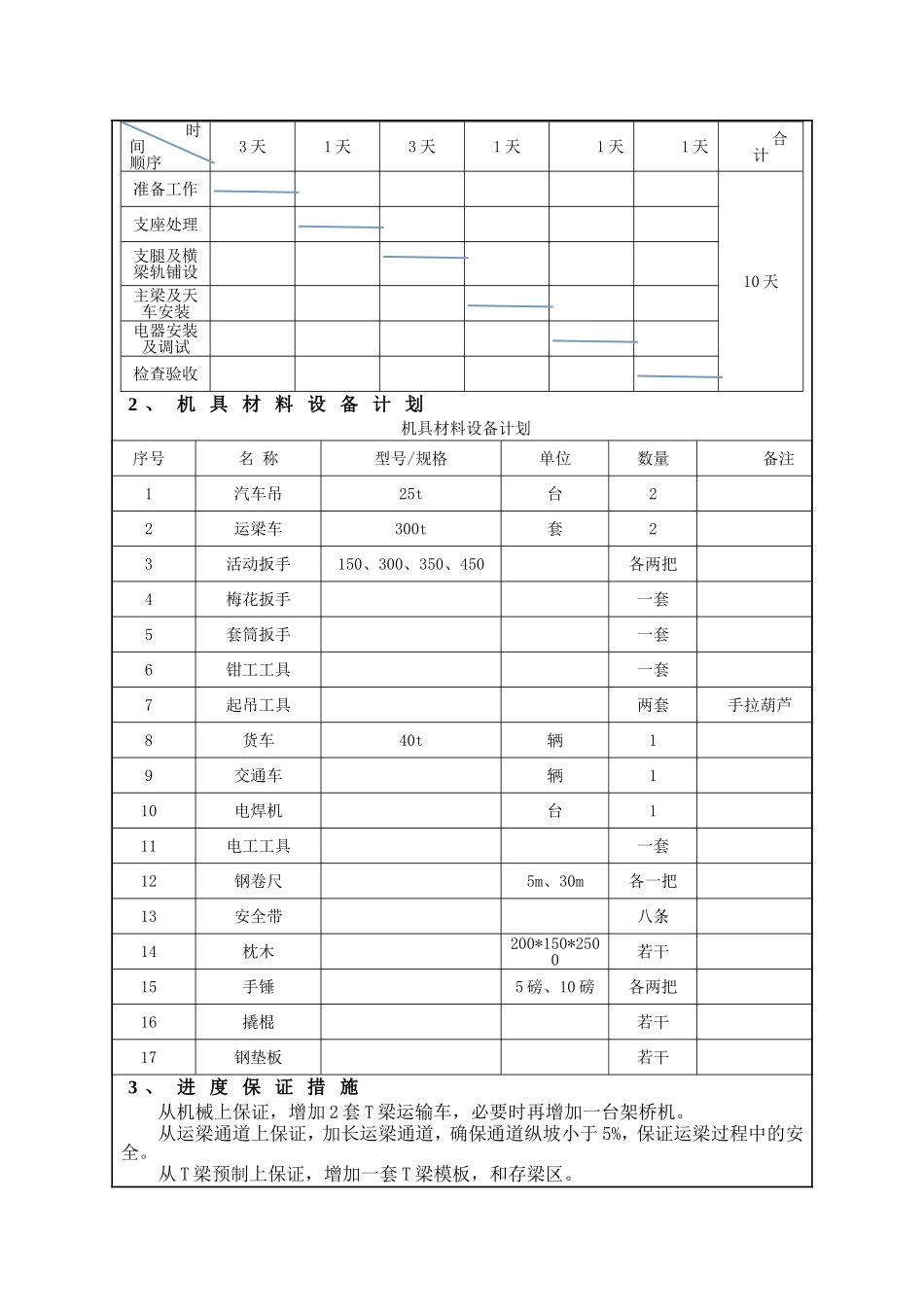
中建四局五公司安全技术措施及方案交底表编号:工程名称六盘水市中心城区城市快线工程第四标段交底地点交底人签字方案名称架桥机安拆专项施工方案交底形式交底时间架桥机安全技术措施及方案交底内容第一章、工程简介六盘水市中心城区城市快线工程第四标段共有40m预制T梁桥5座----段家寨大桥、宁家寨特大桥右幅1#桥、宁家寨特大桥左幅1#桥、宁家寨特大桥左幅2#桥、宁家寨特大桥左幅3#桥,共有40mT梁596片。T梁架设全部采用JQ160-40/A3型架桥机进行架设。本次采用JQ160-40/A3型架桥机,主梁采用单梁简支式空间三角桁架作主梁承力和传力,起吊质量为160t,架桥跨径最大为40m,适应最大纵坡5%,适用桥宽不限,该机承担本项目所有40mT梁架设是合适、安全的。JQ160-40/A3型架桥机为自平稳新型架桥机,过孔时安全走到位。该架桥机是一种运行工作范围广、性能优良、操作方便、结构安全的钢结构轨道式预制梁吊装架设设备。JQ150-40型架桥机适应于山区修筑公路,能够满足大坡度、小半径弯桥、斜桥以及隧道口桥梁架设的要求。同样,在平原施工条件好的地方更加方便,无火灾、无爆炸和无腐蚀性质的环境中工作。段家寨大桥16#桥台至K23+320地通道处有120米长的路基,在该段路基上进行架桥机的安拆。本段路基宽度33m、高度5m。周围比较宽阔,无地方交通影响,上空无高压线。预制梁场到16#桥台修建了临时便道,并按方案进行硬化,承载力满足要求。本架桥机采用交流380V低压供电,装机总功率为54KW。利用段家寨大桥的二级配电柜集中供电,各单机构采用十字开关控制,架桥机横移轨道设置接地装置。第二章、施工条件1.方案实施前,编制人员或项目技术负责人应对有关安全施工的技术要求向施工作业班组、作业人员作出书面技术交底及详细说明,并由双方签字确认。2.指挥员已熟悉桥梁结构及起重工作要求,特别是熟悉架桥机结构、拼装程序、操作方法和使用说明书中的要求,并具有一定组织能力,熟悉信号指挥;电工看懂架桥机电路图并能按图接线,能在工作中迅速排除故障;液压工熟悉液压系统基本知识和使用维修技能,能正确操作和排除故障;起重工熟悉起重机操作规程和安全规程。3.架桥机电源采用三相交流,额定频率为60HZ,额定电压为380V。4.架桥机使用环境温度应在-200C~+400C范围以内,24小时的平均温度不应超过+350C。5.架梁施工前对架桥机进行全面检查,确保各机构处于良好状态。6.架梁施工每班作业前做日常检查,确认无误后开始工作。7.架梁作业时设置风速风向仪,监视风力和风向。当风速大于13m/s时,停止架梁作业。8.架桥机在每项吊梁作业前,应试吊一次,应确认可靠后作业。9.架桥机卷扬机作业时,应符合下列规定:1)吊梁小车第一次起吊梁时,检验卷扬机制动的可靠性,制动距离不大于30mm,并应以不大于50片梁为一个单位,应定期检查卷扬机制动。2)吊梁时卷扬机组应动作一致,受力均匀,钢丝绳不得与金属构件干涉,并应在卷筒上排列整齐。3)梁片在起吊、纵移和下落时,保持水平。10.架桥机运行时发现下列情况之一时,立即停止作业:1)卷扬系统异常;2)制动器异常;3)钢丝绳在滑轮上发生跳槽;4)安全装置失效;5)钢丝绳在卷筒上缠绕混乱。11.架桥机横移轨道应与运行车轮相适应,表面应光滑、无毛刺、无裂纹,轨道及轨道梁应垫实,不得悬空。第三章、施工组织本项目40m预制T梁场设置在机场互通区域内,距离段家寨大桥16#桥台平面距离约600m米,从段家寨大桥16#桥台至K23+320地通道处有120米的路基用于架桥机安拆。架桥机在主线路基上拼装,路基经过换填并压实,具备架设施工的条件。架梁时首先由龙门吊将T梁吊至运梁车上,由运梁车运至架桥机处,由架桥机前后左右移动至梁位处安装就位。架梁先从段家寨桥左幅开始从大桩号往小桩号进行,再移至右幅。第四章、计划安排1、施工进度计划本工程项目40m预制T梁共计596片,根据本标段施工合同的要求节点及现场实际进度情况,结合本分项工程的施工特点和我部的人力、设备等资源的配备,架桥机安装时间为2013年12月23日至2014年1月1日。架桥机安装时间横道图时间顺序3天1天3天1天1天1天合计准备工作10天支座处理支腿及横梁轨铺设主梁及天车安装电器...

1、当您付费下载文档后,您只拥有了使用权限,并不意味着购买了版权,文档只能用于自身使用,不得用于其他商业用途(如 [转卖]进行直接盈利或[编辑后售卖]进行间接盈利)。
2、本站所有内容均由合作方或网友上传,本站不对文档的完整性、权威性及其观点立场正确性做任何保证或承诺!文档内容仅供研究参考,付费前请自行鉴别。
3、如文档内容存在违规,或者侵犯商业秘密、侵犯著作权等,请点击“违规举报”。

碎片内容

架桥机方案交底

确认删除?
VIP
微信客服
  • 扫码咨询
会员Q群
  • 会员专属群点击这里加入QQ群
客服邮箱
回到顶部