电脑桌面
添加小米粒文库到电脑桌面
安装后可以在桌面快捷访问

雁江区2010-2011八年级物理期末质量分析VIP免费

雁江区2010-2011八年级物理期末质量分析_第1页
1/8
雁江区2010-2011八年级物理期末质量分析_第2页
2/8
雁江区2010-2011八年级物理期末质量分析_第3页
3/8
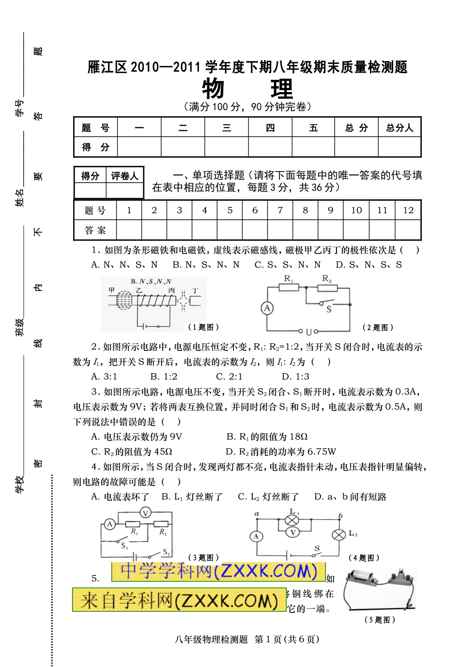
雁江区2010—2011学年度下期八年级期末质量检测题物理(满分100分,90分钟完卷)题号一二三四五总分总分人得分一、单项选择题(请将下面每题中的唯一答案的代号填在表中相应的位置,每题3分,共36分)题号123456789101112答案1.如图为条形磁铁和电磁铁,虚线表示磁感线,磁极甲乙丙丁的极性依次是()A.N、N、S、NB.N、S、N、NC.S、S、N、ND.S、N、S、S2.如图所示电路中,电源电压恒定不变,R1:R2=1:2,当开关S闭合时,电流表的示数为I1,把开关S断开后,电流表的示数为I2,则I1:I2为()A.3:1B.1:2C.2:1D.1:33.如图所示电路,电源电压不变,当开关S2闭合、S1断开时,电流表示数为0.3A,电压表示数为9V;若将两表互换位置,并同时闭合S1和S2时,电流表示数为0.5A,则下列说法中错误的是()A.电压表示数仍为9VB.R1的阻值为18ΩC.R2的阻值为45ΩD.R2消耗的功率为6.75W4.如图所示,当S闭合时,发现两灯都不亮,电流表指针未动,电压表指针明显偏转,则电路的故障可能是()A.电流表坏了B.L1灯丝断了C.L2灯丝断了D.a、b间有短路5.如图所示,用小刀把铅笔剖开,剥出铅笔芯,将铜线绑在它的一端。得分评卷人八年级物理检测题第1页(共6页)学校班级姓名____________学号______________密封线内不要答题(1题图)(2题图)(3题图)(4题图)(5题图)照图连接电路,使另一根铜线在铅笔芯上移动,观察灯泡的亮度变化。通过这个实验,我们可以得出的结论是()A.导体越长,它的电阻越大B.导体越短,它的电阻越大C.导体横截面积越大,它的电阻越大D.导体的温度越高,它的电阻越大6.李家大院中的几盏电灯突然全部熄灭了,检查保险丝发现并未熔断,用测电笔测试各处电路时,氖管都发光,关于李家大院的电路故障,下列四种判断中正确的是()A.室内线路发生短路B.灯泡全都烧坏C.进户火线断路D.进户零线断路7.如图所示,电源电压不变,闭合开关,当滑动变阻器的滑片P由左向右移动时,三只电表的变化情况是()A.V1增大,V2减小,A增大B.V1减小,V2增大,A减小C.V1不变,V2增大,A不变D.V1不变,V2减小,A不变8.把标有“12V,12W”的灯L1和“12V,6W”的灯L2串联起来接在电源电压为12V的电路中,正确的说法()A.L1、L2两灯均能正常发光B.L1、L2两灯均不能正常发光,但L2灯较亮C.L1、L2两灯均不能正常发光,但L1灯较亮D.把电源电压提高到24V,L1、L2两灯都能正常发光9.图中的几种用电器的额定功率最接近800W的是()A.家庭电扇B.笔记本电脑C.台灯D.电饭煲10.如图所示,甲、乙、丙、丁是四幅实验装置图,对它们的解释合理的是()A.甲实验说明导体在磁场中运动时,就一定产生电流。B.乙实验说明磁场能产生电流。C.丙实验说明同名磁极相吸引,异名磁场相排斥。D.丁实验说明电磁铁的磁性强弱与电流大小有关。11.如图所示中,没有违反安全用电的原则是()12.关于电磁波,下列说法正确的是()A.光不属于电磁波八年级物理检测题第2页(共6页)(7题图)(9题图)(10题图)(11题图)B.电磁波的波长越短则频率越低C.可以用电磁波传递信息和能量D.电磁波、声波都可以在真空中传播二、细心填一填(每空1分,共27分)13.如图所示的电路中,两电阻的阻值相同,电源电压保持不变,当S1接在b点,S2断开时,电路总功率是P1;当S1接在a点,S2闭合时,电路消耗的总功率是P2,则P1:P2=14.把一只标有“36V,9W”的灯泡与滑动变阻器串联接在电源上,可组成一个亮度可调的电路,滑动变阻器的滑片从一端滑动到另一端时,灯泡功率在4W到9W之间变化;则电源电压为,滑动变阻器的最大阻值是。15.现代社会手机已成为人们普遍使用的通信工具,它是由来传递信息的。某手机发射的信号频率是2000MHZ,那么信号的波长约为m。16.下面列举出6种用电器:①电炉子;②电动剃须刀;③电风扇;④电饭锅;⑤白炽灯;⑥电热水器。工作原理中利用电流的热效应的有;利用磁场对电流的作用的是。17.定值电阻R1和R2分别标有“10Ω1A”和“20Ω0.5A”的字样,现将它们串联起来接到某电源两端,为了不损坏电阻,该电源电压不超过V;若将它们并联起来,在不损坏电阻的情况下,干路上最大电流是A。18.有两个电阻R1=...

1、当您付费下载文档后,您只拥有了使用权限,并不意味着购买了版权,文档只能用于自身使用,不得用于其他商业用途(如 [转卖]进行直接盈利或[编辑后售卖]进行间接盈利)。
2、本站所有内容均由合作方或网友上传,本站不对文档的完整性、权威性及其观点立场正确性做任何保证或承诺!文档内容仅供研究参考,付费前请自行鉴别。
3、如文档内容存在违规,或者侵犯商业秘密、侵犯著作权等,请点击“违规举报”。

碎片内容

雁江区2010-2011八年级物理期末质量分析

您可能关注的文档

精品文库+ 关注
实名认证
内容提供者

中小学课件教案小学资料大全

相关文档

确认删除?
VIP
微信客服
  • 扫码咨询
会员Q群
  • 会员专属群点击这里加入QQ群
客服邮箱
回到顶部