电脑桌面
添加小米粒文库到电脑桌面
安装后可以在桌面快捷访问

人防办地下车库空心楼盖结构方案经济分析VIP免费

人防办地下车库空心楼盖结构方案经济分析_第1页
1/7
人防办地下车库空心楼盖结构方案经济分析_第2页
2/7
人防办地下车库空心楼盖结构方案经济分析_第3页
3/7
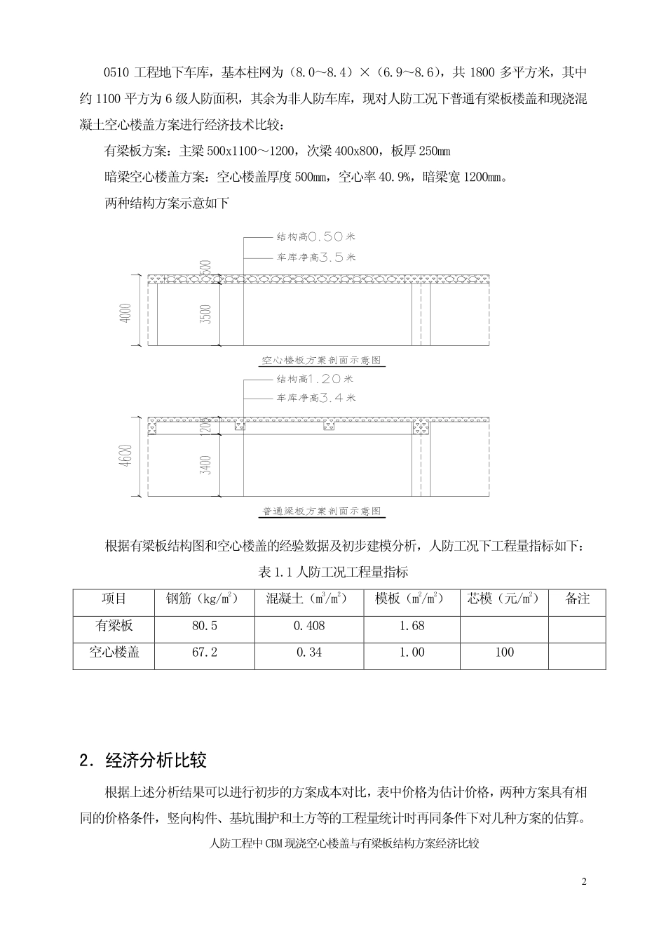
厦门三和博大建筑材料有限公司湖南办事处联系人:曾广奎13607310510国家专利技术产品国家重点科技成果推广项目建设部最新科技成果重点推荐项目人防办地下车库项目地下室工程空心楼盖结构方案建议书福建厦门三和博大新材料有限公司2010-8-191.工程条件和方案比较20510工程地下车库,基本柱网为(8.0~8.4)×(6.9~8.6),共1800多平方米,其中约1100平方为6级人防面积,其余为非人防车库,现对人防工况下普通有梁板楼盖和现浇混凝土空心楼盖方案进行经济技术比较:有梁板方案:主梁500x1100~1200,次梁400x800,板厚250mm暗梁空心楼盖方案:空心楼盖厚度500mm,空心率40.9%,暗梁宽1200mm。两种结构方案示意如下根据有梁板结构图和空心楼盖的经验数据及初步建模分析,人防工况下工程量指标如下:表1.1人防工况工程量指标项目钢筋(kg/m2)混凝土(m3/m2)模板(m2/m2)芯模(元/m2)备注有梁板80.50.4081.68空心楼盖67.20.341.001002.经济分析比较根据上述分析结果可以进行初步的方案成本对比,表中价格为估计价格,两种方案具有相同的价格条件,竖向构件、基坑围护和土方等的工程量统计时再同条件下对几种方案的估算。人防工程中CBM现浇空心楼盖与有梁板结构方案经济比较3某人防地下车库结构方案经济比较建筑面积1500项目有梁板方案(板厚250,主梁500x1200,层高4.6m)暗梁空心楼盖方案(空心板厚估500,空心率40.9%,层高4m)指标kg/㎡80.5指标kg/㎡67.2用量kg120750用量kg100800单价5单价5梁板钢筋造价603750造价504000指标m3/㎡0.408指标m3/㎡0.340用量m3612用量m3510单价300单价300梁板混凝土造价183600造价153000指标㎡/㎡1.68指标㎡/㎡1用量㎡2520用量㎡1500单价60单价60梁板模板造价151200造价90000指标m3/㎡0.0310指标m3/㎡0.0270用量m346.5用量m340.50单价1200单价1200柱混凝土钢筋模板造价55800造价48600指标m3/㎡0.291指标㎡/㎡0.253用量㎡436.5用量㎡379.50单价1200单价1200剪力墙造价523800造价455400.00指标m/㎡0指标/㎡1用量m0用量m1500单价0单价100芯模造价0造价150000指标m3/㎡3.500指标m3/㎡3.000用量m36037.5用量m34725.00单价50单价50土方挖运造价301875造价236250造价合计1820025造价合计1637250单方造价1213.35单方造价1091.5以上各项比较以上各项现浇空心楼盖节约造价10%管线安装及其他板底管线更加顺直流畅,节约造价不少于5%;另外护坡高度降低0.50米可节约造价10%以上总土建直接成本比较暗梁空心楼盖方案比有梁板方案节约造价10%左右施工暗梁空心楼盖方案比普通有梁板方案节约工期20%以上42.暗梁空心楼盖在地下车库应用的主要技术优势由于现浇混凝土空心板在不增加混凝土用量的前提下大幅增加板的厚度,充分发挥板中混凝土和钢筋的使用效率,因此现浇混凝土暗梁空心楼盖在地下车库的使用中具有巨大的技术优势:1)层高优势,本工程可以比有梁板结构降低结构高度600­700mm,因此可以降低层高600­700mm或增加净高600­700mm。由于层高的降低可以降低基坑围护结构的高度,减少地基开挖深度,降低基坑施工难度和施工费用,缩短工期。2)建筑上美观,暗梁空心楼盖结构板底非常平整,管线的安装可以非常顺直,灯光的设置可以非常优化,非常有利于室内的采光和通风,这些优势使室内环境非常美观,有利于提高建筑物的品质。3)成本优势,经设初步计计算和比较,在综合土建成本上,降低层高时空心楼盖比普通梁板结构具有10%左右的优势(见经济分析表),4)改善厚板的温度变形,由于楼盖中部空心,降低了混凝土在凝结硬化过程中的体积收缩和水化热,现浇混凝土空心板核心区温度远低于相应实心板的核心区温度,这样由于温差引起的温度裂缝就有了很好的改善。5)提高抗渗能力,现浇空心板由于板厚加大增加渗透路径和内模的阻断作用,以及温度裂缝的减少,抗渗能力得到了巨大的提高。6)管线安装优势,取消主次梁后,板的底面平整,有利于管线的顺直安装,一方面减少了管线安装的成本,也更使管线安装更加科学合理。7)CBM内模的自身优势。CBM内模自带固定支架,直接固定在板底钢筋上,施工安装方便,无特殊施工措施,解决了其他形式内模抗浮和抗侧移的问题,这样既降低...

1、当您付费下载文档后,您只拥有了使用权限,并不意味着购买了版权,文档只能用于自身使用,不得用于其他商业用途(如 [转卖]进行直接盈利或[编辑后售卖]进行间接盈利)。
2、本站所有内容均由合作方或网友上传,本站不对文档的完整性、权威性及其观点立场正确性做任何保证或承诺!文档内容仅供研究参考,付费前请自行鉴别。
3、如文档内容存在违规,或者侵犯商业秘密、侵犯著作权等,请点击“违规举报”。

碎片内容

人防办地下车库空心楼盖结构方案经济分析

文泉书屋+ 关注
实名认证
内容提供者

热爱教学事业,对互联网知识分享很感兴趣

确认删除?
VIP
微信客服
  • 扫码咨询
会员Q群
  • 会员专属群点击这里加入QQ群
客服邮箱
回到顶部