电脑桌面
添加小米粒文库到电脑桌面
安装后可以在桌面快捷访问

金属结构闸门质量评定表新制全解VIP免费

金属结构闸门质量评定表新制全解_第1页
1/24
金属结构闸门质量评定表新制全解_第2页
2/24
金属结构闸门质量评定表新制全解_第3页
3/24
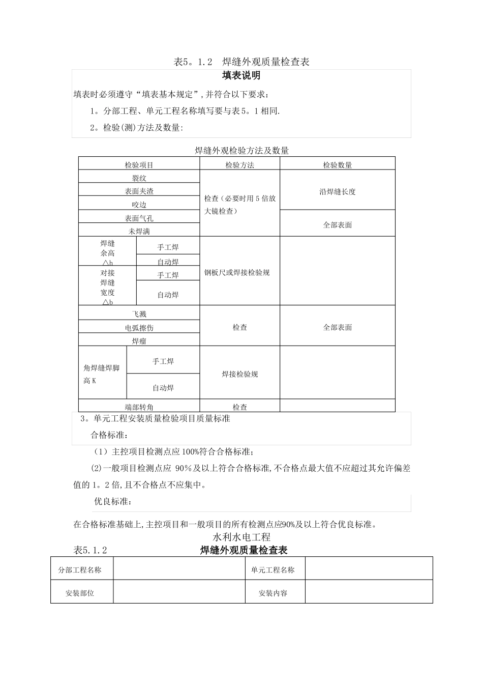
表5。1.2焊缝外观质量检查表填表说明填表时必须遵守“填表基本规定”,并符合以下要求:1。分部工程、单元工程名称填写要与表5。1相同.2。检验(测)方法及数量:焊缝外观检验方法及数量检验项目裂纹表面夹渣咬边表面气孔未焊满焊缝余高△h对接焊缝宽度△b飞溅电弧擦伤焊瘤手工焊焊接检验规自动焊端部转角检查检查全部表面手工焊自动焊手工焊自动焊钢板尺或焊接检验规检查(必要时用5倍放大镜检查)全部表面沿焊缝长度检验方法检验数量角焊缝焊脚高K3。单元工程安装质量检验项目质量标准合格标准:(1)主控项目检测点应100%符合合格标准;(2)一般项目检测点应90%及以上符合合格标准,不合格点最大值不应超过其允许偏差值的1。2倍,且不合格点不应集中。优良标准:在合格标准基础上,主控项目和一般项目的所有检测点应90%及以上符合优良标准。水利水电工程表5.1.2焊缝外观质量检查表分部工程名称安装部位单元工程名称安装内容安装单位允许偏差(mm)开/完工日期质量等级项次检验项目合格优良不允许实测值(mm)合格数优良数123…12裂纹表面夹渣一、二类焊缝:不允许;三类焊缝:深不大于0。1δ,长不大于0.3δ,且不大于10钢一、二类焊缝:深不大于0.5;管三类焊缝:深不大于13主控项咬边一、二类焊缝:深不大于0.5;连续咬边钢长度不大于焊缝总长的10%,且不大于闸100;两侧咬边累计长度不大于该焊缝门总长的15%;角焊缝不大于20%;三类焊缝深不大于1一、二类焊缝不允许,目钢三类焊缝:每米范围内不允许管允许直径小于1.5的气孔5个,间距不小于204表面气孔一类焊缝不允许钢二类焊缝:直径不大于1.0mm气孔每米闸范围内允许3个,间距不小于20门三类焊缝:直径不大于1.5mm气孔每米范围内允许5个,间距不小于20一、二类焊缝不允许5未焊满三类焊缝:深不大于0.2+0.02δ且不大于1,每100mm焊缝内缺欠总长不大于25一、二类/三类(仅钢闸门)焊缝:δ≤12△h=0~1。5/(0~2)焊缝手工焊12<δ≤25△h=0~2.5/(0~3)1余高25<δ≤50△h=0~3/(0~4)△hδ>50△h=0~4/(0~5)自动焊对接手工焊2一般项3目4焊缝宽度自动焊△b飞溅电弧擦伤不允许(高强钢、不锈钢此项作为主控项目)不允许(高强钢、不锈钢此项作为主控项目)不允许手工焊盖过每边坡口宽度2~7,且平缓过渡0~4/(0~5)盖过每边坡口宽度1~2.5,且平缓过渡5焊瘤角焊6缝焊脚高K7端部转角自动焊K<12,△K=0~2;K≥12,△K=0~3K<12,△K=0~2;K≥12,△K=0~3连续绕角施焊检查意见:主控项目共_____项,其中合格_____项,优良_____项,合格率,优良率%。一般项目共_____项,其中合格_____项,优良_____项,合格率,优良率%.测量人年月日安装单位评定人年月日监理工程师年月日注1:δ~钢板厚度,单位:mm;注2:手工焊是指焊条电弧焊、CO2半自动气保焊、自保护药芯半自动焊以及手工TIG焊等。而自动焊是指埋弧自动焊、MAG自动焊、MIG自动焊等。表5.1。3焊缝内部质量检查表填表说明填表时必须遵守“填表基本规定",并符合以下要求:1.分部工程、单元工程名称填写要与表5.1相同。2。检验(测)方法及数量:焊缝内部检验方法及数量检验项目压力钢管:按SL432要求;射线探伤钢闸门及拦污栅:按GB/T14173要求;启闭机:按SL381和SL36要求压力钢管:按SL432要求;超声波探伤钢闸门及拦污栅:按GB/T14173要求;启闭机:按SL381和SL36要求磁粉探伤渗透探伤厚度大于32mm的高强度钢,不低于焊缝总长的20%,且不小于200mm厚度大于32mm的高强度钢,不低于焊缝总长的20%,且不小于200mm检验方法3。单元工程安装质量检验项目质量标准合格标准:(1)主控项目检测点应100%符合合格标准;(2)一般项目检测点应90%及以上符合合格标准,不合格点最大值不应超过其允许偏差值的1。2倍,且不合格点不应集中。优良标准:在合格标准基础上,主控项目和一般项目的所有检测点应90%及以上符合优良标准。水利水电工程表5。1。3焊缝内部质量检查表分部工程名称安装部位安装单位允许偏差(mm)项次检验项目合格一类焊缝不低于Ⅱ级合格,二类焊缝不低于Ⅲ级合格优良一次合格率不低于90%单元工程名称安装内容开/完工日期实测值(mm)123…合格数优良数质量等级1射线探伤主2控...

1、当您付费下载文档后,您只拥有了使用权限,并不意味着购买了版权,文档只能用于自身使用,不得用于其他商业用途(如 [转卖]进行直接盈利或[编辑后售卖]进行间接盈利)。
2、本站所有内容均由合作方或网友上传,本站不对文档的完整性、权威性及其观点立场正确性做任何保证或承诺!文档内容仅供研究参考,付费前请自行鉴别。
3、如文档内容存在违规,或者侵犯商业秘密、侵犯著作权等,请点击“违规举报”。

碎片内容

金属结构闸门质量评定表新制全解

爱的疯狂+ 关注
实名认证
内容提供者

该用户很懒,什么也没介绍

相关文档

确认删除?
VIP
微信客服
  • 扫码咨询
会员Q群
  • 会员专属群点击这里加入QQ群
客服邮箱
回到顶部