电脑桌面
添加小米粒文库到电脑桌面
安装后可以在桌面快捷访问

八年级物理物态与物态变化VIP免费

八年级物理物态与物态变化_第1页
1/2
八年级物理物态与物态变化_第2页
2/2
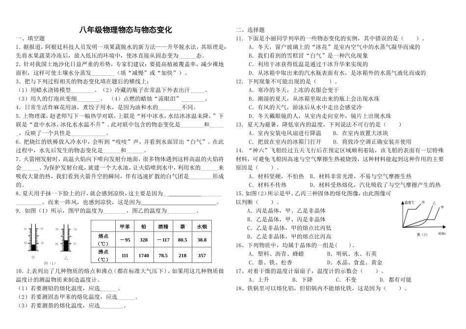
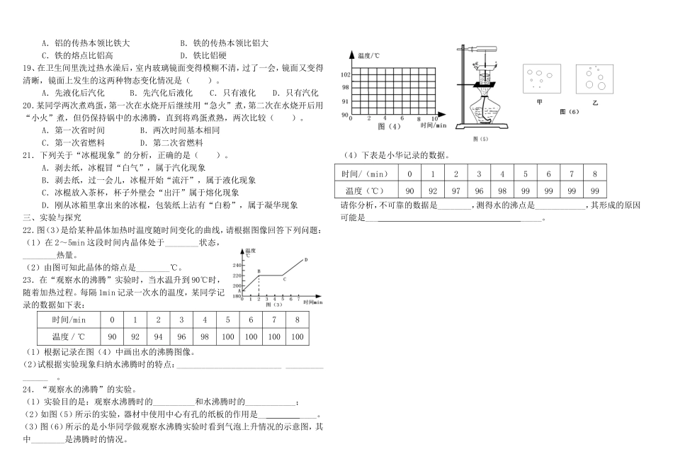
八年级物理物态与物态变化一、填空题1.据报道,阿根廷科技人员发明一项果蔬脱水的新方法——升华脱水法,其原理是:先将水果蔬菜冷冻后,放入低压的环境中,使冰直接从固态变为______态。2.针对我国土地沙化日益严重的形势,专家们建议:要提高植被覆盖率,减少裸地面积,这样可使土壤水分蒸发________(填“减慢”或“加快”)。3.把与下列过程相关的物态变化填在题后的横线上:(1)用蜡水浇铸模型________。(2)冷藏的瓶子在常温下外表出汗_____。(3)用久的灯泡丝变细________。(4)点燃的蜡烛“流眼泪”________。4.日常生活炸麻花用油,煮饺子用水,是因为油和水的________不同。5.上物理课,赵老师写下一幅热学对联,上联是“杯中冰水,水结冰冰温未降,”下联是“盘中水冰,冰化水水温不升”。此对联中包含的物态变化是________和______,反映了一个共性是____________。6.把烧红的铁棒放入冷水中,会听到“吱吱”声,并看到水面冒出“白气”。在此过程中,水先后发生的物态变化是______和______。7.火箭刚发射时,高温火焰向下喷向发射台地面,很多物体遇到这样高温的火焰将会______。为保护发射台底,就建一个大水池,让火焰喷到水中,利用水的______来吸收大量的热,我们看到火箭升空的瞬间,伴有迅速扩散的白气团是________形成的。8.夏天用手抹一下脸上的汗,就会感到凉快,这主要是因为__________________。而来一阵风,也感到凉快,这是因为。9.如图(1)所示,图甲的温度为________,图乙的温度为__________。10.上表列出了几种物质的熔点和沸点(都在标准大气压下),如果用这几种物质做温度计的测温物质来制造温度计。(1)若要测铅的熔化温度,应选______。(2)若要测固态甲苯的熔化温度,应选______。(3)若要测萘的熔化温度,应选________。二、选择题11.下面是小丽同学列举的一些物态变化的实例,其中错误的是()。A.冬天,窗户玻璃上的“冰花”是室内空气中的水蒸气凝华而成的B.我们看到的雪糕冒“白气”是一种汽化现象C.利用干冰获得低温是通过干冰升华来实现的D.从冰箱中取出来的汽水瓶表面有水,是冰箱外的水蒸气液化而成的12.下列现象不可能出现的是()。A.寒冷的冬天,上冻的衣服会变干B.潮湿的夏天,从冰箱里取出来的瓶上会出现水珠C.有风的天气,游泳后从水中走出会感觉冷D.冬天戴眼镜的人,从室内走向室外,镜片上出现水珠13.夏天为避暑,降低室内的温度,下列说法不可行的是()A.室内安装电风扇进行降温B.在室内放置大冰块C.把放在室内的冰箱门打开D.将致冷空调正确安装并使用14.“神六”飞船经过五天飞行后在预定区域顺利着陆,该飞船的表面有一层特殊材料,可避免飞船因高速与空气摩擦生热被烧毁,这种材料能起到这种作用的主要原因是()。A.材料坚硬,不怕热B.材料非常光滑,不易与空气摩擦生热C.材料不传热D.材料受热熔化,汽化吸收了与空气摩擦产生的热15.如图(2)所示是甲、乙丙三种固体的熔化图像,由此图像可以判断()。A.丙是晶体,甲、乙是非晶体B.乙是晶体,甲、丙是非晶体C.乙是非晶体,甲的熔点比丙低D.乙是非晶体,甲的熔点比丙高16、下列物质中,均属于晶体的一组是()。A.塑料、沥青、蜂蜡B.明矾、水、石英C.萘、铁、松香D.水晶、食盐、黄金17、对着干燥的温度计扇扇子,温度计的示数会()。A.上升B.下降C.不变D.都有可能18、铁锅里可以熔化铝,但铝锅内不能熔化铁,这是因为()。甲苯铅酒精萘水银熔点(℃)-95328-11780.538.8沸点(℃)111174078.5218357A.铝的传热本领比铁大B.铁的传热本领比铝大C.铁的熔点比铝高D.铁比铝硬19、在卫生间里洗过热水澡后,室内玻璃镜面变得模糊不清,过了一会,镜面又变得清晰,镜面上发生的这两种物态变化情况是()。A.先液化后汽化B.先汽化后液化C.只有液化D.只有汽化20.某同学两次煮鸡蛋,第一次在水烧开后继续用“急火”煮,第二次在水烧开后用“小火”煮,但仍保持锅中的水沸腾,直到将鸡蛋煮熟,两次比较()。A.第一次省时间B.两次时间基本相同C.第一次省燃料D.第二次省燃料21.下列关于“冰棍现象”的分析,正...

1、当您付费下载文档后,您只拥有了使用权限,并不意味着购买了版权,文档只能用于自身使用,不得用于其他商业用途(如 [转卖]进行直接盈利或[编辑后售卖]进行间接盈利)。
2、本站所有内容均由合作方或网友上传,本站不对文档的完整性、权威性及其观点立场正确性做任何保证或承诺!文档内容仅供研究参考,付费前请自行鉴别。
3、如文档内容存在违规,或者侵犯商业秘密、侵犯著作权等,请点击“违规举报”。

碎片内容

八年级物理物态与物态变化

您可能关注的文档

百万精品文库+ 关注
实名认证
内容提供者

学习课件教案小学中学资料大全

相关文档

确认删除?
VIP
微信客服
  • 扫码咨询
会员Q群
  • 会员专属群点击这里加入QQ群
客服邮箱
回到顶部