电脑桌面
添加小米粒文库到电脑桌面
安装后可以在桌面快捷访问

高考化一轮复习 第四章 第四节 一卷冲关的课后练案 新人教版 VIP免费

高考化一轮复习 第四章 第四节 一卷冲关的课后练案 新人教版 _第1页
1/8
高考化一轮复习 第四章 第四节 一卷冲关的课后练案 新人教版 _第2页
2/8
高考化一轮复习 第四章 第四节 一卷冲关的课后练案 新人教版 _第3页
3/8
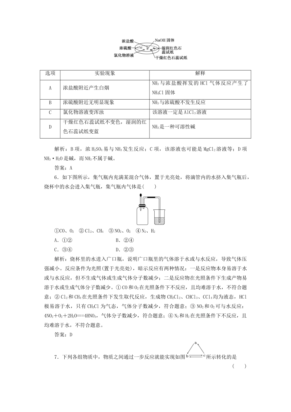
"【创新方案】高考化学一轮复习第四章第四节一卷冲关的课后练案新人教版"一、选择题(本题包括10小题,每小题5分,共50分)1“”.保护环境,就是保护人类自己。下列环境问题与产生的主要原因不相符的是()①“”臭氧空洞主要是大量使用氟氯代烃等引起的②“”光化学烟雾主要是由NO2等引起的③“”酸雨主要是由空气中CO2浓度增大引起的④“”白色污染主要是由聚乙烯、聚氯乙烯、聚丙烯塑料等塑料制品引起的⑤“”厄尔尼诺现象由空气中CO2浓度增大引起的⑥“”温室效应主要是由空气中CO2浓度增大引起的⑦“”赤潮主要是由水体中P、N等元素过量引起的A.只有①②B.只有②③⑤C.全部D.只有③“”解析:保护环境,就是保护人类自己,环境问题已越来越引起社会的关注,了解一“”些环境问题产生的主要原因,才能提出合理的治理方案。臭氧空洞主要是氟氯代烃引起,而NOx“”对臭氧空洞的形成也有一定作用;光化学烟雾主要是NOx“”引起的;酸雨的形成主要是SO2及NOx“”引起,故③不正确;白色污染是指聚乙烯聚丙烯等塑料引起的污染;空气中CO2“”“”“”“”浓度增大,引起温室效应,厄尔尼诺也由此而起;赤潮、水华则是水体中由N、P等营养元素的过量引起的,综上所述,正确答案为D。答案:D2“”“”.绿色化学实验已走进课堂,下列做法符合绿色化学的是()①实验室收集氨气采用图1所示装置②实验室中做氯气与钠的反应实验时采用图2所示装置③实验室中用玻璃棒分别蘸取浓盐酸和浓氨水做氨气与酸生成铵盐的实验④实验室中采用图3所示装置进行铜与稀硝酸的反应A.②③④B.①②③C.①②④D.①③④“”解析:绿色化学的思想是尽量使用无毒、无害的原料,采取合理安全的工艺合成产物,原子利用率为100%,无污染,对环境友好。①的做法可防止氨气对空气的污染;②的做法对尾气进行吸收处理,有效防止氯气对空气的污染;④的做法中,铜丝可以活动,能有效地控制反应的发生与停止,用气球收集反应产生的污染性气体,待反应后处理,也防“”止了对空气的污染,以上三种做法均符合绿色化学的做法,而③的做法中氨气与氯化氢“”气体直接散发到空气中,对空气造成污染,不符合绿色化学的做法。答案:C3.(·临沂模拟)某化学兴趣小组对某奖牌中金属的成分提出猜想:甲认为金牌是由纯金制造;乙认为金牌是由金银合金制成;丙认为金牌是由黄铜(铜锌合金)制成。为了验证他们的猜想,请你选择一种试剂来证明甲、乙、丙猜想的正误()A.硫酸铜溶液B.氢氧化钠溶液C.稀硝酸D.硝酸银溶液解析:因为硝酸难以溶解金,故选用硝酸能证明甲、乙、丙猜想的正误,若全不溶解则是纯金,若部分溶解则是金银合金,全部溶解则是黄铜。答案:C4“”.中学实验中,通常利用如下图所示的装置进行喷泉实验,来验证气体的溶解性,下列有关说法不正确的是()A“”.用滴管加入液体后,由于气体的溶解,使瓶内压强减小,导致瓶内压力小于外界压力,从而形成喷泉B.选用合适的溶液,CO2也能用于做喷泉实验C.HCl、NH3和SO2均能用该装置做喷泉实验D.用NO2和N2O4的混合气体做喷泉实验,烧瓶中将充满稀硝酸解析:本题综合考查了喷泉实验的原理,即由于气体溶于水或某种溶液,导致烧瓶中的压强迅速减小,与外界压强间产生足够的压强差,从而形成喷泉,A正确;B选项中,CO2能与NaOH等强碱溶液反应,从而被吸收,也能产生很大的压强差,故能形成喷泉,该项也正确;C选项中,NH3和HCl属于极易溶于水的气体,常温常压下,SO2溶解度为40,也能较多地溶解,故均能形成喷泉;NO2和N2O4与水反应后有NO生成,故液体不能充满烧瓶。答案:D5.如下图,利用培养皿探究氨气的性质。实验时向NaOH固体上滴几滴浓氨水,立即用另一表面皿扣在上面。下表中对实验现象所做的解释正确的是()选项实验现象解释A浓盐酸附近产生白烟NH3与浓盐酸挥发的HCl气体反应产生了NH4Cl固体B浓硫酸附近无明显现象NH3与浓硫酸不发生反应C氯化物溶液变浑浊该溶液一定是AlCl3溶液D干燥红色石蕊试纸不变色,湿润的红色石蕊试纸变蓝NH3是一种可溶性碱解析:B项,浓H2SO4易与NH3发生反应;C项,该溶液也可能是MgCl2溶液等;D项NH3·H2O是碱,而NH3不属于碱。答案:A6....

1、当您付费下载文档后,您只拥有了使用权限,并不意味着购买了版权,文档只能用于自身使用,不得用于其他商业用途(如 [转卖]进行直接盈利或[编辑后售卖]进行间接盈利)。
2、本站所有内容均由合作方或网友上传,本站不对文档的完整性、权威性及其观点立场正确性做任何保证或承诺!文档内容仅供研究参考,付费前请自行鉴别。
3、如文档内容存在违规,或者侵犯商业秘密、侵犯著作权等,请点击“违规举报”。

碎片内容

高考化一轮复习 第四章 第四节 一卷冲关的课后练案 新人教版

文章天下+ 关注
实名认证
内容提供者

各种文档应有尽有

相关文档

确认删除?
VIP
微信客服
  • 扫码咨询
会员Q群
  • 会员专属群点击这里加入QQ群
客服邮箱
回到顶部