电脑桌面
添加小米粒文库到电脑桌面
安装后可以在桌面快捷访问

八年级五月月考VIP免费

八年级五月月考_第1页
1/4
八年级五月月考_第2页
2/4
八年级五月月考_第3页
3/4
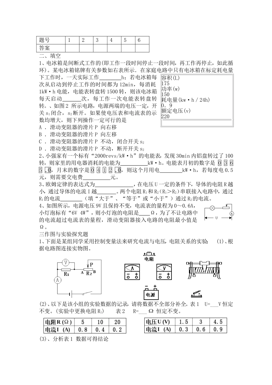
八年级物理5月月考试题一、选择1、如图所示的电路,当开关S合上后,电灯L1、L2正常发光,电流表和电压表均有示数;在某一时刻,两灯同时熄灭,电压表示数偏大,电流表示数几乎为零,则该电路此时的故障可能是:()A、电流表损坏B、灯L1灯丝烧断C、灯L2发生短路D、灯L2灯丝烧断2、分别标有“6V6W”、“4V2W”的甲、乙两灯串联后接到7V的电路上则:()A、只有甲灯正常发光B、只有乙灯正常发光C、甲、乙两灯都能正常发光D、甲、乙两灯都不能正常发光3、小明同学家的洗衣机说明书(见右表)所列数据,计算以下结果,其中正确的是:A、洗衣机正常工作2小时,需耗电1KW·hB、洗衣机正常工作时,通过的电流为0.5AC、这台洗衣机所受重力为29.4ND、洗衣机接在110V的电路中,实际消耗功率110W4、图中1、2是用伏安法分别测定两个不同阻值的定值电阻R1、R2所得到的电流与电压的关系图线,则它们阻值的大小关系是()A.R1>R2B.R1<R2C.R1=R2D.无法判断5、如图所示,若开关S闭合后,灯L1、L2均不亮,小华同学利用一根导线去查找电路故障,当她将导线连接在灯L1两端时,两灯均不亮,将导线连接在灯L2两端时,灯L1亮而灯L2不亮.由此可以判断()A.灯L1短路B.灯L2短路C.灯L1断路D.灯L2断路6、物理学研究中常常用到“控制变量法”、“等效法”、“类比法”等科学方法。在下列研究实例中,运用了控制变量法的是()A.研究电流的形成原因时,将电流与水流相比较,从分析水流的形成人手来分析电流的形成B.研究电流的大小时,根据电流产生的效应大小来判断电流的大小C.研究多个电阻组成的电路时,求出电路的总电阻,用总电阻产生的效果来代替所有电阻产生的总效果D.研究电流与电压的大小关系时,保持电阻大小不变,改变电阻两端的电压值,观察电流如何随电压变化而变化题号123456答案二、填空1、电冰箱是间断式工作的(即工作一段时间停止一段时间,再工作再停止,如此循环)。某电冰箱铭牌有关参数如右表所示.在家庭电路中只有电冰箱在标定耗电量下工作时,一天实际工作h;若电冰箱每次从启动到停止工作的时间都为12min,每消耗1kW·h电能,电能表转盘转1500转,则该电冰箱每天启动次,每工作一次电能表转盘转转。、如图2所示电路,电源两端的电压一定,开关s1闭合,s2断开。如果使电压表和电流表的示数均增大,则下列操作一定可行的是A.滑动变阻器的滑片P向右移B.滑动变阻器的滑片P向左移C.滑动变阻器的滑片P不动,闭合开关s2D.滑动变阻器的滑片P不动,断开开关s22、小强家有一个标有“2000revs/kW·h”的电能表,发现30min内铝盘转过了100转,则家里的用电器消耗的电能为kW·h。电能表月初的数字是0365.0,月末的数字是0412.0,则这个月用电kW·h,若每度电0.5元,则需要交电费元。3、欧姆定律的表达式为,在电压U一定的条件下,导体的电阻R越小,通过导体的电流I越。两个电阻R1和R2(R1>R2)串联接入电路中,通过R1的电流(填“大于”、“等于”或“小于”)通过R2的电流。4、如图所示,电源电压9V且保持不变,电流表的量程为0~0.6A,小灯泡标有“6V4W”,则小灯泡的电阻是Ω,为了不让电路中的电流超过电流表的量程,滑动变阻器接入电路的电阻最小值是Ω。三作图与实验探究题1、下面是某组同学采用控制变量法来研究电流与电压,电阻关系的实验:(1)、根据电路图连接实物图。(2)、以下是该小组的实验数据的记录,请将数据不全部分补全。表1U=___V恒定不变。(实验中更换电阻R1)表2R=___Ω恒定不变。(3)、分析表1数据可得结论容积(L)175功率(w)150耗电量(kw·h/24h)O.9额定电压(v)220___________________________________________________;分析表2数据可得结论_______________________________________________________;在表1的实验中滑动变阻器的作用是___________________________________________;在表2的实验中滑动变阻器的作用是___________________________________________。2、如图13是伏安法测电阻的实验器材,其中电池组电压为3V,RX的阻值约10Ω左右。(1)老师提醒同学们,电压表选用3V的量程。那么,电流表应选用的量程。这样做的优点是①;②以免实验时间过长,因而影...

1、当您付费下载文档后,您只拥有了使用权限,并不意味着购买了版权,文档只能用于自身使用,不得用于其他商业用途(如 [转卖]进行直接盈利或[编辑后售卖]进行间接盈利)。
2、本站所有内容均由合作方或网友上传,本站不对文档的完整性、权威性及其观点立场正确性做任何保证或承诺!文档内容仅供研究参考,付费前请自行鉴别。
3、如文档内容存在违规,或者侵犯商业秘密、侵犯著作权等,请点击“违规举报”。

碎片内容

八年级五月月考

您可能关注的文档

百万精品文库+ 关注
实名认证
内容提供者

学习课件教案小学中学资料大全

相关文档

确认删除?
VIP
微信客服
  • 扫码咨询
会员Q群
  • 会员专属群点击这里加入QQ群
客服邮箱
回到顶部