电脑桌面
添加小米粒文库到电脑桌面
安装后可以在桌面快捷访问

110KV降压变电所电气部分初步课程设计VIP免费

110KV降压变电所电气部分初步课程设计_第1页
1/23
110KV降压变电所电气部分初步课程设计_第2页
2/23
110KV降压变电所电气部分初步课程设计_第3页
3/23
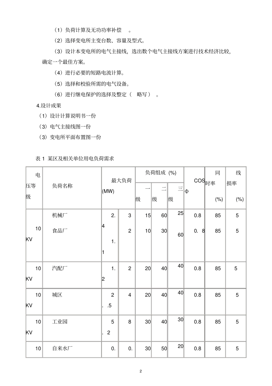
目录第一章课程设计任务⋯⋯⋯⋯⋯⋯⋯⋯⋯⋯⋯⋯⋯⋯⋯⋯⋯⋯⋯⋯1第二章负荷分析及计算和主变的选⋯⋯⋯⋯⋯⋯⋯⋯⋯⋯⋯⋯⋯⋯3第一节负荷计算的目的⋯⋯⋯⋯⋯⋯⋯⋯⋯⋯⋯⋯⋯⋯⋯⋯3第二节负荷分析及无功补偿⋯⋯⋯⋯⋯⋯⋯⋯⋯⋯⋯⋯⋯⋯3第三节主变压器的确定⋯⋯⋯⋯⋯⋯⋯⋯⋯⋯⋯⋯⋯⋯⋯⋯4第三章变电站主接线的选择⋯⋯⋯⋯⋯⋯⋯⋯⋯⋯⋯⋯⋯⋯⋯⋯⋯⋯6第一节对电气主接线的基本要求⋯⋯⋯⋯⋯⋯⋯⋯⋯⋯⋯⋯6第二节110kV侧接线的选择⋯⋯⋯⋯⋯⋯⋯⋯⋯⋯⋯⋯⋯⋯⋯7第三节10kV侧接线的选择⋯⋯⋯⋯⋯⋯⋯⋯⋯⋯⋯⋯⋯⋯⋯7第四章短路电流的计算⋯⋯⋯⋯⋯⋯⋯⋯⋯⋯⋯⋯⋯⋯⋯⋯⋯⋯⋯⋯9第一节计算各回路电流⋯⋯⋯⋯⋯⋯⋯⋯⋯⋯⋯⋯⋯⋯⋯⋯⋯9第二节计算短路点最大短路电流⋯⋯⋯⋯⋯⋯⋯⋯⋯⋯⋯⋯9第三节计算最大持续工作电流⋯⋯⋯⋯⋯⋯⋯⋯⋯⋯⋯⋯⋯10第五章电气设备的配置与选择⋯⋯⋯⋯⋯⋯⋯⋯⋯⋯⋯⋯⋯⋯⋯⋯11第一节高压断路器的选择⋯⋯⋯⋯⋯⋯⋯⋯⋯⋯⋯⋯⋯⋯⋯11第二节隔离开关的选择⋯⋯⋯⋯⋯⋯⋯⋯⋯⋯⋯⋯⋯⋯⋯⋯14第三节互感器的选择⋯⋯⋯⋯⋯⋯⋯⋯⋯⋯⋯⋯⋯⋯⋯⋯⋯17第四节避雷器的选择⋯⋯⋯⋯⋯⋯⋯⋯⋯⋯⋯⋯⋯⋯⋯⋯⋯17第五节接地刀闸的配置⋯⋯⋯⋯⋯⋯⋯⋯⋯⋯⋯⋯⋯⋯⋯⋯18第六章继电保护配置⋯⋯⋯⋯⋯⋯⋯⋯⋯⋯⋯⋯⋯⋯⋯⋯⋯⋯⋯⋯⋯18第一节继电保护的配置⋯⋯⋯⋯⋯⋯⋯⋯⋯⋯⋯⋯⋯⋯⋯⋯18第二节变电所继电保护的配置⋯⋯⋯⋯⋯⋯⋯⋯⋯⋯⋯⋯⋯20参考文献⋯⋯⋯⋯⋯⋯⋯⋯⋯⋯⋯⋯⋯⋯⋯⋯⋯⋯⋯⋯⋯⋯⋯⋯⋯⋯⋯⋯21附110kV地方变电所电气主接线图及电气总平面图1第一章:课程设计任务一、设计题目:某区110KV/10KV变电站设计二、设计的原始资料1.建设性质及规模:为满足某区及相关单位用电,将新建一座110KV降压变电所。该变电所建成后,主要对本区用户供电为主,尤其对本地区大用户进行供电。改善提高供电水平。2.变电站负荷情况:本变电站的电压等级为110/10。变电站由两个系统供电,系统S1为3MVA,容抗为0.38,系统S2为4MVA,容抗为0.45。线路1为30KM,线路2为20KM。有关负荷资料见附表1。即(1)110KV线路进线2回。(2)10KV线路的同时系数为0.9,线损率5%。(3)10KV线路8回,远期发展2回。(4)待设计变电站地理位置示意如下图::3.设计内容2(1)负荷计算及无功功率补偿。(2)选择变电所主变台数、容量及型式。(3)设计本变电所的电气主接线,选出数个电气主接线方案进行技术经济比较,确定一个最佳方案。(4)进行必要的短路电流计算。(5)选择和校验所需的电气设备。(6)进行继电保护的选择及整定(略写)。4.设计成果(1)设计计算说明书一份(3)电气主接线图一份(3)变电所平面布置图一份表1某区及相关单位用电负荷需求电压等级负荷名称最大负荷(MW)负荷组成(%)COSΦ同时率(%)线损率(%)一级二级三级10KV机械厂食品厂2.41.1321510603025600.80.885855510KV汽配厂1.222040400.885510KV城区2..542040400.885510KV工业园5.283040300.885510自来水厂0.0.3050200.88553KV5810KV生活区0.5130700.885510KV转供电0.81.820800.885510KV发展线11.52060200.885510KV发展线21.52060200.8855第二章:负荷分析及计算和主变的选择一、负荷计算的目的:计算负荷是供电设计计算的基本依据,计算负荷确定得是否正确合理,直接影响到电器和导线电缆的选择是否经济合理。如计算负荷确定过大,将使电器和导线选得过大,造成投资和有色金属的消耗浪费,如计算负荷确定过小又将使电器和导线电缆处子过早老化甚至烧毁,造成重大损失,由此可见正确确定计算负荷意义重大。二、负荷分析及无功补偿:1、10kV侧负荷近期负荷:P近10=2.4+1.1+1.2+2.5+5.2+0.5+0.5+0.8=14.2MW4远期负荷:P远10=3+2+2+4+8+0.8+1+1.8+1.5+1.5=25.6MWP10=niPi1kˊ(1+k")=25.6×0.8×(1+0.05)=21.504(MW)Q10=P·tgφ=P·tg(cos-10.80)=21.504×0.75=16.128(MVar)视在功率:(供电容量)Sg10=cosP=21.5040.80=26.88(MVA)IN10=NUS3=26.88310′=1.552(kA)2、无功补偿:Q=P(tan1q—tan2q)=P[tan(11cos0.8)tan(cos0.92)]---=21.5...

1、当您付费下载文档后,您只拥有了使用权限,并不意味着购买了版权,文档只能用于自身使用,不得用于其他商业用途(如 [转卖]进行直接盈利或[编辑后售卖]进行间接盈利)。
2、本站所有内容均由合作方或网友上传,本站不对文档的完整性、权威性及其观点立场正确性做任何保证或承诺!文档内容仅供研究参考,付费前请自行鉴别。
3、如文档内容存在违规,或者侵犯商业秘密、侵犯著作权等,请点击“违规举报”。

碎片内容

110KV降压变电所电气部分初步课程设计

确认删除?
VIP
微信客服
  • 扫码咨询
会员Q群
  • 会员专属群点击这里加入QQ群
客服邮箱
回到顶部