电脑桌面
添加小米粒文库到电脑桌面
安装后可以在桌面快捷访问

123化粪池施工工序资料VIP免费

123化粪池施工工序资料_第1页
1/50
123化粪池施工工序资料_第2页
2/50
123化粪池施工工序资料_第3页
3/50
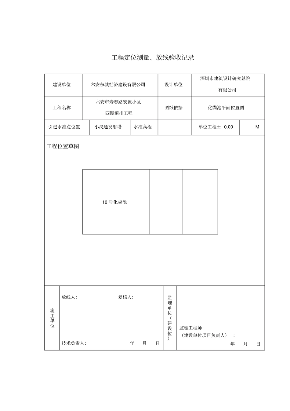
施工测量报验单工程名称:六安市寿春路安置小区四期道排工程致:铜陵市建设监理有限责任公司(监理单位)本项目经理部届时将完成41#、46#、47#楼,10#化粪池的测量工作,完成自检,测量成果符合设计和规范要求,并呈报相应资料。附件:工程定位测量、放线验收记录承包单位(章):项目经理:日期:监理核验结果及结论:项目监理机构(章):专业监理工程师:日期:工程定位测量、放线验收记录建设单位六安东城经济建设有限公司设计单位深圳市建筑设计研究总院有限公司工程名称六安市寿春路安置小区四期道排工程图纸依据化粪池平面位置图引进水准点位置小灵通发射塔水准高程单位工程±0.00M工程位置草图10号化粪池施工单位放线人:复核人:技术负责人:年月日监理单位(建设位)监理工程师:(建设单位项目负责人):年月日土方开挖报验申请表工程名称:六安市寿春路安置小区四期道排工程致:铜陵市建设监理有限责任公司(监理单位)本项目经理部届时将完成41#、46#、47#楼,10#化粪池土方开挖的测量工作,完成自检,测量成果符合设计和规范要求,并呈报相应资料。附件:土方开挖工程检验批质量验收记录表承包单位(章):项目经理:日期:监理核验结果及结论:项目监理机构(章):专业监理工程师:日期:土方开挖工程检验批质量验收记录表工程名称六安市寿春路安置小区四期道排工程分项检验批名称41#、46#、47#楼,10#化粪池土方开挖验收部位地槽开挖施工单位安徽恒伟建筑工程有限公司项目经理隗贺银分包单位分包项目经理施工执行标准名称及编号施工质量验收规范的规定施工单位检查评定记录监理(建设)单位验收记录项目允许偏差或允许值(mm)柱基基坑基槽挖方场地平整管沟地(路)面基层人工机械主控项目1标高-50±30±50-50-50-25+28-30+15-352长度、宽度(由设计中心)线向两边量)+200-50+300-100+500-150+100—+250-50+200-30+320-40+180-20+220-303边坡设计要求符合规范要求一般项目1表面平整度202050202025182015162基底土性设计要求符合要求施工单位检查评定结果专业工长(施工员)黄文开施工班组长陈文主控项目及一般项目均符合要求项目专业质量检查员:蔡潮年月日监理(建设)单位验收结论专业监理工程师:(建设单位项目专业技术负责人):年月日碎石地基报验申请表工程名称:六安市寿春路安置小区四期道排工程致:铜陵市建设监理有限公司(监理单位)我单位已完成41#、46#、47#楼,10#化粪池碎石地基工作,现报上该工程报验申请表,请予以审查和验收。附件:碎石地基分项工程检验批质量验收记录承包单位(章)项目经理日期审查意见:项目监理机构(总)专业监理工程师日期碎石地基分项工程检验批质量验收记录工程名称六安市寿春路安置小区四期道排工程检验批部位41#、46#、47#楼,10#化粪池碎石地基施工执行标准名称及编号施工单位安徽恒伟建筑工程有限公司项目经理隗贺银专业工长黄文开分包单位分包项目经理施工班组长序号施工单位检查评定记录监理(建设)单位验收记录项目允许偏差或允许值实测值主控项目1地基承载力设计要求符合要求0.972配合比设计要求符合要求1:13压实系数设计要求符合要求0.94一般项目1碎石料有机质含量≤5%符合要求2碎石料含泥量≤5%符合要求3石料粒径≤100mm符合要求4含水量(与最优含水量比较±2%符合要求5分层厚度偏差(与设计要求比较)±50mm713-6-164020311165施工单位检查评定结果主控项目及一般项目均符合要求项目技术质量检验员:蔡潮年月日监理(建设)单位验收结论监理工程师(建设单位项目专业技术负责人):年月日垫层模板报验申请表工程名称:六安市寿春路安置小区四期道排工程致:铜陵市建设监理有限公司(监理单位)我单位已完成41#、46#、47#楼,10#化粪池底层模板工作,现报上该工程报验申请表,请予以审查和验收。附件:垫层模板分项工程检验批质量验收记录承包单位(章)项目经理日期审查意见:项目监理机构(总)专业监理工程师日期模板分项工程(现浇结构模板安装)检验批质量验收记录工程名称六安市寿春路安置小区四期道排工程检验批部位41#、46#、47#楼,10#化粪池垫层模板施工执行标准名称及编号施工单位安徽恒伟建...

1、当您付费下载文档后,您只拥有了使用权限,并不意味着购买了版权,文档只能用于自身使用,不得用于其他商业用途(如 [转卖]进行直接盈利或[编辑后售卖]进行间接盈利)。
2、本站所有内容均由合作方或网友上传,本站不对文档的完整性、权威性及其观点立场正确性做任何保证或承诺!文档内容仅供研究参考,付费前请自行鉴别。
3、如文档内容存在违规,或者侵犯商业秘密、侵犯著作权等,请点击“违规举报”。

碎片内容

123化粪池施工工序资料

您可能关注的文档

确认删除?
VIP
微信客服
  • 扫码咨询
会员Q群
  • 会员专属群点击这里加入QQ群
客服邮箱
回到顶部