电脑桌面
添加小米粒文库到电脑桌面
安装后可以在桌面快捷访问

高考物理复习 实验2 探究弹力和弹簧伸长的关系教案VIP免费

高考物理复习 实验2 探究弹力和弹簧伸长的关系教案_第1页
1/8
高考物理复习 实验2 探究弹力和弹簧伸长的关系教案_第2页
2/8
高考物理复习 实验2 探究弹力和弹簧伸长的关系教案_第3页
3/8
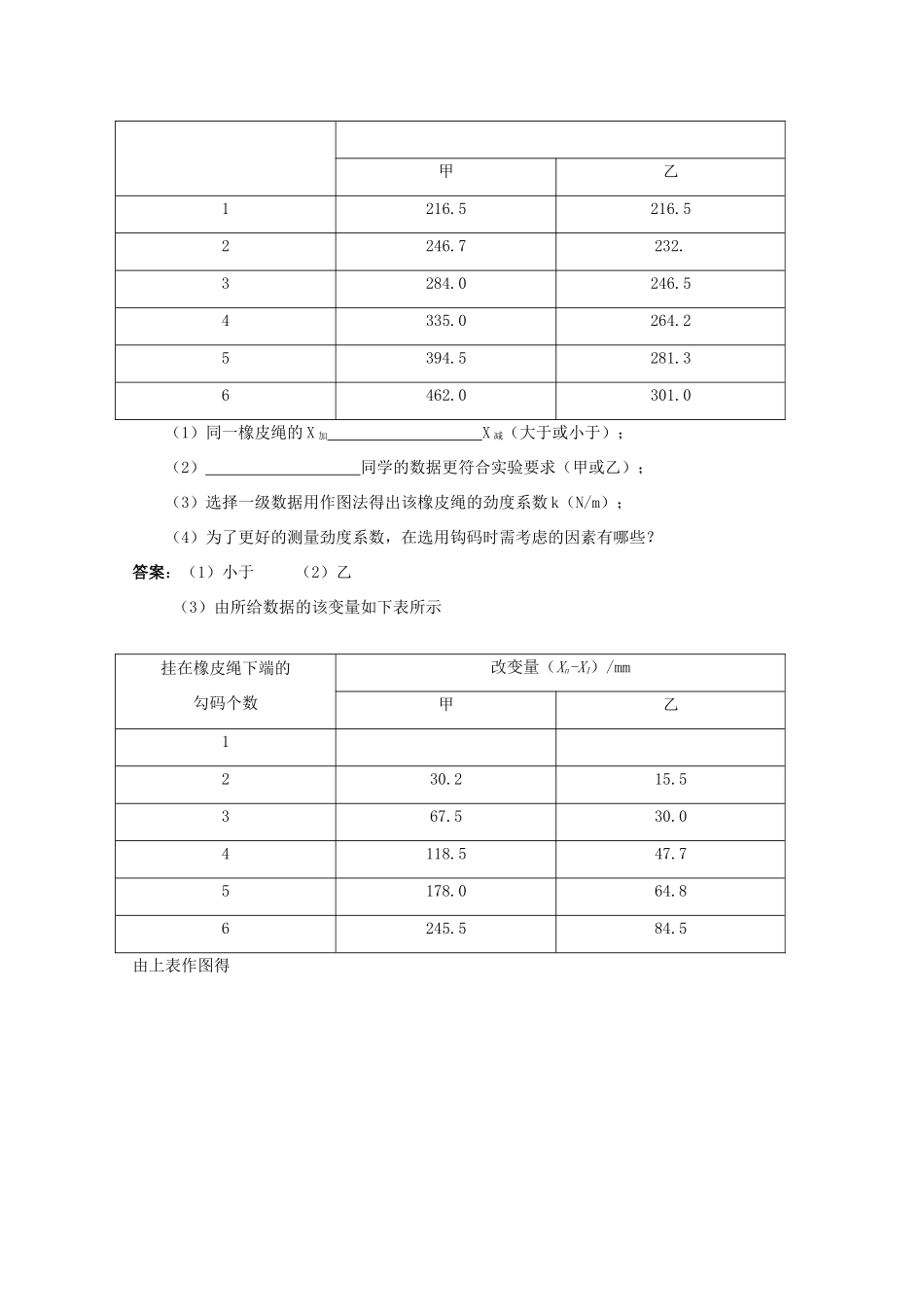
实验2探究弹力和弹簧伸长的关系1.(2010年高考福建卷第19题).(2)(6分)某实验小组研究橡皮筋伸长与所受拉力的关系。实验时,将原长约200mm的橡皮筋上端固定,在竖直悬挂的橡皮筋下端逐一增挂钩码(质量均为20g),每增挂一只钩码均记下对应的橡皮筋伸长量;当挂上10只钩码后,再逐一把钩码取下,每取下一只钩码,也记下对应的橡皮筋伸长量。根据测量数据,作出增挂钩码和减挂钩码时的橡皮筋伸长量l与拉力F关系的图像如图所示。从图像中可以得出_______。(填选项前的字母)A.增挂钩码时l与F成正比,而减挂钩码时l与F不成正比B.当所挂钩码数相同时,增挂钩码时橡皮筋的伸长量比减挂钩码时的大C.当所挂钩码数相同时,增挂钩码时橡皮筋的伸长量与减挂钩码时的相等D.增挂钩码时所挂钩码数过多,导致橡皮筋超出弹性限度答案:D【解析】(2)本题属于中等题,解题的关键在于弄清问什么两条图像会错开。实验中由于增挂钩码时所挂钩码数过多,导致橡皮筋超出弹性限度,弹簧无法及时恢复原长,两条图像才会出现差异。2.(2010年高考浙江卷第21.Ⅰ题)(10分)在“探究弹簧弹力大小与伸长量的关系”实验中,甲、乙两位同学选用不同的橡皮绳代替弹簧,为测量橡皮绳的劲度系数,他们在橡皮绳下端面依次逐个挂下钩友(每个钩友的质量均为m=0.jkg,取g=10m/s2),并记录绳下端的坐标X加(下标i表示挂在绳下端钩友个数)。然后逐个拿下钩友,同样记录绳下端面的坐标X减,绳下端面坐标的值Xi=(X加+X减)/2的数据如下表:挂在橡皮绳下端的钩码个数橡皮绳下端的坐标(X/mm)甲乙1216.5216.52246.7232.3284.0246.54335.0264.25394.5281.36462.0301.0(1)同一橡皮绳的X加X减(大于或小于);(2)同学的数据更符合实验要求(甲或乙);(3)选择一级数据用作图法得出该橡皮绳的劲度系数k(N/m);(4)为了更好的测量劲度系数,在选用钩码时需考虑的因素有哪些?答案:(1)小于(2)乙(3)由所给数据的该变量如下表所示挂在橡皮绳下端的勾码个数改变量(Xn-X1)/mm甲乙1230.215.5367.530.04118.547.75178.064.86245.584.5由上表作图得由图可得k乙=57-70(N/m)或对于甲同学的数据,因为只有前几个数据可认为在弹性范围内,由图中切线的斜率得,k甲=25-34(N/m)(4)尽可能使伸长量在弹性范围内,同时有足够大的伸长量,以减小长度测量的误差。3.2008年北京第22.⑵题:探究弹力和弹簧伸长的关系某同学和你一起探究弹力和弹簧伸长的关系,并测弹簧的劲度系数k.做法是先将待测弹簧的一端固定在铁架台上,然后将最小刻度是毫米的刻度尺竖直放在弹簧一侧,并使弹簧另一端的指针恰好落在刻度尺上.当弹簧自然下垂时,指针指示的刻度数值记作L0,弹簧下端挂一个50g的砝码时,指针指示的刻度数值记作L1;弹簧下端挂两个50g的砝码时,指针指示的刻度数值记作L2;……;挂七个50g的砝码时,指针指示的刻度数值记作L7.①下表记录的是该同学已测出的6个值,其中有两个数值在记录时有误,它们的代表符号分别是和.测量记录表:代表符号L0L1L2L3L4L5L6L7刻度数值/cm1.703.405.108.6010.312.1②实验中,L3和L2两个值还没有测定,请你根据上图将这两个测量值填入记录表中.③为充分利用测量数据,该同学将所测得的数值按如下方法逐一求差,分别计算出了三个差值:d1=L4-L0=6.90cm,d2=L5-L1=6.90cm,d3=L6-L2=7.00cm.请你给出第四个差值:d4==cm.④根据以上差值,可以求出每增加50g砝码的弹簧平均伸长量ΔL.ΔL用d1、d2、d3、d4表示的式子为:ΔL=,代入数据解得ΔL=cm.⑤计算弹簧的劲度系数k=N/m.(g取9.8m/s2)3.【答案】⑵①L5;L6因为它们读数的位数少。②6.85(6.84~6.86);14.05(14.04~14.06)③L7-L3;7.20(7.18~7.22)④;1.75⑤284.测量一轻弹簧的劲度系数2009高考四川22.(1)在弹性限度内,弹簧弹力的大小与弹簧伸长(或缩短)的长度的比值,叫做弹簧的劲度系数。为了测量一轻弹簧的劲度系数,某同学进行了如下实验设计:如图所示,将两平行金属导轨水平固定在竖直向下的匀强磁场中,金属杆ab与导轨接触良好,水平放置的轻弹簧一端固定于O点,另一端与金属杆连接并保持...

1、当您付费下载文档后,您只拥有了使用权限,并不意味着购买了版权,文档只能用于自身使用,不得用于其他商业用途(如 [转卖]进行直接盈利或[编辑后售卖]进行间接盈利)。
2、本站所有内容均由合作方或网友上传,本站不对文档的完整性、权威性及其观点立场正确性做任何保证或承诺!文档内容仅供研究参考,付费前请自行鉴别。
3、如文档内容存在违规,或者侵犯商业秘密、侵犯著作权等,请点击“违规举报”。

碎片内容

高考物理复习 实验2 探究弹力和弹簧伸长的关系教案

您可能关注的文档

确认删除?
VIP
微信客服
  • 扫码咨询
会员Q群
  • 会员专属群点击这里加入QQ群
客服邮箱
回到顶部