电脑桌面
添加小米粒文库到电脑桌面
安装后可以在桌面快捷访问

高中数学 第四章 框图 流程图习题课教案 新人教A版必修1VIP免费

高中数学 第四章 框图 流程图习题课教案 新人教A版必修1_第1页
1/5
高中数学 第四章 框图 流程图习题课教案 新人教A版必修1_第2页
2/5
高中数学 第四章 框图 流程图习题课教案 新人教A版必修1_第3页
3/5
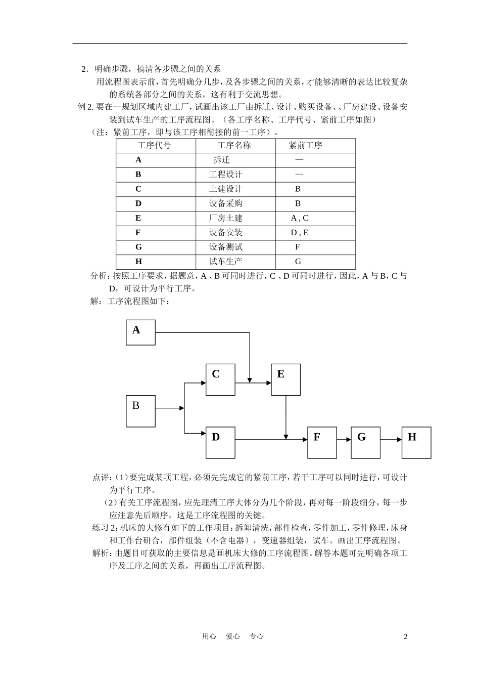
4.1.2流程图习题课教学目的:通过实例,进一步掌握程序框图、工序流程图,能绘制简单实际问题的流程图。体会流程图在解决实际问题的作用。教学重点:程序框图及发展对解决具体问题的过程与步骤进行分析的能力。教学难点:通过设计框图解决问题的过程,发展应用算法的能力。教学过程:一.复习回顾流程图是由图形符号和文字说明构成的图示,流程图可以用来表示一些动态过程,它可直观、明确的表示动态过程的开始到结束的全部步骤。下面通过实际例子看看书写流程图的技巧和几类题型。二.例题解析1.自上而下,逐步求精流程图一般按照从左到右、从上到下的顺序来写。首先把一个复杂的大问题分解为若干相对独立的小问题,然后对应每个小问题再编写成相对独立的程序,最后再把各个统一组装。例1.把一个班的学生的姓名、性别、年龄都登录下来,然后通过一定的程序把这个班女同学年龄在14到15岁之间的显示出来。点评:编制流程图时,注意自顶而下,分而治之的方法,先全局后局部,先整体后细节,先抽象后具体的逐步细化过程。这样编写的程序结构清晰,一目了然。练习1:用程序框图表示计算x+1(x>0)f(x)=0(x=0)的算法步骤。—x+1(x<0)用心爱心专心开始按顺序输入一个学生的姓名、性别、年龄是否读到全部学生已读完的结束标志?结束标志?结束这个同学是女生?这个同学年龄为14到15岁之间吗?显示这个同学的情况是12.明确步骤,搞清各步骤之间的关系用流程图表示前,首先明确分几步,及各步骤之间的关系,才能够清晰的表达比较复杂的系统各部分之间的关系,这有利于交流思想。例2.要在一规划区域内建工厂,试画出该工厂由拆迁、设计、购买设备、、厂房建设、设备安装到试车生产的工序流程图。(各工序名称、工序代号、紧前工序如图)(注:紧前工序,即与该工序相衔接的前一工序)。工序代号工序名称紧前工序A拆迁—B工程设计—C土建设计BD设备采购BE厂房土建A,CF设备安装D,EG设备测试FH试车生产G分析:按照工序要求,据题意,A、B可同时进行,C、D可同时进行,因此,A与B,C与D,可设计为平行工序。解:工序流程图如下:点评:(1)要完成某项工程,必须先完成它的紧前工序,若干工序可以同时进行,可设计为平行工序。(2)有关工序流程图,应先理清工序大体分为几个阶段,再对每一阶段细分,每一步应注意先后顺序,这是工序流程图的关键。练习2:机床的大修有如下的工作项目:拆卸清洗,部件检查,零件加工,零件修理,床身和工作台研合,部件组装(不含电器),变速器组装,试车。画出工序流程图。解析:由题目可获取的主要信息是画机床大修的工序流程图。解答本题可先明确各项工序及工序之间的关系,再画出工序流程图。用心爱心专心ABCDEFGH2点评:工序流程图的画法:(1)划分工序;(2)明确工序之间的关系;(3)画出合理的工序流程图。三.流程图的最优化问题例3.想沏壶茶喝,当时的情况是:开水没有,烧开水的壶要洗,沏茶的壶和茶杯要洗,茶叶已有,问应如何进行?(各工序所需时间分别为:洗水壶1分钟,洗茶壶、茶杯2分钟,烧开水15分钟,取茶叶1分钟,沏茶1分钟)分析:本题的最终目的是沏茶,在此之前应完成洗水壶、洗茶壶、洗茶杯、取茶叶、烧开水五件事情,不同的操作方式带来的效果可能不同。解:方案一:洗好水壶,灌入凉水,放在炉子上,打开煤气。待水烧开后,洗茶壶、茶杯、取茶叶、沏茶,用流程图表示为:方案二:先做好准备工作,即洗水壶,洗茶壶、茶杯,取茶叶,灌凉水烧开水,沏茶,将此方案用流程图表示出来,则有方案三.洗好水壶,灌入凉水烧开,在等待水开的时间内洗茶壶、茶杯,取茶叶,水开后沏茶。如图所示:用心爱心专心拆卸清洗部件检查零件加工零件修理变速器组装床身和工作台研合部件组装试车洗水壶烧开水洗茶壶,茶杯取茶叶沏茶洗水壶洗茶壶、茶杯取茶叶烧开水沏茶洗水壶烧开水沏茶洗茶壶、茶杯取茶叶3方案三还可用下图表示:点评:(1)在绘制流程图之前,要弄清实际问题的解决步骤和事物发展的过程。可以按以下步骤:①将实际问题的过程划分为若干个步骤;②理清各部分之间的顺序关系;③用简洁的语言表述各步骤;④绘制流程图,并检查是否符合实际问...

1、当您付费下载文档后,您只拥有了使用权限,并不意味着购买了版权,文档只能用于自身使用,不得用于其他商业用途(如 [转卖]进行直接盈利或[编辑后售卖]进行间接盈利)。
2、本站所有内容均由合作方或网友上传,本站不对文档的完整性、权威性及其观点立场正确性做任何保证或承诺!文档内容仅供研究参考,付费前请自行鉴别。
3、如文档内容存在违规,或者侵犯商业秘密、侵犯著作权等,请点击“违规举报”。

碎片内容

高中数学 第四章 框图 流程图习题课教案 新人教A版必修1

您可能关注的文档

确认删除?
VIP
微信客服
  • 扫码咨询
会员Q群
  • 会员专属群点击这里加入QQ群
客服邮箱
回到顶部