电脑桌面
添加小米粒文库到电脑桌面
安装后可以在桌面快捷访问

八年级物理上册 1.4《尝试科学探究》教学设计 (新版)粤教沪版-(新版)粤教沪版初中八年级上册物理教案VIP免费

八年级物理上册 1.4《尝试科学探究》教学设计 (新版)粤教沪版-(新版)粤教沪版初中八年级上册物理教案_第1页
1/6
八年级物理上册 1.4《尝试科学探究》教学设计 (新版)粤教沪版-(新版)粤教沪版初中八年级上册物理教案_第2页
2/6
八年级物理上册 1.4《尝试科学探究》教学设计 (新版)粤教沪版-(新版)粤教沪版初中八年级上册物理教案_第3页
3/6
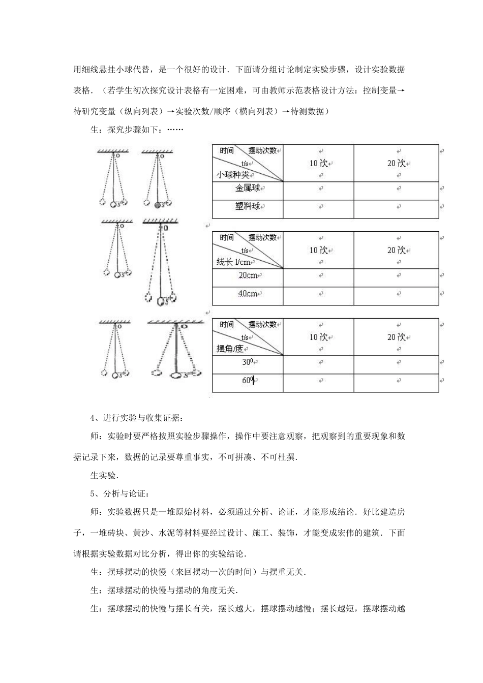
1.4尝试科学探究【教学内容】:《1.4尝试科学探究》沪科粤教版物理八年级第一章第4课(2课时)【教材分析】:本节的主要目标是让学生初步尝试进行物理问题的科学探究.教材设计了一个科学探究的案例,让学生初步亲身经历科学探究的完整过程,从中领悟到科学探究的几个基本要素,体验科学探究的乐趣.【学情分析】:本节安排在物理学入门《1.1希望你喜爱物理》和《1.2测量长度和时间》之后,在1.1节让学生走进物理世界,进而知道物理,喜爱物理之后;1.2节让学生亲身经历了物理实验,知道了什么是物理实验,物理实验并不神秘,物理就是一门实验的科学;而1.3节进而将实验提高了一个档次的要求,要求学生在物理实验中了解和初步掌握科学探究的方法.教材的安排是循序渐进、更上层楼的.教师在教学中要体会到教材编写者的意图.【教学目标】:通过科学探究,了解科学探究的过程和一般步骤.经历科学探究,获得对科学探究过程的一般性认识,领悟科学探究的几个重要环节,在科学探究过程中挖掘学生的探究能力.特别是抽象和假设检验的能力,了解科学探究的一个基本方法——变量控制法.通过科学探究活动的亲身参与,养成对科学的热爱,增强探究科学的欲望,乐于参与到科学探究活动中去,能事实求是的记录实验数据,并根据实验数据提出自己的独特见解,有与他人合作和进行交流的愿望.【教学理念】:本节课就是一个完整的科学探究活动.可放手让学生去思考、操作、讨论.实验中,不要太过要求严密(例如,规定怎样测量线长、摆动次数、实验顺序和总结报告的格式等.)教学重点:培养学生科学探究的能力.教学难点:提出问题、制定计划和设计方案.根据以上分析,本节课的教学采用探究法、讲授法相结合.【教学过程】:一、探究摆的奥秘师:科学的核心是探究,学习物理就要学会科学探究.展示摆钟实物,让学生观察+观察摆钟的外部构造.师:最近,小慧家的摆钟走快了,请邻居张师傅帮忙,只见张师傅将摆钟下面的螺母拧几下,摆钟走时就准了.1、提出问题:师:对这个现象,你想知道些什么?生:张师傅拧摆钟下面的螺母究竟调节了摆钟的什么?改变了摆钟走时的准确性?生:钟摆来回摆动的时间是由什么决定的?生:……师:提出问题是进行科学探究的第一步,伟大的科学家爱因斯坦说过,提出问题有时比解决问题更重要.同学们要仔细观察平日周围的事物,善于思考,善于提出问题.2、猜想与假设:师:对于以上问题,你们的猜想是什么?(想想看,问题的真正答案可能是什么?)生:摆动的快慢(摆来回摆动一次的时间)可能与摆锤的轻重有关.生:摆动的快慢可能与偏离的角度大小有关.生:摆锤下面的螺母位置估计会影响摆的长度,看来,摆动的快慢跟摆的长短有关.师:好,前面几位同学分别提出了他们的猜想,是否还有同学有不同的猜想和假设?如果没有,那么你赞同哪位同学的观点?(设疑)其中是只有一位同学说对了,还是有若干同学正确?切忌从老师的表情上揣度答案,这不是一种正确的科学探究态度.a、如果你认为,摆锤的轻重会影响摆动的快慢,那么是轻的快,还是重的快.b、如果你认为,摆动的角度会影响摆动的快慢,那么是摆角大的快,还是摆角小的快.c、如果你认为,百的长度会影响摆动的快慢,那么情况又是怎样的呢?生:……(思考、交流、回答)师:牛顿说,没有大胆的猜想,就作不出伟大的发现.在科学探究中,猜想不是胡猜乱想,它是以自己的经验和知识为基础作出的一种试探性的解释.3、设计实验与制定计划:师:对于以上的猜想,你们准备怎样制定计划与设计实验来验证呢?生:用细线系住小球代替钟摆,用秒表测量摆动的时间.师:设计实验应针对探究目的,选择探究的器材,在此,对具体的实物进行了简化,用细线悬挂小球代替,是一个很好的设计.下面请分组讨论制定实验步骤,设计实验数据表格.(若学生初次探究设计表格有一定困难,可由教师示范表格设计方法:控制变量→待研究变量(纵向列表)→实验次数/顺序(横向列表)→待测数据)生:探究步骤如下:……4、进行实验与收集证据:师:实验时要严格按照实验步骤操作,操作中要注意观察,把观察到的重要现象和数据记录下来...

1、当您付费下载文档后,您只拥有了使用权限,并不意味着购买了版权,文档只能用于自身使用,不得用于其他商业用途(如 [转卖]进行直接盈利或[编辑后售卖]进行间接盈利)。
2、本站所有内容均由合作方或网友上传,本站不对文档的完整性、权威性及其观点立场正确性做任何保证或承诺!文档内容仅供研究参考,付费前请自行鉴别。
3、如文档内容存在违规,或者侵犯商业秘密、侵犯著作权等,请点击“违规举报”。

碎片内容

八年级物理上册 1.4《尝试科学探究》教学设计 (新版)粤教沪版-(新版)粤教沪版初中八年级上册物理教案

您可能关注的文档

远洋启航书店+ 关注
实名认证
内容提供者

从事历史教学,热爱教育,高度负责。

确认删除?
VIP
微信客服
  • 扫码咨询
会员Q群
  • 会员专属群点击这里加入QQ群
客服邮箱
回到顶部