电脑桌面
添加小米粒文库到电脑桌面
安装后可以在桌面快捷访问

飞思卡尔k系列_ftm模块详解VIP免费

飞思卡尔k系列_ftm模块详解_第1页
1/28
飞思卡尔k系列_ftm模块详解_第2页
2/28
飞思卡尔k系列_ftm模块详解_第3页
3/28
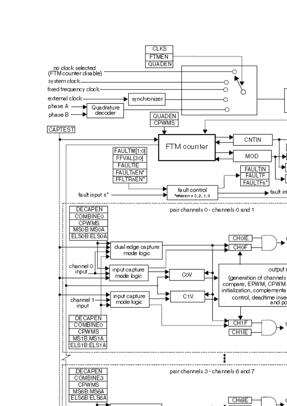
1.5FTM模块1.5.1FTM模块简介FTM模块是一个多功能定时器模块,主要功能有,PWM输出、输入捕捉、输出比较、定时中断、脉冲加减计数、脉冲周期脉宽测量。在K10中,共有FTM0,FTM1,FTM2三个独立的FTM模块。其中FTM0有8个通道,可用于电机或舵机的PWM输出,但不具备正交解码功能,也就是对旋转编码器输入的正反向计数功能。而FTM1和FTM2则具备正交解码功能,但是FTM1和FTM2各只有两个通道。FTM模块的时间基准来自一个16位的计数器,该计数器的值可读取,即可作为无符号数对待,也可作为有符号数的补码对待。1.FTM模块特性时钟源可选择,FTM的时钟源可以来自系统时钟或外部时钟。可对时钟分频,分频比为1,2,4,8,16,32,64,128。FTM的一个16位计数器,该计数器可设置为自由运行或由用户设置起始和结束值,可递增计数也可递减计数。FTM的每个通道都可以设置为输入捕捉、输出比较或边沿对其的PWM输出。在输入捕捉模式下,可捕捉上升沿、下降沿或两个边沿都捕捉,有些通道可选择输入滤波器。在输出比较模式下,在比较成功时可选择输出信号置位、清零或翻转。所有的通道都可以设置为中心对齐的PWM输出模式。每对通道都可以级联以产生PWM信号。FTM的通道可成对工作在相同输出或互补输出,也可各通道独立输出。当通道成对互补输出时可使用死区插入。可产生触发信号。软件控制PWM输出。最多4个全局错误控制使用的错误输入。每个通道的极性可设置。每个通道都可产生中断。错误条件发生时也可产生中断。同步载入或写入带缓冲的FTM寄存器。关键寄存器有写保护功能。和HS08系里的TPM兼容。对于维持在低电平或高电平的信号也可进行输入捕捉的测试。双边沿捕捉可用于脉冲或周期信号宽度测量。2.FTM模块框图由图可见,FTM模块的核心是一个16位计数器,该计数器的时钟源可以选择,如果我们选择由FTM来实现PWM,输入捕捉,或者输出比较,定时中断,脉宽测量等功能,则一般选择systemclock。这个时钟实际上就是我们前面提到的MCG模块输出的MCGOUTCLK,再由SIM模块分配后得到的BusClock。如果我们选择由FTM实现对外部脉冲的计数,也可选择外部时钟,如果是外部编码器输入的AB相脉冲,用于电机正反转测速,则可以使用PHA和PHB输入,由计数器自动加减计数。16位计数器FTMCounter每个FTM模块一个,该FTM模块的所有通道共用这一个计数器。计数器的初始值(CNTIN)和结束值(MOD)可以设置。计数器的计数方式有三种,一种是递增计数,计数器从初始值开始累加,直到结束值,在下一个时钟周期,又回到初始值,循环往复。第二种是先加后减计数,计数器从初始值开始累加,到结束值后,从下一个时钟开始递减,一直减到初始值,然后再次开始累加,循环往复运行。第三种是正交解码模式,即对外部输入的AB相脉冲计数,由FTM根据A相和B相的相位自动递增或递减计数。在这里需要注意,FTM0不具备第三种计数模式,只有FTM1和FTM2可以使用正交解码。1.5.2FTM的寄存器对FTM模块的设置和访问时都是通过FTM的寄存器来完成,下面我们就开始介绍FTM相关的寄存器。注意,FTM模块有很多寄存器的写入操作并不能立刻更新该寄存器的值,而是先写到一个缓冲器(Buffer)里,由系统在设置好的载入点(loadpoint),再配合软件或硬件触发的方式来从缓冲器更新寄存器中的值的,后面我们介绍到这些寄存器的时候会指出。另外,FTM的很多寄存器具有写保护功能,需要先把写保护打开才可以写入,这点也在后面的介绍中提到。1.状态和控制寄存器(FTMx_SC)该寄存器每个FTM模块一个,里面包含计数器溢出标志,溢出中断允许设置,计数模式设置,时钟源选择和分频设置,具体如下。TOF:定时器溢出标志,当FTM模块计数器到达MOD寄存器中设置的结束值时,无论是递增计数还是先加后减计数,在计数值从结束值变化到下一个值时,该位置1。当读取该寄存器,且该位置1时,写0可清除该标志,写1则没有效果。TOIE:定时器溢出中断使能。当TOF置1时是否触发中断。对外界固定时钟计数配合TOF和TOIE则可以实现定时中断的功能。TOIE=0:定时器溢出中断禁止;TOIE=1:定时器溢出中断使能。CPWMS:中心对齐PWM选择。这...

1、当您付费下载文档后,您只拥有了使用权限,并不意味着购买了版权,文档只能用于自身使用,不得用于其他商业用途(如 [转卖]进行直接盈利或[编辑后售卖]进行间接盈利)。
2、本站所有内容均由合作方或网友上传,本站不对文档的完整性、权威性及其观点立场正确性做任何保证或承诺!文档内容仅供研究参考,付费前请自行鉴别。
3、如文档内容存在违规,或者侵犯商业秘密、侵犯著作权等,请点击“违规举报”。

碎片内容

飞思卡尔k系列_ftm模块详解

墨香书阁+ 关注
实名认证
内容提供者

热爱教学事业,对互联网知识分享很感兴趣

确认删除?
VIP
微信客服
  • 扫码咨询
会员Q群
  • 会员专属群点击这里加入QQ群
客服邮箱
回到顶部