电脑桌面
添加小米粒文库到电脑桌面
安装后可以在桌面快捷访问

2014期末考试题一VIP免费

2014期末考试题一_第1页
1/7
2014期末考试题一_第2页
2/7
2014期末考试题一_第3页
3/7
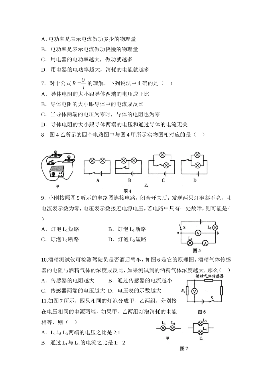
2010—2011年北京海淀区九年级物理期末考试试题物理第Ⅰ卷(共36分)一、下列各小题均有四个选项,其中只有一个选项符合题意,把正确选项填在括号内(共24分,每小题2分)1.“焦(J)”是下列哪个物理量的单位()A.电流B.电压C.电功D.电功率2.图1所示的家庭用电的一些做法中,符合安全用电原则的是()3.图2所示的四种家用电器中,利用电流热效应工作的是(4.图3所示的四个电路中,电源两端的电压相同且保持不变,已知电阻和的阻值大小关系为。在这四个电路中,总电阻最小的是()5.额定功率为800W的用电器可能是()A.家用微波炉B.电子手表C.电视机D.家用照明灯6.下列说法中,正确的是A.电功率是表示电流做功多少的物理量B.电功率是表示电流做功快慢的物理量C.用电器的电功率越大,做功就越多D.用电器的电功率越大,消耗的电能就越多7.对于公式的理解,下列说法中正确的是()A.导体电阻的大小跟导体两端的电压成正比B.导体电阻的大小跟导体中的电流成反比C.当导体两端的电压为零时,导体的电阻也为零D.导体电阻的大小跟导体两端的电压和通过导体的电流无关8.图4乙所示的四个电路图中与图4甲所示实物图相对应的是()9.小刚按照图5昕示的电路图连接电路,闭合开关后,发现两只灯泡都不亮,且电流表示数为零,电压表示数接近电源电压。若电路中只有一处故障,则可能是()A.灯泡L1短路B.灯泡L1断路C.灯泡L2断路D.灯泡L2短路10.酒精测试仪可检测驾驶员是否酒后驾车,如图6是它的原理图。酒精气体传感器的电阻与酒精气体的浓度成反比,如果测试到的酒精气体浓度越大,那么()A.传感器的电阻越大B.通过传感器的电流越小C.传感器两端的电压越大D.电压表的示数越大11.如图7所示,四只相同的灯泡分成甲、乙两组,分别接在电压相同的电源两端,如果甲、乙两组灯泡消耗的电能相等,则()A.L1与L3两端的电压之比是2:1B.通过L1与L3的电流之比是1:2C.甲组与乙组通电时间之比是1:4D.甲组与乙组的电功率之比是4:112.在图8所示的电路中,电源两端电压保持不变。闭合开关后,当滑动变阻器的滑片P由中点向右移动时,下列判断中正确的是()A.电流表和电压表的示数都增大B.电流表和电压表的示数都减小C.电流表的示数减小,电压表的示数不变D.电流表的示数减小,电压表的示数增大二、下列各小题均有四个选项,其中符合题意的选项均多于一个,把正确选项填在括号内。(共12分,每小题3分,全选对的得3分,选对但不全的得2分,有错选的不得分)13.在家庭电路中,每多使用一个用电器,会使家庭电路中的()A.总电阻增大B.总电压增大C.总电流增大D.总功率增大14.关于家庭电路及安全用电,下列说法正确的是()A.在家庭电路中要安装保险丝或空气开关B.使用测电笔时,不能用手接触到笔尾的金属体C.有金属外壳的家用电器接地线是为了保证使用安全D.家用电器是以串联方式接入电路的15.在图9所示的四个电路中,电源两端电压保持不变,若定值电阻R的阻值已知则在不拆卸元件的情况下能够测出待测电阻阻值的电路是()16.如图10所示,电源电压保持不变。只闭合开关S1时,电压表V的示数为U1,电阻1R消耗的功率1P为1.8W;只闭合开关S2、S3时,电压表V的示数为U2,电流表A1和A2的示数分别为I1和I2;所有开关都闭合时,电流表A2的示数比I2增加了0.9A。已知U1:U2=1:3,I1:I2=4:1,则()A.电阻R2和R3的比值为4:1B.电阻R1的阻值为20C.电源电压为20VD.电流表A1示数为2.4A第Ⅱ卷(共64分)三、填空题(共14分,每小题2分)17.我国家庭电路的电压是________V。18.将R1=20Ω,R2=30Ω两个电阻串联接入电路中,则电路的总电阻_____Ω。19.将电阻R1、R2并联在电源两端,通过两电阻的电流之比为2:3,则两电阻阻值之比为________。20.额定电压为6V的灯泡,正常发光时通过灯丝的电流是2A,则该灯泡的额定功率是________。21.在图11所示的电路中,定值电阻1R的阻值为60,电源电压为6V。闭合开关S后,电流表的示数为0.3A。则定值电阻R2的阻值为________Ω。22.两只定值电阻,甲标有“10Ω1A”,乙标有“15Ω0.6A”,把它们串联在电路中,若保证它们安全工作,电路两端...

1、当您付费下载文档后,您只拥有了使用权限,并不意味着购买了版权,文档只能用于自身使用,不得用于其他商业用途(如 [转卖]进行直接盈利或[编辑后售卖]进行间接盈利)。
2、本站所有内容均由合作方或网友上传,本站不对文档的完整性、权威性及其观点立场正确性做任何保证或承诺!文档内容仅供研究参考,付费前请自行鉴别。
3、如文档内容存在违规,或者侵犯商业秘密、侵犯著作权等,请点击“违规举报”。

碎片内容

2014期末考试题一

您可能关注的文档

确认删除?
VIP
微信客服
  • 扫码咨询
会员Q群
  • 会员专属群点击这里加入QQ群
客服邮箱
回到顶部