电脑桌面
添加小米粒文库到电脑桌面
安装后可以在桌面快捷访问

多回路漏电闭锁系统VIP免费

多回路漏电闭锁系统_第1页
1/4
多回路漏电闭锁系统_第2页
2/4
多回路漏电闭锁系统_第3页
3/4
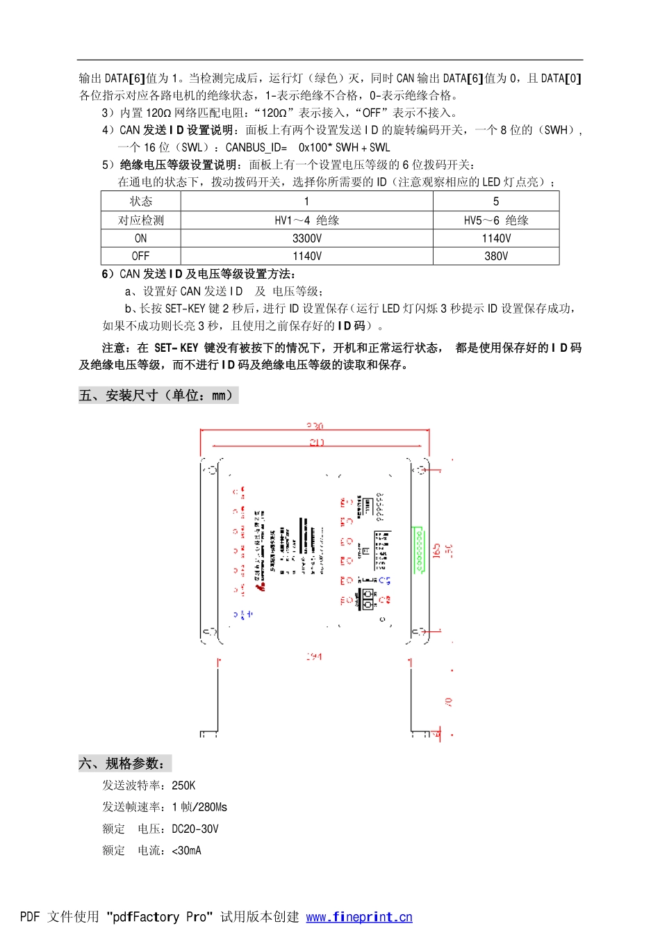
多回路漏电闭锁系统资料深圳市安贝尔科技有限公司提供一、产品描述:ALKN1-D6-T01是由深圳市安贝尔科技有限公司生产的一款多回路漏电闭锁系统,检测用电回路的接地电阻。在电机等动力设备启动前进行绝缘(接地电阻)检测,绝缘是否达标以开关量形式输出。同时采用CAN2.0协议数据输出。本系统采用工业级芯片进行数据处理,内建CAN2.0协议输出。本系统支持6回路双电压等级绝缘电阻检测,可方便地进行电压等级的切换及Id设置。高品质的选材,可靠地硬件设计,科学的软件处理,严格的工艺生产管理,保证了产品的稳定运行和出色的性能发挥。二、板面图:三、功能说明:1)端口说明脚号含义说明1VCC电源输入端DC20~30V2GND电源输入地3CANHCANBUS的H线4CANLCANBUS的L线5NC空脚6K-com输出继电器公共端PDF文件使用"pdfFactoryPro"试用版本创建www.fineprint.cn7K-cb输出继电器常闭端(绝缘不达标时断开)8K-ck输出继电器常开端(绝缘不达标时闭合)20FG地线(就近接地)21~26HV1~6:6路高压线接入端(接真空接触器后电机负荷电缆其中一相)2)典型接线3)控制逻辑:试电机的启动、停止受外部控制,为本模块不受高压影响,在K1、K2控制逻辑上必须严格遵守:1、启动电机(K2)前,应提前0.5秒断开K1,停止本模块的工作;2、停止电机(K2)后,15秒不能闭合K1,防止电机感生电能破坏本模块;3、内置(约3秒)延时检测,检测结果以启动本模块10秒后为准。4)绝缘闭锁值:1、当绝缘值小于下限值时,输出继电器动作(闭合);2、当绝缘值大于上限值(下限值的1.2~1.5倍之间某个值)时,输出继电器恢复常态(断开)。电压等级36V380V660V1140V3300V绝缘值下限(Ω)(+20%)2k(2.4k)7k(8.4k)22k(26.4k)40k(48k)100k(120k)绝缘值上限(Ω)+50%3k10.5k33k60k150k6)CAN通讯数据结构:①数据帧DATA[7]DATA[6]DATA[5]DATA[4]DATA[3]DATA[2]DATA[1]DATA[0][63:56][55:48][47:40][39:32][31:24][23:16][15:8][7:0]心跳0/1检测状态0/1保留绝缘状态指示②数据DATA[0]:绝缘状态指示Bit7Bit6Bit7Bit4Bit3Bit2Bit1Bit0----HV6绝缘HV5绝缘HV4绝缘HV3绝缘HV2绝缘HV1绝缘DATA[0]:绝缘状态指示,当检测绝缘不合格时,对应的位值为1,否则为0;DATA[5:1]:保留;DATA[6]:检测状态指示,1-表明模块正在检测中,此时DATA[0]数据无效。0-表示检测完成。DATA[7]:心跳0/1。四、使用说明1)开机上电,电源灯(红色)点亮;2)当系统电源稳定后,运行灯(绿色)点亮并有规律地闪烁,指示本模块正在检测,同时CANPDF文件使用"pdfFactoryPro"试用版本创建www.fineprint.cn输出DATA[6]值为1。当检测完成后,运行灯(绿色)灭,同时CAN输出DATA[6]值为0,且DATA[0]各位指示对应各路电机的绝缘状态,1-表示绝缘不合格,0-表示绝缘合格。3)内置120Ω网络匹配电阻:“120Ω”表示接入,“OFF”表示不接入。4)CAN发送ID设置说明:面板上有两个设置发送ID的旋转编码开关,一个8位的(SWH),一个16位(SWL):CANBUS_ID=0x100*SWH+SWL5)绝缘电压等级设置说明:面板上有一个设置电压等级的6位拨码开关:在通电的状态下,拨动拨码开关,选择你所需要的ID(注意观察相应的LED灯点亮);状态15对应检测HV1~4绝缘HV5~6绝缘ON3300V1140VOFF1140V380V6)CAN发送ID及电压等级设置方法:a、设置好CAN发送ID及电压等级;b、长按SET-KEY键2秒后,进行ID设置保存(运行LED灯闪烁3秒提示ID设置保存成功,如果不成功则长亮3秒,且使用之前保存好的ID码)。注意:在SET-KEY键没有被按下的情况下,开机和正常运行状态,都是使用保存好的ID码及绝缘电压等级,而不进行ID码及绝缘电压等级的读取和保存。五、安装尺寸(单位:mm)六、规格参数:发送波特率:250K发送帧速率:1帧/280Ms额定电压:DC20-30V额定电流:<30mAPDF文件使用"pdfFactoryPro"试用版本创建www.fineprint.cn七、使用条件:1、大气压(80~110)kPa;2、周围环境温度-5℃~+40℃;3、无破坏绝缘的气体或蒸汽的环境中;4、无滴水的地方;PDF文件使用"pdfFactoryPro"试用版本创建www.fineprint.cn

1、当您付费下载文档后,您只拥有了使用权限,并不意味着购买了版权,文档只能用于自身使用,不得用于其他商业用途(如 [转卖]进行直接盈利或[编辑后售卖]进行间接盈利)。
2、本站所有内容均由合作方或网友上传,本站不对文档的完整性、权威性及其观点立场正确性做任何保证或承诺!文档内容仅供研究参考,付费前请自行鉴别。
3、如文档内容存在违规,或者侵犯商业秘密、侵犯著作权等,请点击“违规举报”。

碎片内容

多回路漏电闭锁系统

您可能关注的文档

确认删除?
VIP
微信客服
  • 扫码咨询
会员Q群
  • 会员专属群点击这里加入QQ群
客服邮箱
回到顶部