电脑桌面
添加小米粒文库到电脑桌面
安装后可以在桌面快捷访问

机修车间骨干员工评选办法VIP免费

机修车间骨干员工评选办法_第1页
1/4
机修车间骨干员工评选办法_第2页
2/4
机修车间骨干员工评选办法_第3页
3/4
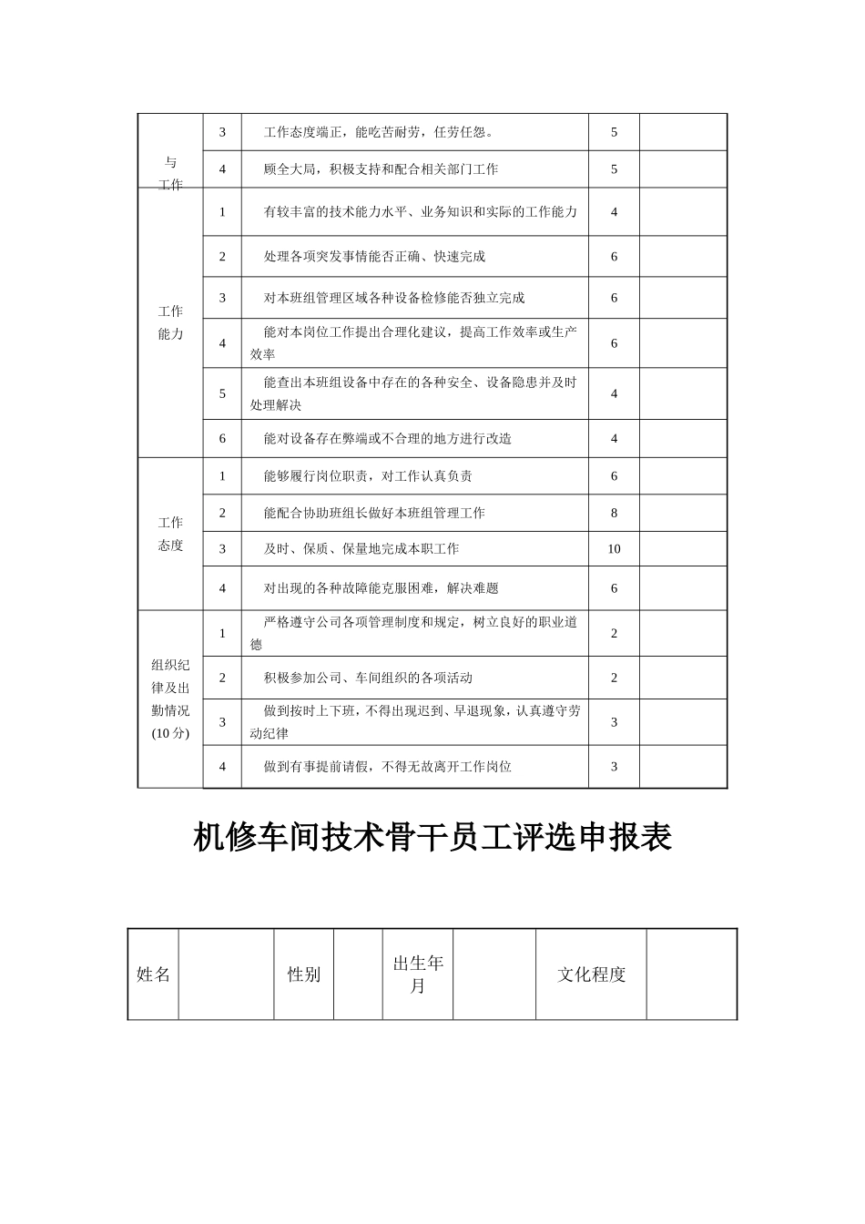
机修车间技术骨干考核评选办法一、考核目的为了建立科学、公正的技术骨干选拔制度,充分贯彻集团公司“人尽其才,以德为先”的人才理念,进一步落实“能者上、庸者下”的管理原则,激励督促职工提高个人技能水平,认真履行岗位职责,充分调动员工工作积极性,并作为车间评选技术骨干人员的依据,特制订考核评选办法。二、考核原则1、本考核制度应以提高员工工作积极性,督促员工提高个人技能水平为主要目的。2、参加本项考核人员要本着公平、公正、公开态度,根据实际情况进行考核。三、考核要求1、考核要客观、公正,不得存有偏见。2、只对考核内容内的问题进行考核。3、在进行考核时,考核人应以公正、无私、认真负责的态度做出客观评价,不得因个人因素影响测评结果。四、评选范围未享受公司各种津贴(技能津贴、学历津贴、班组长津贴)五、考核程序1、由各班组内部评选上报车间符合条件员工,并对上报员工做出评选意见。2、车间对各班组上报的员工进行统一进行公开、公正的评选,最终确定符合条件人员。3、对选定人员在车间进行公示。4、在公示期间若没有出现违章现象,则上报企管科。六、考核领导小组组长:丁建民副组长:朱鹏军组员:李开强、孙航玉、柳韧、马培刚、何辉、胡永成七、考核内容:1、参加评选人员必须遵守车间各项规章制度,服从车间及班组管理。2、在工作上坚持原则,公私分明,严于律己,不以岗谋私,不做扰乱公司、车间管理事情,不造谣、舆论。3、在本岗位上认真负责、责任心强,能立足本岗位提出有利于提高生产、设备维护的技术创新项目。4、具有独立作业能力,能够在工作中独挡一面,对上级布置的工作能够保质保量完成。5、在工作上有较强责任心,对本班组的设备管理维护能够主动进行检修作业。6、积极参加公司及车间组织的各项活动,能够以车间工作为主。7、在工作团结同事,积极协助班组长做好本班组管理工作。8、生活作风端正,能够高度认真公司企业文化,认真践行行为准则。八、车间骨干人员的考核内容(若违反下列条例,直接上报企管科撤销车间骨干人员待遇)。1、出现睡岗累计2次。2、出现重大安全隐患,出现人身伤亡事故。3、在班中及班后打架斗殴,饮酒闹事并造成恶略影响。4、影响公司、车间整体形象并造成严重后果。5、上班迟到10次,旷工累计3天。6、有盗窃公司或其他员工财产现象者。7、不服从车间及班组管理出现3次或3次以上者。后附《技术骨干员工考核评选表》《技术骨干员工评选申报表》机修车间二○一一年七月十二日技术骨干员工考核评选表考核项目序号考核标准和内容标准分考核评分政治思想素质1自觉遵守国家法律、法规和项目部的规章制度42坚持原则,公私分明,严于律己,不以岗谋私33团结同事、维护班组长管理3劳动态度1讲职业道德,遵守社会公德,维护公司形象52遵守劳动纪律,服从车间领导工作安排5与工作3工作态度端正,能吃苦耐劳,任劳任怨。54顾全大局,积极支持和配合相关部门工作5工作能力1有较丰富的技术能力水平、业务知识和实际的工作能力42处理各项突发事情能否正确、快速完成63对本班组管理区域各种设备检修能否独立完成64能对本岗位工作提出合理化建议,提高工作效率或生产效率65能查出本班组设备中存在的各种安全、设备隐患并及时处理解决46能对设备存在弊端或不合理的地方进行改造4工作态度1能够履行岗位职责,对工作认真负责62能配合协助班组长做好本班组管理工作83及时、保质、保量地完成本职工作104对出现的各种故障能克服困难,解决难题6组织纪律及出勤情况(10分)1严格遵守公司各项管理制度和规定,树立良好的职业道德22积极参加公司、车间组织的各项活动23做到按时上下班,不得出现迟到、早退现象,认真遵守劳动纪律34做到有事提前请假,不得无故离开工作岗位3机修车间技术骨干员工评选申报表姓名性别出生年月文化程度岗位在本岗位工作时间持有技能证件籍贯班组评选意见负责人:年月日车间评选意见负责人:年月日

1、当您付费下载文档后,您只拥有了使用权限,并不意味着购买了版权,文档只能用于自身使用,不得用于其他商业用途(如 [转卖]进行直接盈利或[编辑后售卖]进行间接盈利)。
2、本站所有内容均由合作方或网友上传,本站不对文档的完整性、权威性及其观点立场正确性做任何保证或承诺!文档内容仅供研究参考,付费前请自行鉴别。
3、如文档内容存在违规,或者侵犯商业秘密、侵犯著作权等,请点击“违规举报”。

碎片内容

机修车间骨干员工评选办法

您可能关注的文档

确认删除?
VIP
微信客服
  • 扫码咨询
会员Q群
  • 会员专属群点击这里加入QQ群
客服邮箱
回到顶部