电脑桌面
添加小米粒文库到电脑桌面
安装后可以在桌面快捷访问

垃圾渗滤液系统设计计算说明书VIP免费

垃圾渗滤液系统设计计算说明书_第1页
1/12
垃圾渗滤液系统设计计算说明书_第2页
2/12
垃圾渗滤液系统设计计算说明书_第3页
3/12
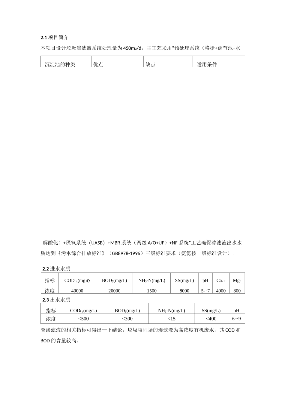
环境工程综合设计垃圾填埋场渗滤液处理站系统设计第一章绪论1.1垃圾渗滤液的产生垃圾渗滤液有四个来源:(1)垃圾自身含水;(2)垃圾生化反应产生的水;(3)地下潜水的反渗;(4)填埋场内的自然降水的地表径流。其中填埋场内的降水为主要部分。垃圾渗滤液是城市生活垃圾(有时也包含部分工业废弃物)在填埋场堆放过程中由于微生物的分解作用和受雨水淋洗以及地表水和地下水的长期浸泡而产生的高浓度有机废水。1.2垃圾渗滤液的收集方法:(1)用槽车将转运站产生的渗滤液统一运输至渗滤液处理站进行处理;(2)为防止填埋场厂区内垃圾渗滤液对地下水的污染,在填埋场区内垃圾渗滤液对厂区内渗滤液导排及收集系统,将填埋场内的渗滤液及时导出填埋场外并排入调节池,最终进入渗滤液处理站进行处理。1.3垃圾渗滤液的水质特征(1)化学成分复杂,既有有机污染物,又表现出很强的综合性污染特征(2)氨氮浓度很高,变化范围大;(3)有机污染物含量高;无机污染物组分也复杂,其主要成分受当地地能结构的,主要含有镁离子,氯离子,硫酸根例子等。(4)微生物营养元素比例失调。第二章垃圾渗滤液处理工艺流程的比较与选择2.1项目简介本项目设计垃圾渗滤液系统处理量为450m3/d,主工艺采用“预处理系统(格栅+调节池+水沉淀池的种类优点缺点适用条件解酸化)+厌氧系统(UASB)+MBR系统(两级A/O+UF)+NF系统”工艺确保渗滤液出水水质达到《污水综合排放标准》(GB8978-1996)三级标准要求(氨氮按一级标准设计)。2.2进水水质指标CODCr(mg心BOD5(mg/L)NH3-N(mg/L)SS(mg/L)pHCa2+Mg2浓度4000020000150080005〜740008002.3出水水质指标CODCr(mg/L)BOD5(mg/L)NH3-N(mg/L)SS(mg/L)pH浓度<500<300<15<4006〜9查渗滤液的相关指标可得出一下结论:垃圾填埋场的渗滤液为高浓度有机废水,其COD和BOD的含量较高。平流沉淀池1、处理水量大小不限,沉淀效果好2、对水量和温度变化的适应能力强。3、平面布置紧凑,施工方便,造价低.1、进、出水配水不易均匀。2、多斗排泥时,每个斗均需设置排泥管(阀),手动操作,工作繁杂,采用机械1、适用于地下水位高、地质条件较差的地区。2、大、中、小型污水处理工程均可采用.竖流沉淀池竖流式沉淀池效果较好,占地面积小,排泥容易水池深度大,施工困难,造价高。常用于处理水量小于2万m3/d的小型污水处理厂。适用于小型污水处理厂辐流式沉淀池辐流式沉淀池的优点是多用机械排泥,运行较好,管理较简单,排泥设备已经趋于定型机械排泥设备复杂,对施工质量要求高;1、适用于地下水位较高的地区2、适用于大中型污水处理厂2.4各类沉淀池的工艺比较由于本次渗滤液处理量为500m3/d,处理量不大,且SS的含量较高,则选择竖流式沉淀池较为适用。2.5各种厌氧工艺比较反应器优点缺点适用范围完全混合厌氧反应器(CSTR)投资小、运行管理简单容积负荷率低,效率较低,出水水质较差适用于ss含量很高的污泥处理厌氧接触反应器投资较省、运行管理简单,容积负荷率较咼,耐冲击负荷能力停留时间相对较长,出水水质相对较差适用于高浓度、高悬浮物的有机废水上流式厌氧污泥床反应器(UASB)处理效率咼,负荷能力强,在常温情况下,COD投资相对较大,对废水ss含量要求严格适用于SS含量低的有机废水处理效率咼,出水水质相对较好膨胀颗粒污泥床反应器(EGSB)处理效率咼,负荷能力强,出水水质相对较好投资相对较大,对废水SS含量要求严格适用于SS含量相对较少和浓度相对较低的有机废水1)完全混合式反应器不能在反应期内累计足够多的污泥,因此只适合于城市污水剩余污泥及各类粪便的厌氧消化处理;(2)渗滤液经预处理系统悬浮物含量较低,适用于酒精废水处理;(3)UASB上流式厌氧污泥床反应器在常温下处理COD效率高,较为适合高浓度有机废水的处理过程;(4)对于渗滤液处理则为高浓度有机废水的处理,则不适用于膨化颗粒污泥床反应器;2.5其他处理渗滤液的处理方法2.5.1膜法膜法也称膜分离技术,是利用特殊的薄膜对水中的成分进行选择性分离,包括电渗析、扩散渗析、反渗透、超滤和液体膜渗析等分离技术,其中反渗透和超滤应用最为普遍。膜分离是利用某些膜的半渗透性进行溶质...

1、当您付费下载文档后,您只拥有了使用权限,并不意味着购买了版权,文档只能用于自身使用,不得用于其他商业用途(如 [转卖]进行直接盈利或[编辑后售卖]进行间接盈利)。
2、本站所有内容均由合作方或网友上传,本站不对文档的完整性、权威性及其观点立场正确性做任何保证或承诺!文档内容仅供研究参考,付费前请自行鉴别。
3、如文档内容存在违规,或者侵犯商业秘密、侵犯著作权等,请点击“违规举报”。

碎片内容

垃圾渗滤液系统设计计算说明书

您可能关注的文档

确认删除?
VIP
微信客服
  • 扫码咨询
会员Q群
  • 会员专属群点击这里加入QQ群
客服邮箱
回到顶部