电脑桌面
添加小米粒文库到电脑桌面
安装后可以在桌面快捷访问

6S行动化全程诊断表解读VIP免费

6S行动化全程诊断表解读_第1页
1/50
6S行动化全程诊断表解读_第2页
2/50
6S行动化全程诊断表解读_第3页
3/50
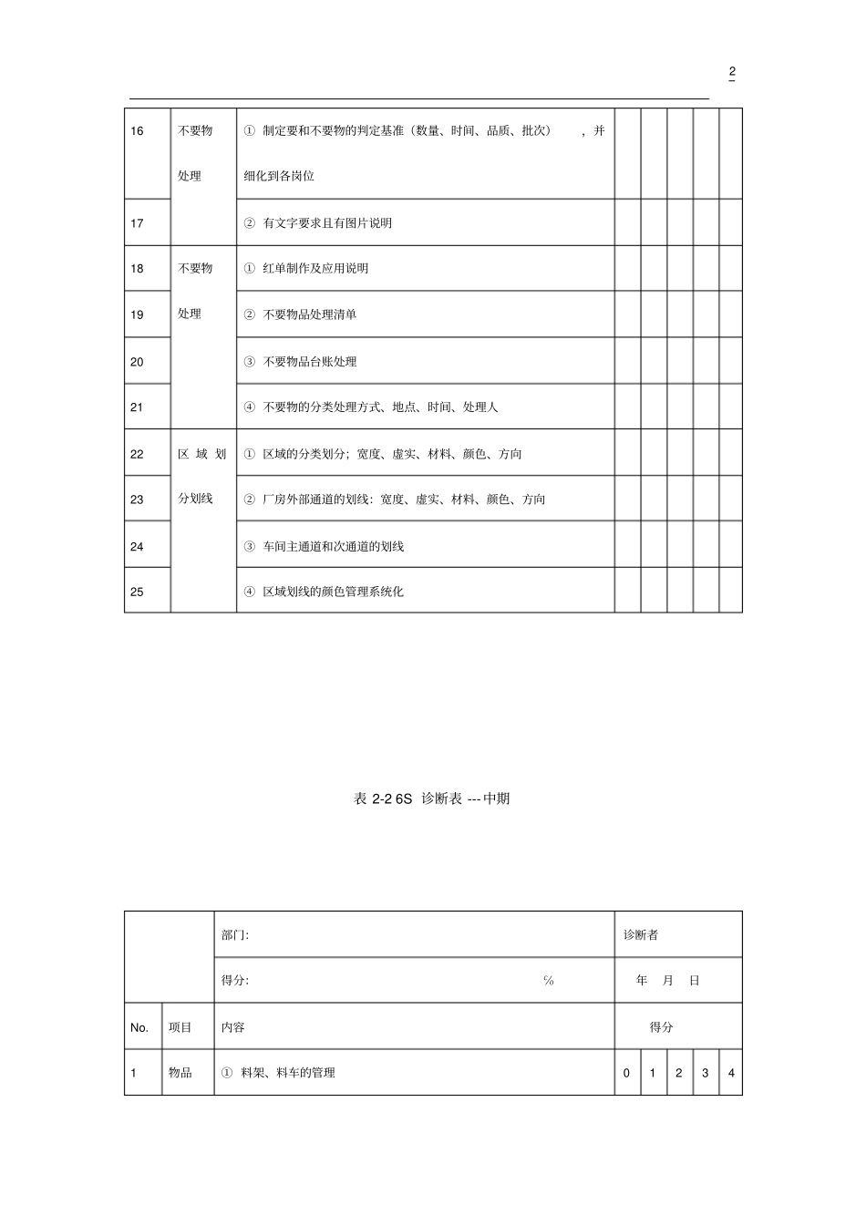
1表2-16S行动化诊断表---前期部门:诊断者得分:℅年月日NO.项目内容得分012341组织策划①公司现状的定期诊断(高阶主管参与诊断)2②6S推行组织图和组织指责的确定(明确方针、目标)3③制作各小组负责区域平面图4④明确具体负责人,负责人变更时,及时变更5教育训练①6S宣传栏,6S简报6②推行手册的规范要求和6S知识竞赛7③6S精益管理活动园地,成果发布8④漫画、标语活动9⑤员工训练(有系统的教材)10定点摄影定点摄影的问题收集11着装礼仪①服装仪容规范看板(细化到各单位的要求)12②有正反图例展示说明13③礼仪活动内容看板(配合专项的主题活动开展)14④礼仪活动开展15⑤班前(班后)会的开展(有规范的记录表单及相应的跟踪反馈)216不要物处理①制定要和不要物的判定基准(数量、时间、品质、批次),并细化到各岗位17②有文字要求且有图片说明18不要物处理①红单制作及应用说明19②不要物品处理清单20③不要物品台账处理21④不要物的分类处理方式、地点、时间、处理人22区域划分划线①区域的分类划分;宽度、虚实、材料、颜色、方向23②厂房外部通道的划线:宽度、虚实、材料、颜色、方向24③车间主通道和次通道的划线25④区域划线的颜色管理系统化表2-26S诊断表---中期部门:诊断者得分:℅年月日No.项目内容得分1物品①料架、料车的管理0123432管理②工具架、工具车规范3③工作台、工作桌4④更衣柜、鞋柜、茶几柜5⑤清扫工具柜6⑥消防工具柜7⑦物品放置容器(规格、颜色、完整性、流转性、编号、整洁度)8⑧搬运工具、搬运车辆9⑨公布栏(栏目、公布时间、责任人)10⑩看板(用途、材料、地点、负责人)11⑾问题票袋的管理12物品定位①设备(特别是移动设备)13②各种柜、架、工作台14③工作用脚凳15④办公用品16⑤消防器具(区域颜色、使用标示)17⑥物料的定位(不良品、良品、待用品等的区分)18⑦配电柜、高温处、危险处19⑧搬运、走动等须留意的台阶、门槛20⑨公告栏的分区21⑩开门线22⑾出入线23⑿搬运车位置424⒀垃圾箱定位25物品数量①物料的最高、最低的存放管制26②堆放限高量27③搬运工具数量28④工具数量29⑤物品数量视具体情况作调整30标识①公司区域图31②车间流程图32③门牌标示(编号、颜色、名称、材料)33④生产线的编号,名称指示34⑤工、器具标示(续上)表2-26S诊断表---中期部门:诊断者得分:℅年月日NO.项目内容得分35标识(6)办公用品标识01234536(7)资料柜、文件夹等标识37(8)仓储平面示意图38(9)作业标准39(10)机器状态标识40(11)离墙距离标识41(12)限高标识42(13)物品标识43(14)管路颜色标识44(15)管路名称、流向45(16)控制开关标识46(17)阀门的开、关标识47(18)转动部分转向标识48(19)控制仪表的颜色标识49(20)暂放标识50(21)具体负责人标识51(22)安全警示标识备注:评分原则没要求没执行0部分要求部分执行1有要求执行不到位2有要求执行好3没要求有执行46表2-36S行动化诊断表---后期部门:诊断者得分:年月日No.项目内容得分012341点检①立清扫点检基准(八定:定点、定项、定标、定周期、定法、定人、定表、定记录)72②备的点检指导书3③备的点检图和线路4④设备的点检记录5⑤料架的点检基准6⑥工具的点检基准7⑦环境条件的点检基准(温度、湿度、无尘)8⑧人员规范的点检9责任感①交接责任的管理(程序、交接表)10②建立一物一事一人的责任链11检查评比①细化及制定现场评比标准12②视情况制定不同的自检表13③参照查检表对所属区域进行检查、总结、改进14④各小组加权系数的设定15⑤岗位自查及填写问题单16⑥班组检查17⑦评比委员的评比18⑧分数的统计配合图片公布19阶段总结①员工意识和做法上的问题收集及解答20②阶段性的归纳总结,举行公司性的活动成果表彰会21持续改善①问题点的收集统计22②问题点的分类和制定相应措施23③问题点的发布和检讨改善824④改善效果确认及定期发布25⑤岗位6S(文字及图片说明)26⑥6S标准化(按各单位将规范系统整理)表2-4样板车间问题点诊断表序号图片地点问题点改善措施负责人整改限期检查人备注12349510表2-56S精益管理活动推行计划阶段项次项目三月四月五月六月七月八月九月准备阶...

1、当您付费下载文档后,您只拥有了使用权限,并不意味着购买了版权,文档只能用于自身使用,不得用于其他商业用途(如 [转卖]进行直接盈利或[编辑后售卖]进行间接盈利)。
2、本站所有内容均由合作方或网友上传,本站不对文档的完整性、权威性及其观点立场正确性做任何保证或承诺!文档内容仅供研究参考,付费前请自行鉴别。
3、如文档内容存在违规,或者侵犯商业秘密、侵犯著作权等,请点击“违规举报”。

碎片内容

6S行动化全程诊断表解读

您可能关注的文档

确认删除?
VIP
微信客服
  • 扫码咨询
会员Q群
  • 会员专属群点击这里加入QQ群
客服邮箱
回到顶部