电脑桌面
添加小米粒文库到电脑桌面
安装后可以在桌面快捷访问

A1包、灯光音响工程VIP免费

A1包、灯光音响工程_第1页
1/5
A1包、灯光音响工程_第2页
2/5
A1包、灯光音响工程_第3页
3/5
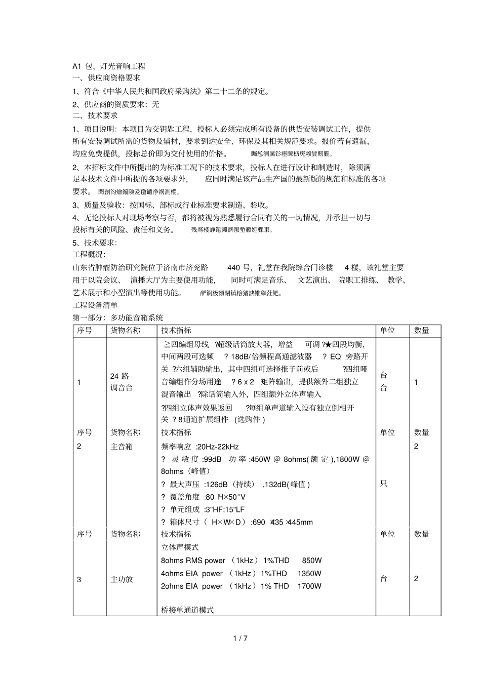
1/7A1包、灯光音响工程一、供应商资格要求1、符合《中华人民共和国政府采购法》第二十二条的规定。2、供应商的资质要求:无二、技术要求1、项目说明:本项目为交钥匙工程,投标人必须完成所有设备的供货安装调试工作,提供所有安装调试所需的货物及辅材,要求到达安全、环保及其相关规范要求。报价若有遗漏,均应免费提供,投标总价即为交付使用的价格。矚慫润厲钐瘗睞枥庑赖賃軔朧。2、本招标文件中所提出的为标准工况下的技术要求,投标人在进行设计和制造时,除须满足本技术文件中所提的各项要求外,应同时满足该产品生产国的最新版的规范和标准的各项要求。聞創沟燴鐺險爱氇谴净祸測樅。3、质量及验收:按国标、部标或行业标准要求制造、验收。4、无论投标人对现场考察与否,都将被视为熟悉履行合同有关的一切情况,并承担一切与投标有关的风险、责任和义务。残骛楼諍锩瀨濟溆塹籟婭骒東。5、技术要求:工程概况:山东省肿瘤防治研究院位于济南市济兖路440号,礼堂在我院综合门诊楼4楼,该礼堂主要用于以院会议、演播大厅为主要使用功能,同时可满足音乐、文艺演出、院职工排练、教学、艺术展示和小型演出等使用功能。酽锕极額閉镇桧猪訣锥顧荭钯。工程设备清单第一部分:多功能音箱系统序号货物名称技术指标单位数量124路调音台≧四编组母线?超级话筒放大器,增益可调?★四段均衡,中间两段可选频?18dB/倍频程高通滤波器?EQ旁路开关?六组辅助输出,其中四组可选择推子前或后?四组哑音编组作分场用途?6x2矩阵输出,提供额外二组独立混音输出?除话筒输入外,四组额外立体声输入?四组立体声效果返回?每组单声道输入设有独立倒相开关?8通道扩展组件(选购件)台台1序号货物名称技术指标单位数量2主音箱频率响应:20Hz-22kHz?灵敏度:99dB功率:450W@8ohms(额定),1800W@8ohms(峰值)?最大声压:126dB(持续),132dB(峰值)?覆盖角度:80°H×50°V?单元组成:3"HF;15"LF?箱体尺寸(H×W×D):690×435×445mm只2序号货物名称技术指标单位数量3主功放立体声模式8ohmsRMSpower(1kHz)1%THD850W4ohmsEIApower(1kHz)1%THD1350W2ohmsEIApower(1kHz)1%THD1700W桥接单通道模式台22/78ohmsEIA(1kHz)1%THD2750W4ohmsEIA(1kHz)1%THD3400W技术参数:信号增益在8欧40dB总谐波失真THD+N(8ohms1kHzIn1/4Outpower)<0.08%阻尼系数(8ohms1k)>250输入阻抗(ba/unbalal)20k/10k产品尺寸:标准机柜型4低音音箱频率响应:18Hz-300Hz?灵敏度:99dB?功率:600W@8ohms(额定),2400W@8ohms(峰值)?最大声压:127dB(持续),133dB(峰值)?单元组成:18”LFconedriver?箱体尺寸:700×520×700mm只2序号货物名称技术指标单位数量5返送音箱频率响应:20Hz-22kHz?灵敏度:96dB?功率:350W@8ohms(额定),1400W@8ohms(峰值)?最大声压级:122dB(持续),128dB(峰值)?覆盖角度:80°H×50°V?单元组成:1"HFcompressiondriver(horn-load),12"LFconedriver?箱体尺寸:572×398×366mm只26功放性能特点:立体声模式(每通道的输出功率)8ohmsRMS(1kHz)1%THD650W4ohmsEIA(1kHz)1%THD1050W2ohmsEIA(1kHz)1%THD1300W桥接单通道模式8ohmsEIA(1kHz)1%THD2100W4ohmsEIA(1kHz)1%THD2500W技术参数:信号增益(在8欧38dB信噪比>90dB输入灵敏度26dB/32dB/38dB总谐波失真THD+N(8ohms1kHzIn1/4Outpower)<0.03%阻尼系数(8ohms1k)>180输入阻抗20k/10k产品尺寸:(H×W×D)89×483×496台2序号货物名称技术指标单位数量7环绕音箱技术参数:?频率响应:55Hz-18kHz只23/7?灵敏度:98dB?功率:350W@8ohms(额定),1400W@8ohms(峰值)?最大声压:123dB(持续),129dB(峰值)?覆盖角度:80°H×50°V?单元组成:1.75"HFcompressiondriver(horn-load);12"LFconedriver?箱体尺寸(H×W×D):575×365×365mm8音频处理器输入≧6输出前面板可编程输出可分配到任意输入分频、均衡器、延时和限幅,功能林克威兹-瑞利滤波器,贝塞尔滤波器和巴特沃斯滤波器斜率为12dB/Oct,18dB/Oct,24dB/Oct和48dB/Oct均衡滤波器:范围为1/64Oct~4Oct每个输入和输出都有限幅器单独的测量平衡XLR音频接口产品尺寸:标准机柜型台19均衡器+/-6dB和+/-15dB、电...

1、当您付费下载文档后,您只拥有了使用权限,并不意味着购买了版权,文档只能用于自身使用,不得用于其他商业用途(如 [转卖]进行直接盈利或[编辑后售卖]进行间接盈利)。
2、本站所有内容均由合作方或网友上传,本站不对文档的完整性、权威性及其观点立场正确性做任何保证或承诺!文档内容仅供研究参考,付费前请自行鉴别。
3、如文档内容存在违规,或者侵犯商业秘密、侵犯著作权等,请点击“违规举报”。

碎片内容

A1包、灯光音响工程

确认删除?
VIP
微信客服
  • 扫码咨询
会员Q群
  • 会员专属群点击这里加入QQ群
客服邮箱
回到顶部