电脑桌面
添加小米粒文库到电脑桌面
安装后可以在桌面快捷访问

压力容器外观及几何尺寸允许偏差VIP免费

压力容器外观及几何尺寸允许偏差_第1页
1/5
压力容器外观及几何尺寸允许偏差_第2页
2/5
压力容器外观及几何尺寸允许偏差_第3页
3/5
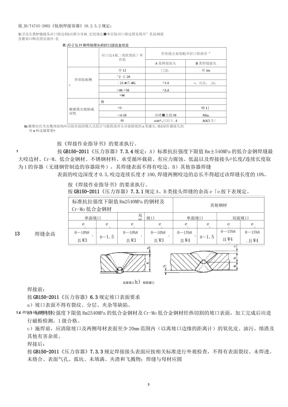
1压力容器外观及几何尺寸控制规定序号检查项目标准规定1产品□总长□总高mm卧式容器按总长,立式容器按总咼。2壳体内径mm按GB/T151-2014《热交换器》8.2.1规定圆筒内直径允许偏差。a)用板材卷制时,内直径允许偏差可通过外圆周长加以控制,其外圆周长允许上偏差为10;下偏差为0。b)用钢管作圆筒时,其尺寸允许偏差应符合相应管子的标准要求。3壳体长度mm按GB150-2011《压力容器》10.2.4.5规定筒节长度应W300。组装时,相邻筒节A类接头焊缝中心线间外圆弧长以及封头A类接头焊缝中心线与相邻筒节A类接头焊缝中心线间外圆弧长应〉钢材厚度§的3倍,且W100。4壳体直线度mm按GB150-2011《压力容器》6.5.4规定除图样另有规定外,壳体直线度允差应才壳体长度的1%o。当直立容器的壳体长度〉30m时,其壳体直线度允差应2(0.5L/1000)+15。注:壳体直线度检查是通过中心线的水平和垂直面,即沿圆周0°、90°、180°、270°四个部位进行测量。测量位置与筒体纵向接头焊缝中心线的距离W100。当壳体厚度不同时,计算直线度时应减去厚度差。按NB/T47041-2014《塔式容器》表16中的第二条直线度允差。a)任意3000长度筒体直线度偏差W3;b)圆筒总长度LW30000时,总偏差WL%o;L>30000时,总偏差W0.5L%+15按GB/T151-2014《热交换器》8.2.3规定圆筒直线度允许偏差为WL%。,且:当LW6000时,其值三4.5;L>6000时,其值三8。5壳体圆度mm按GB150-2011《压力容器》6.5.10规定承受内压的容器组装完成后,按要求检查壳体的圆度。a)壳体同一断面上最大内径与最小内径之差应才1%Di(对锻焊容器为1%。),且才25;b)当被检断面与开孔中心的距离小于开孔直径时,则该断面上最大内径与最小内径之差应才1%Di(对锻焊容器为1%。)与开孔直径的2%之和,且才25。按GB/T151-2014《热交换器》8.2.2规定圆筒同一断面上,最大直径与最小直径之差为eW0.5%DN,且:a)当DNW1200时,e>5;b)DN>1200~2000时,e才7;c)DN>2000~2600时,d才12;b)DN>2600~3200时,e才14;6冷卷筒节投料的钢材厚度mm按GB150-2011《压力容器》6.2.1规定制造中应避免材料表面的机械损伤。对于尖锐伤痕以及不锈钢容器耐腐蚀表面的局部伤痕、刻槽等缺陷应予修磨,修磨斜度最大为1:3。修磨深度应才该部位钢材厚度的5%,且才2,否则应予补焊。对于复合板的成形件、堆焊件以及金属衬里层,其修磨深度才覆层(或堆焊层、衬里)厚度的30%,且才1,否则应予补焊。7封头成型后最小厚度mm按封头工艺文件中的要求执行。8封头内表面形状偏差mm按GB/T25198-2010《压力容器封头》6.3.8规定按封头标准断面形状线向内缩进一定尺寸(视封头大小而定,以不影响测量形状公差为宜)作为间隙样板轮廓。检查时应使样板垂直于待测表面。封头内表面形状偏差应符合以下要求:样板与封头内表面的最大间隙:外凸才1.25%Di内凹才0.625Di9封头直边纵向皱折深度mm按GB/T25198-2010《压力容器封头》6.3.10规定封头的直边部分不得存在纵向皱折。21A类、B类焊缝最大棱角度mm1A类、B类焊缝最大错边量mmS7不等厚度的»奨埠接接头以巫囲简与球腿封买相誉炯A类岸接按头蛙疑型式W,2.5.3症焊按接头环向够成的檯角E,用繭托等于庞内径艮,垃芋叩十300mm的内样极或外样板柚査{见图10-4),^值不应大于⑴」&+2)mnH冃.石大于斗mm。在焊接接丟辅向刑戒的楼博巫(见图山■知,用検度不小厂加加肝的宵尺检杳,比占價不应大于询+1也+2}mm,且不大于4tmir按《压力容器通用工艺规程》2.1规定对接在平板状态下拼接时,对口错边量按下表对口处钢材厚度5对口错边量b5<12<0.512V5W20<120V5W50<35>50<1/165且才10按GB150-2011《压力容器》6.5.1规定A、B类焊接接头对口错边量b-应符合下表的规定。锻焊容器B类焊接接头对口错边量b应才1/85,且才5。复合钢板的口错边量b才钢板复层厚度的50%,且才对口处钢材厚度按GB150-2011《压力容器》6.5.2规定在焊接接头环向形成的棱角E,用弦长=1/6Di,且《300的内样板或外样板检查,其E才5/10+2,且才5;在焊接接头轴向形成的棱角E,用长度《300的直尺检查,其E才5/10+2,且才5。6.5.3E类焊接接头旦圧悯筒与球理封头相连的丸类綽接接头■肖两轉钢就關度不等肘*若蒲粗厚度札1WKmm...

1、当您付费下载文档后,您只拥有了使用权限,并不意味着购买了版权,文档只能用于自身使用,不得用于其他商业用途(如 [转卖]进行直接盈利或[编辑后售卖]进行间接盈利)。
2、本站所有内容均由合作方或网友上传,本站不对文档的完整性、权威性及其观点立场正确性做任何保证或承诺!文档内容仅供研究参考,付费前请自行鉴别。
3、如文档内容存在违规,或者侵犯商业秘密、侵犯著作权等,请点击“违规举报”。

碎片内容

压力容器外观及几何尺寸允许偏差

您可能关注的文档

确认删除?
VIP
微信客服
  • 扫码咨询
会员Q群
  • 会员专属群点击这里加入QQ群
客服邮箱
回到顶部