电脑桌面
添加小米粒文库到电脑桌面
安装后可以在桌面快捷访问

螺丝及沉头孔尺寸规格表VIP免费

螺丝及沉头孔尺寸规格表_第1页
1/5
螺丝及沉头孔尺寸规格表_第2页
2/5
螺丝及沉头孔尺寸规格表_第3页
3/5
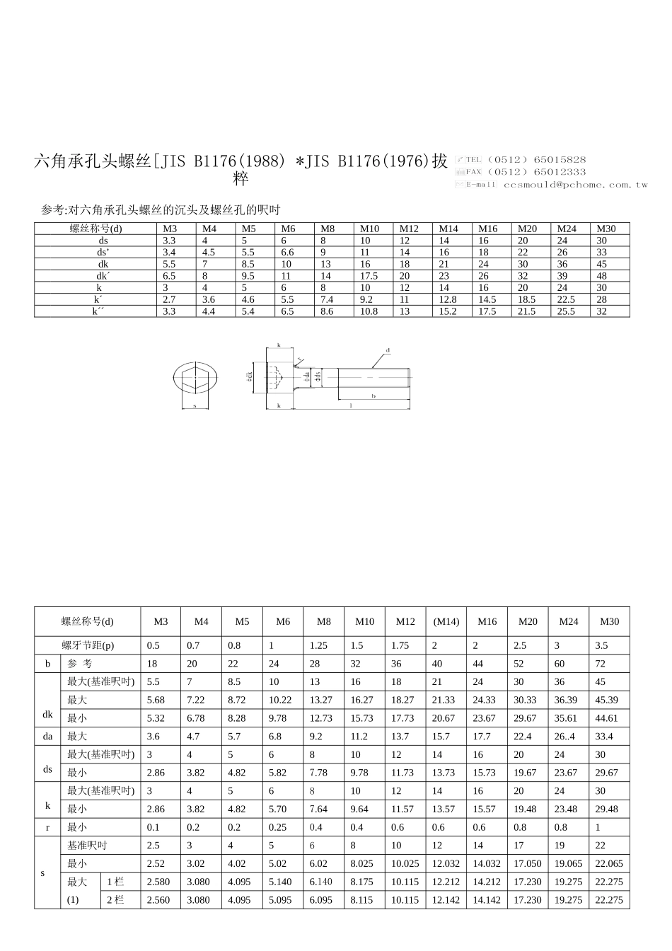
螺丝及沉头孔尺寸表规格螺丝头直径螺丝头厚度螺丝杆直径沉头孔直径沉头孔深度通过孔直径M23.84.53.02.5M35.56.03.53.5M47.07.54.54.5M58.59.05.55.5M610.065.8116.56.5M812.087.8138.58.5M1015.0109.81610.510.5M1217.812.511.81912.512.5M14M16241615.92616.517M18M20M22M24六角承孔头螺丝[JISB1176(1988)*JISB1176(1976)拔粹参考:对六角承孔头螺丝的沉头及螺丝孔的呎吋螺丝称号(d)M3M4M5M6M8M10M12(M14)M16M20M24M30螺牙节距(p)0.50.70.811.251.51.75222.533.5b参考182022242832364044526072dk最大(基准呎吋)5.578.5101316182124303645最大5.687.228.7210.2213.2716.2718.2721.3324.3330.3336.3945.39最小5.326.788.289.7812.7315.7317.7320.6723.6729.6735.6144.61da最大3.64.75.76.89.211.213.715.717.722.426..433.4ds最大(基准呎吋)3456810121416202430最小2.863.824.825.827.789.7811.7313.7315.7319.6723.6729.67k最大(基准呎吋)3456810121416202430最小2.863.824.825.707.649.6411.5713.5715.5719.4823.4829.48r最小0.10.20.20.250.40.40.60.60.60.80.81s基准呎吋2.534568101214171922最小2.523.024.025.026.028.02510.02512.03214.03217.05019.06522.065最大(1)1栏2.5803.0804.0955.1406.1408.17510.11512.21214.21217.23019.27522.2752栏2.5603.0804.0955.0956.0958.11510.11512.14214.14217.23019.27522.275螺丝称号(d)M3M4M5M6M8M10M12M14M16M20M24M30ds3.3456810121416202430ds’3.44.55.56.6911141618222633dk5.578.5101316182124303645dk´6.589.5111417.5202326323948k3456810121416202430k´2.73.64.65.57.49.21112.814.518.522.528k´´3.34.45.46.58.610.81315.217.521.525.532t最小1.322.5345688101215.5(1)S(最大)之第1栏,适用于强度区分8.8及10.9者及形状区分A2-50,A2-70者,第2栏适用于强度区分12.9者,可依供需双方协议,将强度区分12.9者适用第一栏.螺丝称号M20以上的S(最大),可适用于全部强度区分及性情区分者.(2)头部侧面应施予直条刻纹等压在刻纹[JISB0591(金花刻纹)],此时,dk(最大)为本表所示,**记号的数值,不需压花刻纹者,由订购人径行指定.此时的dk(最大)为本表所示附*记号的数值.标准螺距表M1*0.25;M1.2*0.25;M1.6*0.35;M2*0.4;M2.5*0.45;M3*0.5;M4*0.7;M5*0.8;M6*1;M8*1.25;M10*1.5;M12*1.75;M14*2;M16*2;M18*2.5;M20*2.5;M22*2.5;M24*3;M27*3;M30*3.5;M33*3.5;M36*4;M42*4.5;M48*5;M56*5.5;M64*6;M72*6;M80*6;M90*6;M100*6常用螺丝及沉头孔尺寸表规格螺丝头直径螺丝头厚度螺丝杆直径沉头孔直径沉头孔深度通过孔直径M23.84.53.02.5M35.56.03.53.5M47.07.54.54.5M58.59.05.55.5M610.065.8116.56.5M812.087.8138.58.5M1015.0109.81610.510.5M1217.812.511.81912.512.5M14M16241615.92616.517M18M20M22M24六角承孔头螺丝[JISB1176(1988)*JISB1176(1976)拔粹参考:对六角承孔头螺丝的沉头及螺丝孔的呎吋螺丝称号(d)M3M4M5M6M8M10M12M14M16M20M24M30ds3.3456810121416202430ds’3.44.55.56.6911141618222633dk5.578.5101316182124303645dk´6.589.5111417.5202326323948k3456810121416202430k´2.73.64.65.57.49.21112.814.518.522.528k´´3.34.45.46.58.610.81315.217.521.525.532螺丝称号(d)M3M4M5M6M8M10M12(M14)M16M20M24M30螺牙节距(p)0.50.70.811.251.51.75222.533.5b参考182022242832364044526072dk最大(基准呎吋)5.578.5101316182124303645最大5.687.228.7210.2213.2716.2718.2721.3324.3330.3336.3945.39最小5.326.788.289.7812.7315.7317.7320.6723.6729.6735.6144.61da最大3.64.75.76.89.211.213.715.717.722.426..433.4ds最大(基准呎吋)3456810121416202430最小2.863.824.825.827.789.7811.7313.7315.7319.6723.6729.67k最大(基准呎吋)3456810121416202430最小2.863.824.825.707.649.6411.5713.5715.5719.4823.4829.48r最小0.10.20.20.250.40.40.60.60.60.80.81s基准呎吋2.534568101214171922最小2.523.024.025.026.028.02510.02512.03214.03217.05019.06522.065最大(1)1栏2.5803.0804.0955.1406.1408.17510.11512.21214.21217.23019.27522.2752栏2.5603.0804.0955.0956.0958.11510.11512.14214.14217.23019.27522.275t最小1.322.5345688101215.5(1)S(最大)之第1栏,适用于强度区分8.8及10.9者及形状区分A2-50,A2-70者,第2栏适用于强度区分12.9者,可依供需双方协议,将强度区分12.9者适用第一栏.螺丝称号M20以上的S(最大),可适用于全部强度区分及性情区分者.(2)头部侧面应施予直条刻纹等压在刻纹[JISB0591(金花刻纹)],此时,dk(最大)为本表所示,**记号的数值,不需压花刻纹者,由订购人径行指定.此时的dk(最大)为本表所示附*记号的数值.

1、当您付费下载文档后,您只拥有了使用权限,并不意味着购买了版权,文档只能用于自身使用,不得用于其他商业用途(如 [转卖]进行直接盈利或[编辑后售卖]进行间接盈利)。
2、本站所有内容均由合作方或网友上传,本站不对文档的完整性、权威性及其观点立场正确性做任何保证或承诺!文档内容仅供研究参考,付费前请自行鉴别。
3、如文档内容存在违规,或者侵犯商业秘密、侵犯著作权等,请点击“违规举报”。

碎片内容

螺丝及沉头孔尺寸规格表

确认删除?
VIP
微信客服
  • 扫码咨询
会员Q群
  • 会员专属群点击这里加入QQ群
客服邮箱
回到顶部