电脑桌面
添加小米粒文库到电脑桌面
安装后可以在桌面快捷访问

PLC技术期末试卷B答案VIP专享VIP免费

PLC技术期末试卷B答案_第1页
1/12
PLC技术期末试卷B答案_第2页
2/12
PLC技术期末试卷B答案_第3页
3/12
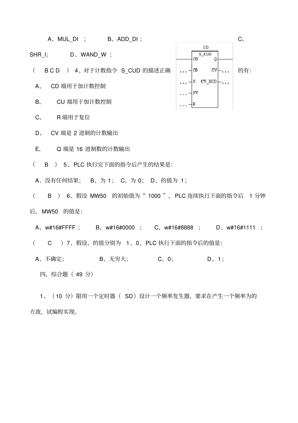
一、填充题:(每空1分,总26分)1、可编程逻辑控制器简称:PLC。2、313C型CPU属于300(200、300、400、500)系列的CPU。3、“c#12”表示计数器的计数值是:十进制的十二。4、S7-300PLC的状态字里的RLO位是逻辑操作结果位的意思。5、西门子PLC的CPU从总体上可大概分为200、300、400三个系列。7、构成一个简单的PLC控制单元,一般至少由电源、CPU、I/O三种模块构成。8、在对PLC进行编程之前,先要对硬件进行组态,然后还要下载。9、在没有硬件的条件下,可以通过仿真方法进行程序调试。10、OB1是程序循环组织块,OB100是初始化组织块。11、PLC的接口模块总是位于机架的3号槽,CPU则在2号槽,而每个机架上不能超过8个信号模块。12、PLC是以循环扫描方式执行程序。13、MD20是由MW20、MW21两个字构成,最高位是,最低位是。14、STEP7标准软件支持的编程语言有:LAD——梯形图编程法、STL——语句表、FBD——功能块。二、判断正误,正确的打“√”,错的打“×”(11分)(×)1、PLC只能够处理数字量,不能处理模拟量。(×)2、对S7-300而言,CPU能够控制自己自带的I/O模块,但是不能够控制其它CPU带的I/O模块。(√)3、OB35是定时中断组织块,可以被设定为定时执行。常州信息职业技术学院08-09学年第_1_学期PLC应用技术课程期末试卷(B)班级姓名学号成绩(√)4、S7-300系列PLC的程序总是以组织块的形式进行编写与保存。(×)5、S7-300程序能够仿真实现,它自带的仿真软件可以仿真所有PLC功能。(×)6、一个S7-300的中央控制器(CPU)最多可以带2个I/O模块与之相连。(×)7、S7-300系列CPU都提供MPI、PROFIBUS-DP两种通讯接口。(×)8、指令——(SE)与(SP)的主要区别是前者是脉冲定时输出,而后者定时输出带锁存。(√)9、SFC、FC的重要区别在于,前者是系统功能块,后者主要是指用户编写的自定义功能块。(√)10、个人电脑(PC)对S7-300PLC进行编程下载时如需要通讯,则台式机主板必须接CP5611网卡。(×)11、-(P)-这个符号在S7-300PLC中的功能是下降沿检测,-(N)-的功能是上升沿检测。三、不定项选择题(14分,每题2分,“选错”或“漏选”均不得分)(A)1、S7-300PLC中组织块很多,OB1是其中一个重要的成员,以下对OB100的作用描述正确的是:A、循环组织快;B、定时中断组织块;C、通讯组织块;D、初始化组织块;(C)2、在S7-300PLC的上,有一排工作指示灯,可以用于故障诊断其中SF灯亮红色代表错误,而BF灯亮,代表错误。A、强制作业有效、硬件或软件;B、强制作业有效、总线;C、硬件或软件、总线;D、总线、硬件或软件;(AB)3、以下属于32位操作指令的是:A、MUL_DI;B、ADD_DI;C、SHR_I;D、WAND_W;(BCD)4、对于计数指令S_CUD的描述正确的有:A、CD端用于加计数控制B、CU端用于加计数控制C、R端用于复位D、CV端是2进制的计数输出E、Q端是16进制数的计数输出(B)5、PLC执行完下面的指令后产生的结果是:A、没有任何结果;B、为1;C、为0;D、的值为1;(B)6、假设MW50的初始值为“1000”,PLC连续执行下面的指令后1分钟后,MW50的值是:A、w#16#FFFF;B、w#16#0000;C、w#16#8888;D、w#16#1111;(C)7、假设、的值分别为1、0,PLC执行下面的指令后的值是:A、不确定;B、无穷大;C、0;D、1;四、综合题(49分)1、(10分)限用一个定时器(SD)设计一个频率发生器,要求在产生一个频率为的方波,试编程实现。解:2、(12分)设计程序实现直流电动机的正反转,另外,当电动机运行后,按下停止按钮,电动机停止运行。(1)、画出用中间继电器控制直流电动机正反转的接线图;(2)、进行I/O地址分配;(3)、写出控制程序。解:(1)接线图(2)I/O地址分配停止按钮正转按钮反转按钮正转中间继电器KA1反转中间继电器KA2(3)控制程序3、(12分)一个用PLC控制的锅炉加热系统,温度传感器检测的水温值存储在MW50单元中,锅炉采用双路加热,分别用和通过继电器控制加热棒的通断。(1)当水温低于30度时,双路加热,(2)当水温大于30度低于60度时,单路加热,(3)当水温高于60度时,双路均停止加热。试完成PLC控制程序。解:4、利用PLC编程实现一个16个...

1、当您付费下载文档后,您只拥有了使用权限,并不意味着购买了版权,文档只能用于自身使用,不得用于其他商业用途(如 [转卖]进行直接盈利或[编辑后售卖]进行间接盈利)。
2、本站所有内容均由合作方或网友上传,本站不对文档的完整性、权威性及其观点立场正确性做任何保证或承诺!文档内容仅供研究参考,付费前请自行鉴别。
3、如文档内容存在违规,或者侵犯商业秘密、侵犯著作权等,请点击“违规举报”。

碎片内容

PLC技术期末试卷B答案

确认删除?
VIP
微信客服
  • 扫码咨询
会员Q群
  • 会员专属群点击这里加入QQ群
客服邮箱
回到顶部