电脑桌面
添加小米粒文库到电脑桌面
安装后可以在桌面快捷访问

QEHS一体化管理手册范本VIP专享VIP免费

QEHS一体化管理手册范本_第1页
1/31
QEHS一体化管理手册范本_第2页
2/31
QEHS一体化管理手册范本_第3页
3/31
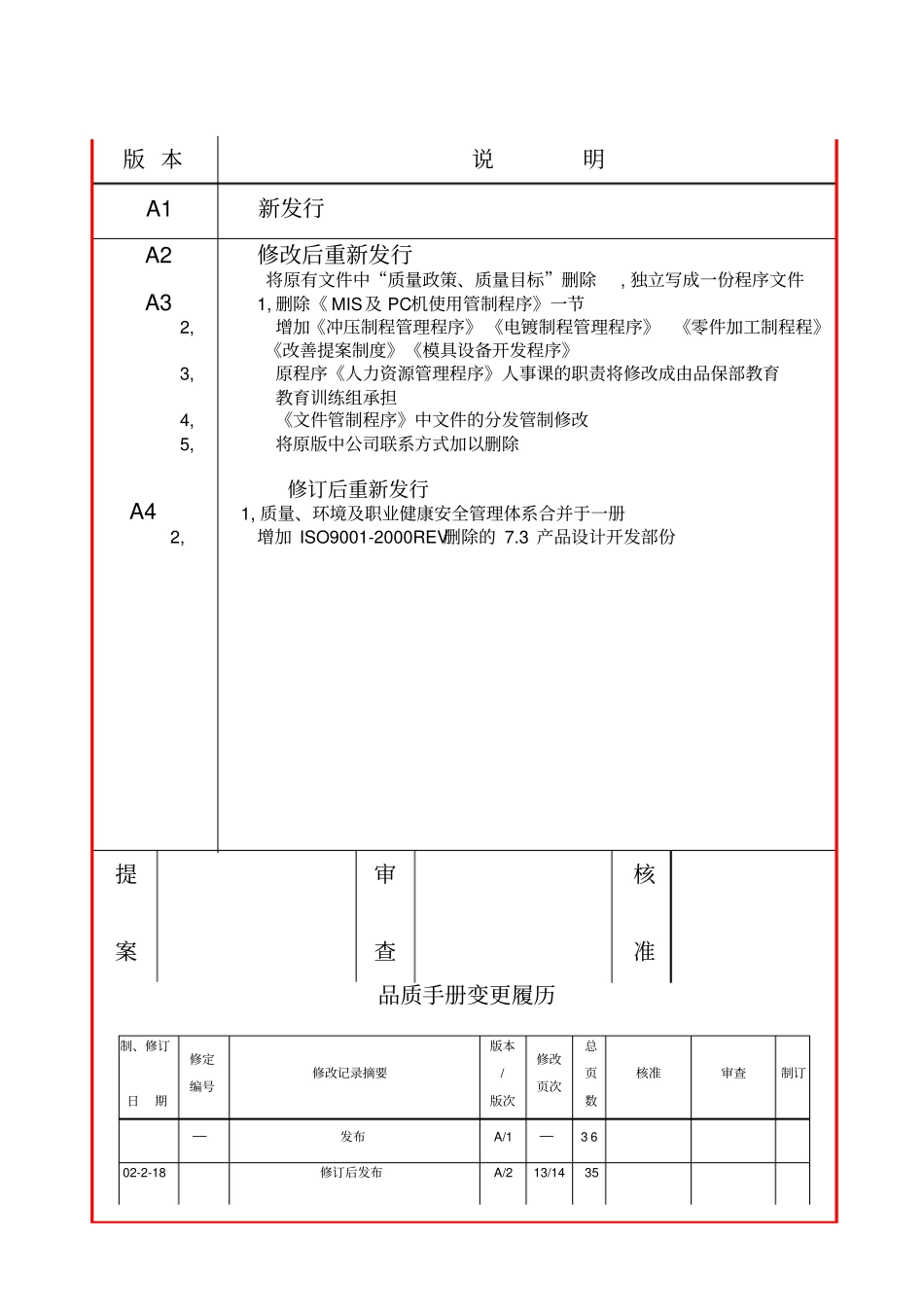
版本说明A1新发行A2修改后重新发行将原有文件中“质量政策、质量目标”删除,独立写成一份程序文件A31,删除《MIS及PC机使用管制程序》一节2,增加《冲压制程管理程序》《电镀制程管理程序》《零件加工制程程》《改善提案制度》《模具设备开发程序》3,原程序《人力资源管理程序》人事课的职责将修改成由品保部教育教育训练组承担4,《文件管制程序》中文件的分发管制修改5,将原版中公司联系方式加以删除修订后重新发行A41,质量、环境及职业健康安全管理体系合并于一册2,增加ISO9001-2000REV删除的7.3产品设计开发部份提案审查核准品质手册变更履历制、修订日期修定编号修改记录摘要版本/版次修改页次总页数核准审查制订-发布A/1-3602-2-18修订后发布A/213/143502-7-24修订后发布A/33302-9-3修订后发布A/440质量、环境及职业健康安全手册内容页次说明手册封面第1页手册变更履历第2页手册内容页次说明第3页前言第4-5页一.公司简介第6页二.公司质量、环境及职业健康安全政策倡导第7页三.范围第8页四.质量、环境及职业健康安全管理系统第9-11页五.管理责任第12-18页六.资源管理第18-20页七.产品实现第21-31页八.运行、量测、分析和改善第31-37页九.质量、环境及职业健康安全系统程序承办单位一览表第38-40页十.附件第40页前言1.总则采用ISO9001-2000质量管理系统、ISO14001-1996环境管理体系及OHSAS18001-1999劳工职业安全卫生管理体系是本公司的一项既定决策。本公司质量及环安管理体系的设计和实施受到各种需求、具体目标、所提供的产品、所采用的过程、对社会、员工的承诺以及本公司规模和结构的影响,因此本公司依上述各管理系统标准在建立质量、环境及职业健康安全管理系统之前进行了充分的策划,并建立了具有本公司特色的质量、环境及职业健康安全管理系统。本手册可用于内部和外部(包括认证机构)评价本公司满足顾客、社会、员工、法律法规要求和本公司自身要求的能力。本手册满足了ISO9001-2000、ISO14001-1996OHSAS18001-1999标准条款的要求,融合了“以顾客为中心,领导作用,全员参与,过程方法,系统的管理方法,持续改进,基于事实的决策,与供方互利互惠的关系”等八项管理原则,并充分运用了PDCA管理循环圈的原理。2.过程方法本公司在建立、实施各管理系统以及改进其有效性时采用过程方法,通过满足顾客、社会及员工要求,增强顾客、社会及员工满意。为有效运作,本公司识别和管理众多相互关联的活动。通过使用资源和管理,将输入转化为输出的活动作为一个过程。本公司使用的过程方法,包括在公司内部对诸过程进行系统的应用,识别过程,明确过程之间的相互作用,对过程进行有效管理。表现在以下方面:对本公司各管理系统进行策划;各部门按照职责识别需要控制的过程;对过程进行描述和策划;明确实施过程的要求,通过实施过程,确保产品质量、环境卫生及员工安全健康;明确测量过程的方法和验收准则;验证过程的效果;确保过程的持续改进;明确需要采取纠正或预防措施的时机和验证要求;确保对诸过程的系统中单个过程之间的关系以及过程的组合和相互作用进行连续的控制。过程方法在本公司质量、环境及职业健康安全管理系统中应用时,强调以下方面的重要性:(1)了解并满足要求;(2)需要从增值的角度考虑过程;(3)获得过程业绩和有效性的结果;(4)基于客观的测量和监视,持续改进过程;3.与其它管理规定的兼容性本公司在策划、建立质量、环境及职业健康安全管理系统时充分地考虑到适用的国家和行业相关的法律法规,针对每一个工序详细地制订了质量、环境及职业健康安全控制标准及管理措施等与适用的法律法规接轨的标准和规范,必须确保在满足国家法律法规的前提下,执行顾客、环境及员工的相关要求及本公司质量、环境及职业健康安全管理系统文件的相关规定。一.公司简介公司沿革:1.康硕电子(苏州)有限公司系由华硕计算机所投资,成立于2000年2月,属外商独资经营企业。2.成立初期由华琦电子工业股份有限公司作整厂输出与技术支持。并承租长江路558号,于2000年5月20日正式开工,先以来料加工、生产装配接插件为主,同时进行规划,于华硕科学园区内筹建新厂房。3.于2001...

1、当您付费下载文档后,您只拥有了使用权限,并不意味着购买了版权,文档只能用于自身使用,不得用于其他商业用途(如 [转卖]进行直接盈利或[编辑后售卖]进行间接盈利)。
2、本站所有内容均由合作方或网友上传,本站不对文档的完整性、权威性及其观点立场正确性做任何保证或承诺!文档内容仅供研究参考,付费前请自行鉴别。
3、如文档内容存在违规,或者侵犯商业秘密、侵犯著作权等,请点击“违规举报”。

碎片内容

QEHS一体化管理手册范本

确认删除?
VIP
微信客服
  • 扫码咨询
会员Q群
  • 会员专属群点击这里加入QQ群
客服邮箱
回到顶部