电脑桌面
添加小米粒文库到电脑桌面
安装后可以在桌面快捷访问

三、数字集成电路VIP免费

三、数字集成电路_第1页
1/5
三、数字集成电路_第2页
2/5
三、数字集成电路_第3页
3/5
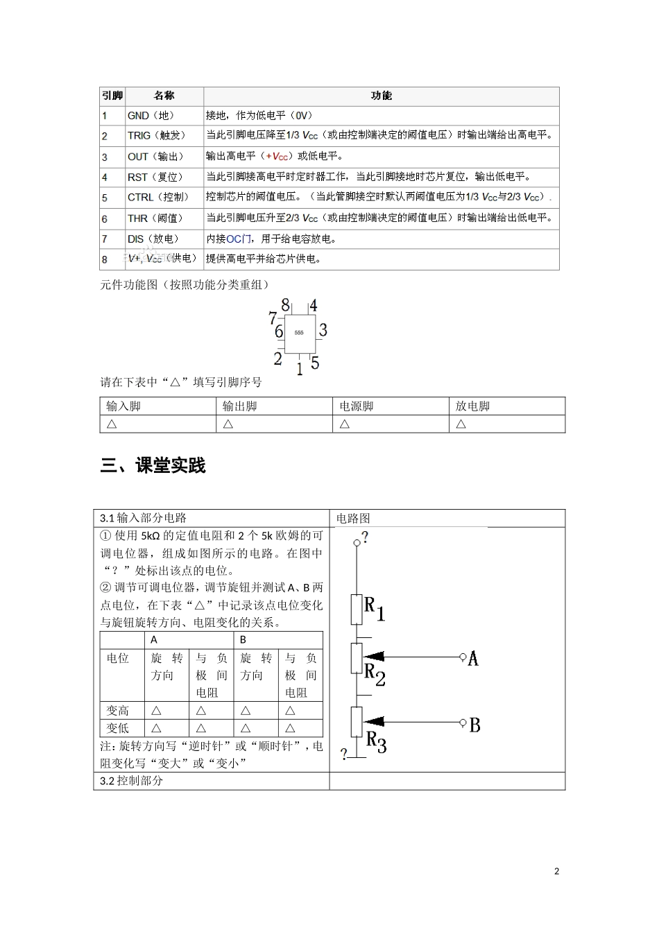
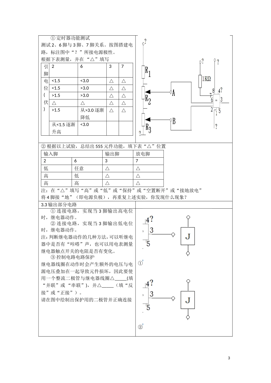
1用555实现“鸡”妈妈孵蛋温度控制功能一、学习目标:1.掌握电位测量方法2.掌握555元件的基本功能3.掌握分析温度控制的电路工作过程二、课堂学习2.1定时器.简介555定时器是一种模拟和数字功能相结合的中规模集成器件。一般用双极型(TTL)工艺制作的称为555,用互补金属氧化物(CMOS)工艺制作的称为7555。555定时器的电源电压范围宽,可在4.5V~16V工作,7555可在3~18V工作,输出驱动电流约为200mA。2.2.引脚序号识读请标注出555元件的引脚序号小结:引脚读取规律是从△_________或△_______开始,△_______时针顺序读。2.3.元件基本功能:表1.555元件引脚功能2元件功能图(按照功能分类重组)请在下表中“△”填写引脚序号输入脚输出脚电源脚放电脚△△△△三、课堂实践3.1输入部分电路电路图①使用5kΩ的定值电阻和2个5k欧姆的可调电位器,组成如图所示的电路。在图中“?”处标出该点的电位。②调节可调电位器,调节旋钮并测试A、B两点电位,在下表“△”中记录该点电位变化与旋钮旋转方向、电阻变化的关系。AB电位旋转方向与负极间电阻旋转方向与负极间电阻变高△△△△变低△△△△注:旋转方向写“逆时针”或“顺时针”,电阻变化写“变大”或“变小”3.2控制部分3①定时器功能测试测试2、6脚与3脚、7脚关系。按图搭建电路,标注图中“?”所接电源极性。根据下表测量,并在“△”填写引脚2637电位(伏)<1.5<3.0△△<1.5>3.0△△>1.5>3.0△△△△△△>1.5从>3.0逐渐降低△△从<1.5逐渐升高<3.0②根据以上试验,总结出555元件功能,填下表“△”位置输入脚输出脚放电脚2637低任意△△高低△△高高△△注:在“△”填写“高”或“低”或“保持”或“空置断开”或“接地放电”将4脚接“地”(即电源负极),再重复上述实验,你发现什么现象?3.3输出部分电路①连接电路,实现当3脚输出高电位时,继电器动作。②连接电路,实现当3脚输出低电位时,继电器动作。注:判断继电器动作的几种方法,可以听继电器中是否有“咔嗒”声,也可以用电表测量继电器触点开关的电阻是否有变化。③控制电路电路保护继电器线圈在动作时会产生额外的电压与电源电压叠加在一起导致元件损坏,因此要使用一个整流二极管与继电器线圈△_____(填“并联”或“串联”),并△_____(填“反接”或“正接”)。请在图中绘制出保护用的二极管并正确连接①②4四、温控电路分析①设计目标:在鸡蛋孵化室内设计一个温度控制范围在37℃至39℃范围的自动温控系统,代替鸡妈妈的孵化工作。②输入部门电路:下图中RT1、RT2为负系数(NTC)型热敏电阻,其电阻会随着温度的升高而△____(填“升高”或“降低”)。其中RT1作为下限温度检测部分,即当温度在37℃时,通过调节可调电位器Rp1,使A点电位等于于△____伏;RT2作为上限温度检测部分,即当温度在39℃时,通过调节可调电位器Rp2,使B点电位等于△______伏。555元件的2脚作为低温信号的接收端,6脚作为高温信号的接入端,请在图中补充连接输入部分的电路。③控制部分电路:(以下“△”填“低电位”或“高电位”)当温度低于37℃时,A点电位为△____,B点电位为△____,3脚电位为△____;当温度继续升高高于37℃但低于39℃时,A点电位为△____,B点电位为△____,3脚电位为△____;当温度超过39℃时,A点电位为△____,B点电位为△____,3脚电位为△____;当温度从39℃下降,但高于37℃时,A点电位为△____,B点电位为△____,3脚电位为△____;当温度继续下降至37℃以下时,A点电位为△____,B点电位为△____,3脚电位为△____;④输出部分电路:当3脚输出高电位时,要求电热丝工作加热,请补充连接电路。为了保护555元件不受继电器线圈损害,请补充保护的二极管。请根据以上分析,连接电路并测试验证。用可调电位器模拟热敏电阻随温度的变化。五、课后作业①如果热敏电阻为正系数(PTC),请设计电路图实现相同功能。在3个虚线框中,补充完整电路(注意连线时,线不能跨出虚线框)5②用555设计一个室内温度控制系统,当教室温度高于26℃时,风扇动作进行强制排风,当温度低于18℃时,电热丝加热为室内加热(风扇此时不工作)。最终使教室的温度稳定在18℃至26℃间。

1、当您付费下载文档后,您只拥有了使用权限,并不意味着购买了版权,文档只能用于自身使用,不得用于其他商业用途(如 [转卖]进行直接盈利或[编辑后售卖]进行间接盈利)。
2、本站所有内容均由合作方或网友上传,本站不对文档的完整性、权威性及其观点立场正确性做任何保证或承诺!文档内容仅供研究参考,付费前请自行鉴别。
3、如文档内容存在违规,或者侵犯商业秘密、侵犯著作权等,请点击“违规举报”。

碎片内容

三、数字集成电路

您可能关注的文档

教育教学文库+ 关注
实名认证
内容提供者

本店有大量的教育教学资料,课件

确认删除?
VIP
微信客服
  • 扫码咨询
会员Q群
  • 会员专属群点击这里加入QQ群
客服邮箱
回到顶部