电脑桌面
添加小米粒文库到电脑桌面
安装后可以在桌面快捷访问

《探究加速度与物体质量、物体受力的关系》实验分析VIP专享VIP免费

《探究加速度与物体质量、物体受力的关系》实验分析_第1页
1/8
《探究加速度与物体质量、物体受力的关系》实验分析_第2页
2/8
《探究加速度与物体质量、物体受力的关系》实验分析_第3页
3/8
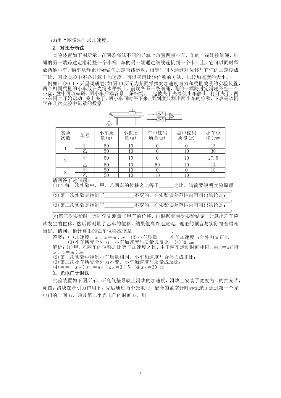
《探究加速度与物体质量、物体受力的关系》实验分析《探究加速度与物体质量、物体受力的关系》实验是高考物理实验考查的重点和热点,该实验可从设计实验方法、实验步骤、图象法处理实验数据、误差分析等角度设置问题,考查学生的综合实验能力,下面就本实验做简要分析。(一)基础知识梳理1.实验目的:(1)学会用控制变量法研究物理规律;(2)探究加速度与物体质量、物体受力的关系;(3)掌握运用图象处理问题的方法.2.实验原理探究加速度a与力F、质量M的关系时,应用的基本方法是_控制变量法__,即先控制一个参量——小车的质量M不变,讨论加速度a与力F的关系;再控制小盘和砝码的质量不变,即力F不变,改变小车质量M,讨论加速度a与质量M的关系.3.实验器材:打点计时器、纸带、复写纸(电火花计时器不用此器材)、小车、一端附有定滑轮的长木板、小盘、夹子、细绳、交流电源、导线、天平、刻度尺、砝码、薄木块.5.实验步骤:①用天平测量小盘质量m′和小车质量m;②按照实验装置图把实验器材安装好,但不要把悬挂小盘的细绳系在小车上(即不给小车牵引力);③平衡摩擦力:在长木板的不带定滑轮的一端下面垫上一块薄木块,使小车匀速下滑;④小盘通过细绳绕过滑轮系于小车上,先接通电源后放开小车,取下纸带编号码;⑤保持小车质量m不变,改变砝码和小盘的质量m′,重复步骤④;⑥在每条纸带上选取一段比较理想的部分,测加速度a;⑦描点作图,作a–F图像;⑧保持砝码和小盘质量m′不变,改变小车质量m,重复步骤④和⑥;作a–m-1图像.6.实验结论:物体的加速度与合外力成正比,与质量成反比.7.误差分析:①因实验原理不完善引起的误差:本实验用小盘和砝码的总重力mg代替小车的拉力,而实际上小车所受的拉力要小于小盘和砝码的总重力.②摩擦力平衡不准确、质量测量不准确、计数点间距测量不准确、纸带和细绳不严格与木板平行等都会引起误差.8.注意事项:①实验方法:控制变量法.②平衡摩擦力:在平衡摩擦力时,不要悬挂小盘,但小车应连着纸带且接通电源.用手给小车一个初速度,如果在纸带上打出的点的间隔是均匀的,表明小车受到的阻力跟它的重力沿斜面向下的分力平衡.③不重复平衡摩擦力:平衡了摩擦力后,不管以后是改变小盘和砝码的总质量还是改变小车和砝码的总质量,都不需要重新平衡摩擦力.④实验条件:m>>m′,只有如此,小盘和砝码的总重力才可视为小车受到的拉力.⑤一先一后一按:改变拉力和小车质量后,每次开始时小车应尽量靠近打点计时器,并应先接通电源,后放开小车,且应在小车到达滑轮前按住小车.⑥作图:作图时两轴标度比例要适当.各量须采用国际单位.这样作图线时,坐标点间距不至于过密,误差会小些.(二)测量方法梳理一、如何测量小车的加速度1.纸带分析方法(1)利用Δs=aT2,并采用“逐差法”求加速度1(2)用“图像法”求加速度。2.对比分析法实验装置如下图所示,在两条高低不同的导轨上放置两量小车,车的一端连接细绳,细绳的另一端跨过定滑轮挂一个小桶;车的另一端通过细线连接到一个卡口上,它可以同时释放两辆小车。辆车从静止开始做匀加速直线运动,相等时间内通过对位移与它们的加速度成正比,因此实验中不必计算出加速度,可以采用比较位移的方法,比较加速度的大小。例如:(2011·天星调研卷)如图10所示为某同学探究加速度与力和质量关系的实验装置,两个相同质量的小车放在光滑水平板上,前端各系一条细绳,绳的一端跨过定滑轮各挂一个小盘,盘中可放砝码.两小车后端各系一条细绳,一起被夹子夹着使小车静止.打开夹子,两小车同时开始运动;关上夹子,两小车同时停下来,用刻度尺测出两小车的位移,下表是该同学在几次实验中记录的数据.实验次数车号小车质量(g)小盘质量(g)车中砝码质量(g)盘中砝码质量(g)小车位移(cm)1甲50100015乙5010010302甲501001027.5乙50105010143甲50100018乙50101010请回答下述问题:(1)在每一次实验中,甲、乙两车的位移之比等于______之比,请简要说明实验原理________________________________________________________________________;(2)第一次实验是控制了____________不变的...

1、当您付费下载文档后,您只拥有了使用权限,并不意味着购买了版权,文档只能用于自身使用,不得用于其他商业用途(如 [转卖]进行直接盈利或[编辑后售卖]进行间接盈利)。
2、本站所有内容均由合作方或网友上传,本站不对文档的完整性、权威性及其观点立场正确性做任何保证或承诺!文档内容仅供研究参考,付费前请自行鉴别。
3、如文档内容存在违规,或者侵犯商业秘密、侵犯著作权等,请点击“违规举报”。

碎片内容

《探究加速度与物体质量、物体受力的关系》实验分析

您可能关注的文档

确认删除?
VIP
微信客服
  • 扫码咨询
会员Q群
  • 会员专属群点击这里加入QQ群
客服邮箱
回到顶部