电脑桌面
添加小米粒文库到电脑桌面
安装后可以在桌面快捷访问

配电柜安装工艺要点VIP免费

配电柜安装工艺要点_第1页
1/15
配电柜安装工艺要点_第2页
2/15
配电柜安装工艺要点_第3页
3/15
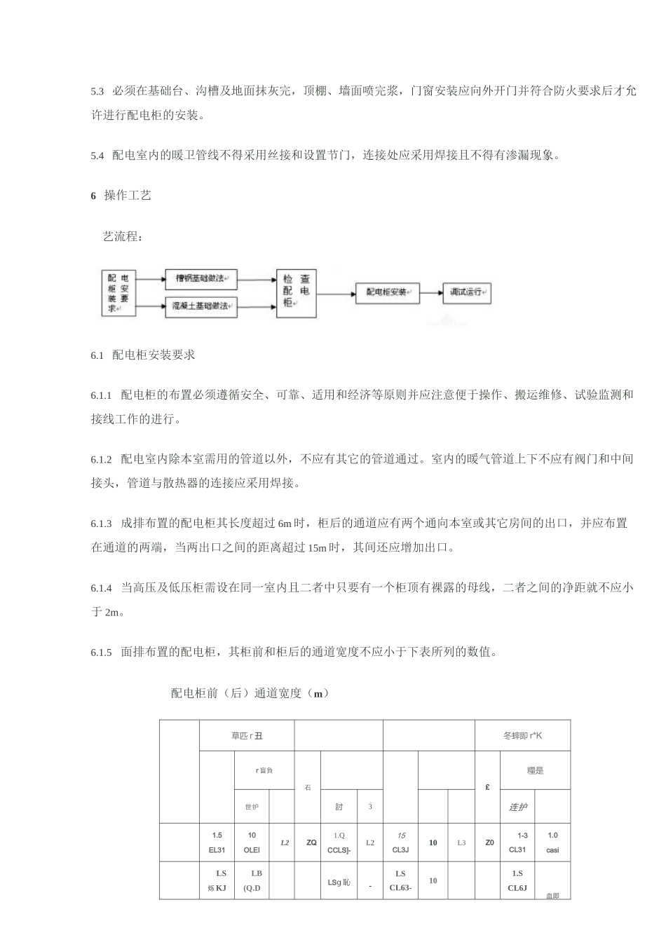
配电柜安装工艺1适用范围本标准适用于建筑电气配电柜安装工程。2引用标准GB50303《建筑电气工程施工质量验收规范》3材料要求3.1成套定型配电柜应根据设计要求的型号、规格选用合格产品。并有产品合格证。3.2槽钢、镀锌扁钢,不得有严重锈蚀和缺陷,且镀锌层不应脱落。3.3镀锌材料有机螺丝、垫圈、弹筑垫圈;非镀锌材料有地脚螺栓、钢垫片。3.4母线应根据设计要求截面进行选择,应使用合格产品。3.5其它材料有压线端子、塑料管、小线、塑料带、黑胶布、防锈漆、电焊条、电石、氧气、砂布、水泥、砂子焊锡、焊剂。4主要机具4.1铅笔、卷尺、水平尺、线坠、点冲子、灰桶、水桶、油桶、刷子。4.2手锤、錾子、大锤、钢锯、锯条、扁锉、圆锉、活扳子、套筒扳子。4.3电烙铁、电炉、锡锅、锡勺、绝缘手套、台钳、案子、压接钳等。4.4手电钻、钻头、撬棍、电焊机、气焊工具、万能表、兆欧表、工具袋、工具箱、高凳等。5作业条件5.1埋设基础槽钢或地脚螺栓时,须有地面的基准线。5.2预埋件及预留孔洞符合设计要求,预埋件应牢固。5.3必须在基础台、沟槽及地面抹灰完,顶棚、墙面喷完浆,门窗安装应向外开门并符合防火要求后才允许进行配电柜的安装。5.4配电室内的暖卫管线不得采用丝接和设置节门,连接处应采用焊接且不得有渗漏现象。6操作工艺艺流程:6.1配电柜安装要求6.1.1配电柜的布置必须遵循安全、可靠、适用和经济等原则并应注意便于操作、搬运维修、试验监测和接线工作的进行。6.1.2配电室内除本室需用的管道以外,不应有其它的管道通过。室内的暖气管道上下不应有阀门和中间接头,管道与散热器的连接应采用焊接。6.1.3成排布置的配电柜其长度超过6m时,柜后的通道应有两个通向本室或其它房间的出口,并应布置在通道的两端,当两出口之间的距离超过15m时,其间还应增加出口。6.1.4当高压及低压柜需设在同一室内且二者中只要有一个柜顶有裸露的母线,二者之间的净距就不应小于2m。6.1.5面排布置的配电柜,其柜前和柜后的通道宽度不应小于下表所列的数值。配电柜前(后)通道宽度(m)草匹r丑冬蟀即r*Kr盲負石£糧是世护討3连护1.5EL3110OLEIL2ZQ1.QCCLS]-L215CL3J10L3Z01-3CL311.0casiLS烁KJLB(Q.DLSg恥-LSCL63-101.SCL6J血即注:括号内的数字为有困难时(如受建筑平面限制,通道内墙面有凹凸的柱子或暖气片等)的最小宽度。6.1.6配电柜安装在震动场所时应采取防震措施。6.1.7配电柜本体及柜内设备与各构件间连接应牢固。柜本体应有明显、可靠的接地装置,装有电器的可开启的柜门应用软导线与接地的金属构架做可靠的连接。成套柜装有供携带式接地线使用的固定设施(手车式配电柜除外)。6.1.8配电柜的漆层应完整,无损伤,固定电器的支架均应刷漆。安装于同一室内且经常监视的柜,其颜色应协调一致。6.2槽钢基础做法根据设计要求找出配电柜基础的尺寸,并测量出槽钢框架的尺寸。先进行槽钢的调直找正后焊接成框架,再根据配电柜固定螺栓的间距钻出固定孔。框架加工完毕后,配合土建安装于沟边两侧,安装时用水平尺、小线找平直,再固定牢固,基础型钢应将地线焊接好,保证接地可靠。基础槽钢框架安装前应除锈刷防锈漆。槽钢顶部应高出地面10mm(手车式成套柜除外)。6.3混凝土基础台做法根据设计图要求找配电柜基础安装尺寸,配合土建测出地脚螺栓的位置尺寸,准确地将地脚螺栓埋好,或将固定孔洞预留好,待基础台砌好后,再埋设地脚螺栓,混凝土基础台应高出地面50mm以上。6.4配电柜安装前检查6.4.1应首先查对配电柜的型号是否正确,配件是否齐全、规格是否符合设计要求,柜的排列顺序是否正确。6.4.2柜体油酸层应完好无损,多台柜应颜色一致。6.4.3柜内配线应无接头,导线绝缘耐压应在500V以上。应采用截面不小于1.5mm2的铜芯导线,但差动保护电流回路导线截面不应小于2.5mm2。6.4.4柜内配线应排列整齐,绑扎成束,但绑扎不宜采用金属材料。6.4.5柜内二次配线应有编号,且字迹清晰,不易退色。6.4.6全部配线压头应紧密牢固,不损伤线芯,多股导线压头应使用压线端子,多股软铜线压接时应刷锡。6.4.7柜所有开关应启闭灵活,接触紧密,并在下侧标明控制回路及容量。6.4.8柜所使用的机螺...

1、当您付费下载文档后,您只拥有了使用权限,并不意味着购买了版权,文档只能用于自身使用,不得用于其他商业用途(如 [转卖]进行直接盈利或[编辑后售卖]进行间接盈利)。
2、本站所有内容均由合作方或网友上传,本站不对文档的完整性、权威性及其观点立场正确性做任何保证或承诺!文档内容仅供研究参考,付费前请自行鉴别。
3、如文档内容存在违规,或者侵犯商业秘密、侵犯著作权等,请点击“违规举报”。

碎片内容

配电柜安装工艺要点

您可能关注的文档

确认删除?
VIP
微信客服
  • 扫码咨询
会员Q群
  • 会员专属群点击这里加入QQ群
客服邮箱
回到顶部