电脑桌面
添加小米粒文库到电脑桌面
安装后可以在桌面快捷访问

资源配备计划方案VIP免费

资源配备计划方案_第1页
1/15
资源配备计划方案_第2页
2/15
资源配备计划方案_第3页
3/15
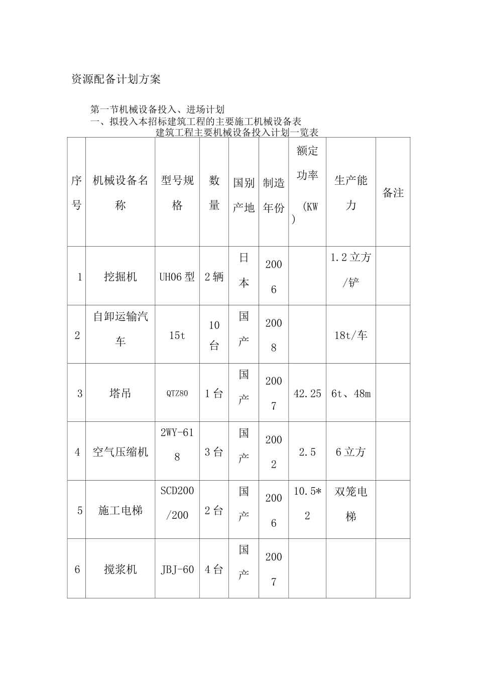
资源配备计划方案第一节机械设备投入、进场计划一、拟投入本招标建筑工程的主要施工机械设备表建筑工程主要机械设备投入计划一览表序号机械设备名称型号规格数量国别产地制造年份额定功率(KW)生产能力备注1挖掘机UH06型2辆日本20061.2立方/铲2自卸运输汽车15t10台国产200818t/车3塔吊QTZ801台国产200742.256t、48m4空气压缩机2WY-6183台国产20022.56立方5施工电梯SCD200/2002台国产200610.5*2双笼电梯6搅浆机JBJ-604台国产2007序号机械设备名称型号规格数量国别产地制造年份额定功率(KW)生产能力备注7风镐及风钻9套国产20068钢筋切断机GJ-4027.009钢筋调直机GJ4T4/429.0010钢筋变曲机GJ7-4022.8011交流电弧焊机421.0012平板式砼振动器ZF150-504台国产20061.513插入式砼振动器V30-5010台国产20061.314气割枪J01-302套国产2006序号机械设备名称型号规格数量国别产地制造年份额定功率(KW)生产能力备注1混凝土泵HBT60C2台国20060立方/5型产8小时1台式砂轮切S3SL-22台国2002.26割机50产71潜水泵LS65-18台国2001.5725产21圆盘锯YMJ-504台国2001.580产21冲击钻/电4把合2000.89锤资92自动找平水Dsz-33台国2000准仪产22经纬仪1192JZ2台国2001F产32全站仪BTS-801台北200序号机械设备名称型号规格数量国别产地制造年份额定功率(KW)生产能力备注22京723P4电脑DRY8台国产20070.3324打印机Canon2台日本20030.225分体空调10台国产1.0、拟投入本招标安装工程的主要施工机械设备表安装工程主要机械设备投入计划一览表序号机械设备名称型号规格数量国别产地制造年份额定功率(KW)备注10手电钻①10国产10台2004.80.512电动打击泵国产4台2003.71.513管钳300、450、1000国产60把2004.1214台虎钳3#国产20台2003.1015钳形万用表MG-36国产5块2003.1016接地电阻表ZC-8国产5块2004.8三、设备投入保障措施(一)施工前计划保障1.我公司将本工程列为公司的重点工程,集中所有可用资源(主要为施工机械)投入到本工程的施工中。2.确保自有施工设备的良好率。确保所有的空闲、正运行的机械均保持良好的工作状态,从而确保了投入本工程的施工设备的良好率。3.我公司将在开工前制定一整套科学、合理的机械维修、保养制度,并派出熟练的、有资格证书的机械维修技术工人专门负责对现场所有施工机械进行正常保养和紧急维修,确保施工机械的正常运作。4.我公司同时联系了2家后备机械租赁公司,防止一旦某些机械未能供应及时、机械数量供应不足或机械出现故障、损坏等,我公司可由其它2家机械租赁公司中租赁机械,从多条渠道来确保满足工程的施工进行要求。(二)机械设备投入使用管理1.设备使用原则(1)施工现场所使用的机械、设备必须按要求实行安全管理和安装验收制度。(2)使用的施工机械、机具和电气设备,在安装前,应当按照规定的安全技术标准进行检测,经检测合格后方可安装;机械安装要按审核后的施工平面布置图进行。(3)施工机械在投入使用前,应按规定进行验收,并办好验收手续登记。经验收,确认机械状态良好,能安全运行的,才准投入使用。(4)所有施工机械的操作人员都必须经过培训合格后,持证上岗。机械操作人员要进行登记存档,按期复验。(5)机械设备使用期间,应当指定专人负责维修、保养,保证其机械设备的完好率和使用率以及安全运作。2.设备的保养机械设备保养目的是为了保持机械设备的良好技术状态,提高设备运转的可靠性和安全性,减少零件的磨损,延长使用寿命,降低消耗,提高机械施工的经济效益。保养分为例行保养和强制保养。3.例行保养例行保养属于正常使用管理工作,它不占用机械设备的运转时间,由操作人员在机械运转间隙进行。其主要内容是:保持机械的清洁,检查运转情况,防止机械腐蚀,按技术要求润滑等等。4.强制保养强制保养是隔一定周期,需要占用机械设备的运转时间而停工进行的保养。强制保养是按照一定周期和内容分级进行的。保养周期根据各类机械设备的磨损规律、作业条件、操作维护水平及经济性四个主要因素确定。5.设备的修理机械设备的修理,是对机械设备的自然损耗进行修复,排除机械运行的故障,对损坏的零部件进行更换、修复。对机械设备的领检和修理,可以保证...

1、当您付费下载文档后,您只拥有了使用权限,并不意味着购买了版权,文档只能用于自身使用,不得用于其他商业用途(如 [转卖]进行直接盈利或[编辑后售卖]进行间接盈利)。
2、本站所有内容均由合作方或网友上传,本站不对文档的完整性、权威性及其观点立场正确性做任何保证或承诺!文档内容仅供研究参考,付费前请自行鉴别。
3、如文档内容存在违规,或者侵犯商业秘密、侵犯著作权等,请点击“违规举报”。

碎片内容

资源配备计划方案

wxg+ 关注
实名认证
内容提供者

该用户很懒,什么也没介绍

确认删除?
VIP
微信客服
  • 扫码咨询
会员Q群
  • 会员专属群点击这里加入QQ群
客服邮箱
回到顶部