电脑桌面
添加小米粒文库到电脑桌面
安装后可以在桌面快捷访问

平行检验记录VIP免费

平行检验记录_第1页
1/6
平行检验记录_第2页
2/6
平行检验记录_第3页
3/6
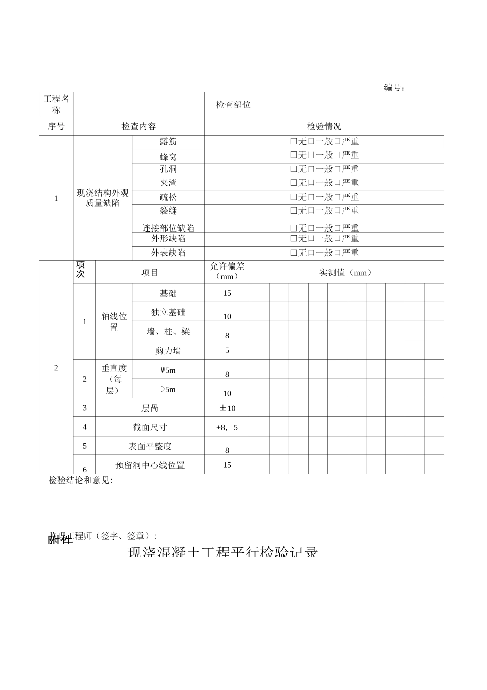
编号工程名称检验部位序号检查内容检查情况11外观质量(锈蚀、裂纹、损伤、油污、平直等)2钢筋型号规格间距2项次项目设计值(mm)允许偏差(mm)实测值(mm)1直径偏差(mm)2箍筋平直段长度3箍筋内净尺寸±54受力钢筋间距±10排距±5保护层厚度基础±10柱、梁±5板、墙、壳±35箍筋和横向钢筋间距±206钢筋弯起点位置207钢筋接头位置及长度8钢筋锚固长度(锚固位置)9预埋件中心位置5水平咼差+3,0检测结论和意见:监理工程师(签字、签章):年月日说明:1、本表为监理人员平行检验专用表,在施工单位自检合格的基础上,由现场监理人员及时独立完成。2、抽查点数在原检验批平行检验基础上增加50%测点,不得少于50%的数量。3、主要构件不得少于3处。4、非主要构件最大偏差不超过允许偏差的1.5倍,且总数控制在10%以内。5、黑体字为必验子项目。附件1钢筋工程平行检验记录附件模板工程平行检验记录编号:工程名称检查部位序号检查内容检验情况11•模板的接缝。2•模板的隔离剂。3.模板的清理、平整度。2项次项目(现浇结构)允许偏差(mm)实测值(mm)1轴线位置1基础152独立基础103墙、柱、梁84剪力墙52垂直度层高W5m8>5m103标冋底模上表面标咼±10板厚±104截面尺寸+8,-55表面平整度86预留孔洞中心线位置15检测结论和意见:监理工程师(签字、签章):年月日说明:1、本表为监理人员平行检验专用表,在施工单位自检合格的基础上,由现场监理人员及时独立完成。2、抽查点数在原检验批平行检验基础上增加50%测点,不得少于50%的数量。3、主要构件不得少于3处。4、非主要构件最大偏差不超过允许偏差的1.5倍,且总数控制在10%以内。5、黑体字为必验子项目。附件现浇混凝土工程平行检验记录编号:工程名称检查部位序号检查内容检验情况1现浇结构外观质量缺陷露筋□无口一般口严重蜂窝□无口一般口严重孔洞□无口一般口严重夹渣□无口一般口严重疏松□无口一般口严重裂缝□无口一般口严重连接部位缺陷□无口一般口严重外形缺陷□无口一般口严重外表缺陷□无口一般口严重2项次项目允许偏差(mm)实测值(mm)1轴线位置基础15独立基础10墙、柱、梁8剪力墙52垂直度(每层)W5m8>5m103层咼±104截面尺寸+8,-55表面平整度86预留洞中心线位置15检验结论和意见:监理工程师(签字、签章):附件4-地下防水工程平行检验记录编号:工程名称检杳部位序号检杳内容检验情况1原材料防水材料的外观、品种、规格、尺寸、性能等应符合设计、规范要求防水材料抽样检验报告抗渗试块2防水砼应密实,表面平整,不得有露筋、蜂窝;裂缝宽度不得大于3水泥砂浆防水层不得有空鼓、裂纹、起砂、麻面等缺陷4卷材防水层不得有损伤、空鼓、折皱等缺陷卷材搭接宽度防水卷材品种实测搭接宽度(规范值:mm)5涂料防水层不得有脱皮、流淌、鼓泡、露胎、折皱等缺陷平均厚度应符合设计要求实测平均厚度(不得小于设计值的90%)设计厚度:mm6细部构造材料必须符合设计要求□施工缝□变形缝□后浇带□穿墙管□埋设件□预留通道接头□桩头□孔口防水构造必须符合设计要求□施工缝□变形缝□后浇带□穿墙管□埋设件□预留通道接头□桩头□孔口中埋式止水带埋设位置应准确,其中间空心圆环与变形缝的中心应重合后浇带砼采用膨胀剂的补偿收缩砼,其抗压强度、抗渗性能和限制膨胀率必须符合设计要求桩头砼应密实检测结论和意见:监理工程师(签字、签章):年月日屋面防水工程平行检验记录编号:编号:

1、当您付费下载文档后,您只拥有了使用权限,并不意味着购买了版权,文档只能用于自身使用,不得用于其他商业用途(如 [转卖]进行直接盈利或[编辑后售卖]进行间接盈利)。
2、本站所有内容均由合作方或网友上传,本站不对文档的完整性、权威性及其观点立场正确性做任何保证或承诺!文档内容仅供研究参考,付费前请自行鉴别。
3、如文档内容存在违规,或者侵犯商业秘密、侵犯著作权等,请点击“违规举报”。

碎片内容

平行检验记录

wxg+ 关注
实名认证
内容提供者

该用户很懒,什么也没介绍

相关文档

确认删除?
VIP
微信客服
  • 扫码咨询
会员Q群
  • 会员专属群点击这里加入QQ群
客服邮箱
回到顶部