电脑桌面
添加小米粒文库到电脑桌面
安装后可以在桌面快捷访问

密度MicrosoftWord文档VIP免费

密度MicrosoftWord文档_第1页
1/4
密度MicrosoftWord文档_第2页
2/4
密度MicrosoftWord文档_第3页
3/4
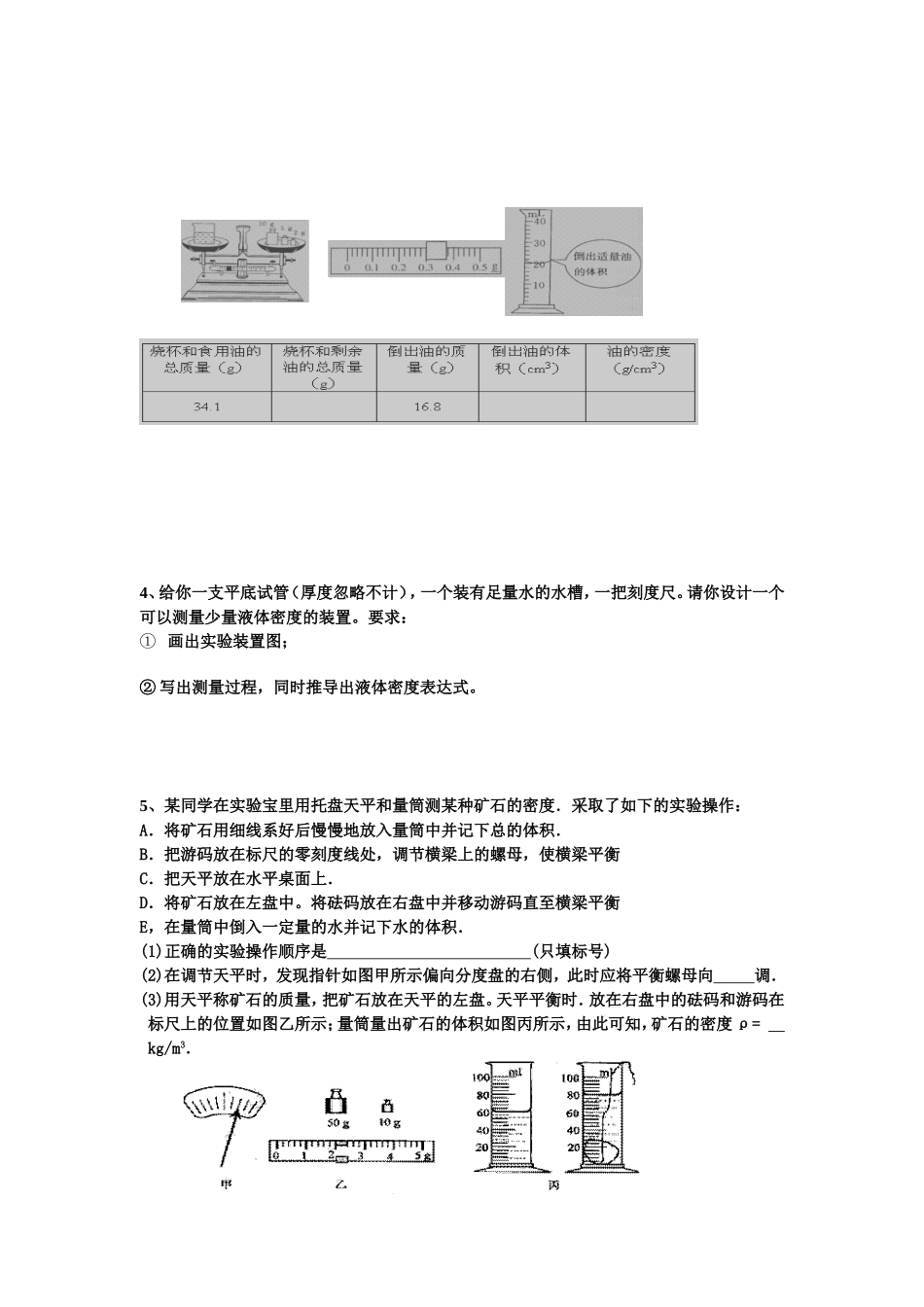
密度专题1.。在“探究物质的密度”的实验中,右图所示是我们实验用的天平,砝码盒中配备的砝码有100g、50g、20g、10g、5g等:请填写下列空格:(1)调节天平时应将_______移至零刻度处,然后调节_______,使天平横梁平衡。(2)小王同学进行了下列实验操作:A.将烧杯中盐水的一部分倒入量筒,测出这部分盐水的体积V;B.用天平测出烧杯和盐水的总质量m1;C.用天平测出烧杯和剩余盐水的总质量m2;以上操作的正确顺序是:_______(填字母代号)。(3)小王测量烧杯和盐水的总质量m1时,估计盐水和烧杯的总质量在150g左右。试加砝码时,应用镊子夹取100g、50g砝码各1个放人右盘中,若指针右偏,则应取下_______g砝码,试加上其它砝码,同时调节游码。(4)右图是小李同学在实验操作过程中的情况。他的错误是:_______2.在“用天平和量筒测量矿泉水密度”实验中无,小明的实验步骤如下:(1)调好天平,测出空烧杯质量m1(2)在量简中倒入适量矿泉水,读出矿泉水的体积V(3)将量筒中矿泉水全部倒入烧杯中,测出矿泉水和烧杯总质量m2则矿泉水密度的表达式ρ矿泉水=以上操作由于无法将矿泉水从量筒中倒尽,测出的矿泉水密度误差较大.经过思考,小明在仍用步骤(1)、(2)的基础上,只对步骤(3)进行了改进,提高了测量结果的准确性.改进后的步骤(3)分为两步.请你写出改进内容:A.B.3、下面是小方和小王设计的“测食用油密度”的实验方案,请完善他们的方案,并回答后面的问题:(1)小方的方案:用调节平衡的天平测出空烧杯的质量m1,向烧杯内倒入适量食用油,再测出烧杯和食用油的总质量m2,然后把烧杯内的食用油全部倒入量筒内,读出量筒内食用油的体积为V1;其测得的食用油密度的表达式是:__________________(2)小王的方案:在烧杯内倒入适量的食用油,用调节平衡的天平测出烧杯和食用油的总质量m3,然后将烧杯内的适量食用油倒入量筒内,再测出烧杯和剩余食用油的总质量m4,读出量筒内食用油的体积V2。其测得的食用油密度的表达式是:__________________(3)按__________的实验方案进行测量,实验误差可能小一些;如果选择另一种方案,测得的密度值________(填“偏大”、“偏小”),(4)图16是按小王的实验方案进行某次实验的情况,请将实验的数据及测量结果填入表中。4、给你一支平底试管(厚度忽略不计),一个装有足量水的水槽,一把刻度尺。请你设计一个可以测量少量液体密度的装置。要求:①画出实验装置图;②写出测量过程,同时推导出液体密度表达式。5、某同学在实验宝里用托盘天平和量筒测某种矿石的密度.采取了如下的实验操作:A.将矿石用细线系好后慢慢地放入量筒中并记下总的体积.B.把游码放在标尺的零刻度线处,调节横梁上的螺母,使横梁平衡C.把天平放在水平桌面上.D.将矿石放在左盘中。将砝码放在右盘中并移动游码直至横梁平衡E,在量筒中倒入一定量的水并记下水的体积.(1)正确的实验操作顺序是(只填标号)(2)在调节天平时,发现指针如图甲所示偏向分度盘的右侧,此时应将平衡螺母向调.(3)用天平称矿石的质量,把矿石放在天平的左盘。天平平衡时.放在右盘中的砝码和游码在标尺上的位置如图乙所示;量筒量出矿石的体积如图丙所示,由此可知,矿石的密度ρ=kg/m3.6、小明用天平、大杯、小杯和密度为ρ的水测一石块密度.(1)天平平衡时如图所示,石块的质量m=。(2)小明测量石块体积的操作步骤如下:a.测出空小杯的质量m1b.把装了水的大杯和空的小杯如右图放置c.把石块缓缓放入大杯中,大杯中部分水溢进小杯d.测出承接了溢出水的小杯总质量m2请你指出步骤b的错误处:。(3)用本题中出现过的物理量符号表示石块体积为;石块密度为(设步骤b中的错误已改正).7、小刚在“自制测力计”的实践活动中,想知道橡皮筋伸长与所受拉力的关系,于是他取了原长lo=5cm的一条橡皮筋做实验,记录数据如下表所示。请你分析表中数据并填空:F2∶F1=2∶1(l2-lo)∶(l1-lo)=2∶1F3∶F1=3∶1(l3-lo)∶(l1-lo)=3∶1F4∶F1=4∶1(l4-lo)∶(l1-lo)=F4∶F2=(l4-lo)∶(l2-lo)=2∶1F5∶F4=5∶4(l5-lo)∶(l4-lo)=由此可得出结论:在一定范围内,橡皮筋...

1、当您付费下载文档后,您只拥有了使用权限,并不意味着购买了版权,文档只能用于自身使用,不得用于其他商业用途(如 [转卖]进行直接盈利或[编辑后售卖]进行间接盈利)。
2、本站所有内容均由合作方或网友上传,本站不对文档的完整性、权威性及其观点立场正确性做任何保证或承诺!文档内容仅供研究参考,付费前请自行鉴别。
3、如文档内容存在违规,或者侵犯商业秘密、侵犯著作权等,请点击“违规举报”。

碎片内容

密度MicrosoftWord文档

您可能关注的文档

中小学资料+ 关注
实名认证
内容提供者

精美课件,值得下载

相关文档

确认删除?
VIP
微信客服
  • 扫码咨询
会员Q群
  • 会员专属群点击这里加入QQ群
客服邮箱
回到顶部