电脑桌面
添加小米粒文库到电脑桌面
安装后可以在桌面快捷访问

高中生物 第六讲 细胞代谢(二)学案 苏教版必修1-苏教版高二必修1生物学案VIP免费

高中生物 第六讲 细胞代谢(二)学案 苏教版必修1-苏教版高二必修1生物学案_第1页
1/18
高中生物 第六讲 细胞代谢(二)学案 苏教版必修1-苏教版高二必修1生物学案_第2页
2/18
高中生物 第六讲 细胞代谢(二)学案 苏教版必修1-苏教版高二必修1生物学案_第3页
3/18
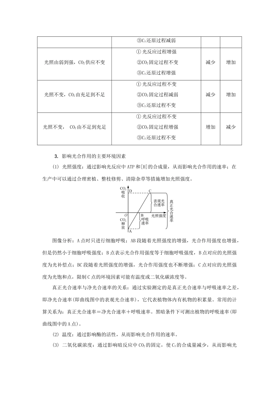
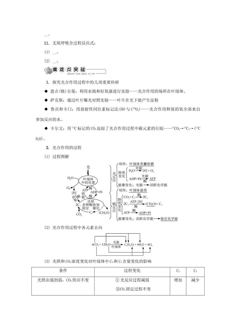
第六讲细胞代谢(二)测试内容测试要求五年考情光合作用以及对它的认识过程光合作用的认识过程光合作用的过程BB2012、2015、2016(选)影响光合作用速率的环境因素环境因素对光合作用速率的影响农业生产中提高农作物产量的方法CB2017(选)细胞呼吸有氧呼吸和无氧呼吸过程及异同细胞呼吸的意义及其在生产和生活中的应用BC2012、2013(选)1.德国植物学家萨克斯做的实验:让叶片一半曝光,另一半________,用碘蒸气处理,________的一半呈深蓝色,这一实验证明光合作用的产物有________________。2.光合作用分________、________两个阶段。光反应在__________________上进行,暗反应在________中进行。3.光反应能为暗反应提供__________________两种物质,________是活泼的还原剂。4.光合作用中的能量变化:光能→____________________→____________________。5.环境因素对光合作用速率的影响:环境因素包括________、________、________。6.光合作用全过程反应式:__。7.有氧呼吸第一阶段在________中进行,第二阶段在________中进行,第三阶段在________________中进行。水在第________阶段产生,大量能量在第________阶段释放。8.有氧呼吸是在________条件下进行,能量________释放,这些能量有一部分储存在________中。9.有氧呼吸与无氧呼吸的第________阶段完全一样。无氧呼吸的产物有________或________。10.有氧呼吸全过程反应式:__。11.无氧呼吸全过程反应式:(1)__。(2)__。1.探究光合作用过程中的几项重要科研◆恩吉(格)尔曼:利用水绵和好氧菌进行实验——光合作用的场所在叶绿体。◆萨克斯:通过叶片曝光对照实验——叶片在光下能产生淀粉◆鲁宾和卡门:用放射性同位素标记法(HO与C18O2)——光合作用释放的氧全部来自参加反应的水。◆卡尔文:用14C标记的CO2追踪了光合作用过程中碳元素的行踪——14CO2→14C3→(14CH2O)。2.光合作用的过程(1)过程图解(2)光合作用过程中各元素去向(3)光照和CO2浓度变化对叶绿体中C3和C5含量变化的影响条件过程变化C3C5光照由强到弱,CO2供应不变①光反应过程减弱②CO2固定过程不变增加减少③C3还原过程减弱光照由弱到强,CO2供应不变①光反应过程增强②CO2固定过程不变③C3还原过程增强减少增加光照不变,CO2由充足到不足①光反应过程不变②CO2固定过程减弱③C3还原过程不变减少增加光照不变,CO2由不足到充足①光反应过程不变②CO2固定过程增强③C3还原过程不变增加减少3.影响光合作用的主要环境因素(1)光照强度:通过影响光反应中ATP和[H]的合成量,从而影响光合作用的速率;在生产中可以通过合理密植、整枝修剪、清除杂草等措施增加光照强度。图像分析:A点时只进行细胞呼吸;AB段随着光照强度的增强,光合作用强度也增强,但是仍然小于细胞呼吸强度;B点表示光合作用强度等于细胞呼吸强度,B点对应的光照强度为光补偿点;BC段随着光照强度的增强,光合作用强度也不断增强;C点对应的光照强度为光饱和点,限制C点的环境因素可能有温度或二氧化碳浓度等。真正光合速率与净光合速率的关系:通过实验测定的是真正光合速率与呼吸速率之差,即净光合速率(即曲线图中的表观光合速率),它代表植物体内有机物的积累量。常用的计算关系为:真正光合速率=净光合速率+呼吸速率。黑暗条件下可测出植物的呼吸速率(即曲线图中的A点)。(2)温度:通过影响酶的活性,从而影响光合作用的速率。(3)二氧化碳浓度:通过影响暗反应中CO2的固定,使C3的合成量减少,从而影响光合作用的速率。在大田生产增加CO2浓度的方法有施用农家肥、合理密植、施用NH4HCO3,大棚生产还可以使用干冰、温室与鸡舍、猪舍相连等措施。4.解读细胞呼吸的过程图解(1)有氧呼吸和无氧呼吸的第一阶段完全相同。(2)有氧呼吸第一、二阶段产生的[H]用于第三阶段与O2结合生成水;无氧呼吸第一阶段产生的[H]用于第二阶段将丙酮酸还原为C2H5OH和CO2或乳酸。(3)有氧呼吸三个阶段的比较阶段项目第一阶段第二阶段第三阶段场所细胞质基质线粒体基质线粒体内膜反应物葡萄糖丙酮酸和水[H]和氧生成物丙酮酸和[H]CO2和[H]水释放能量少少多与O2的关系无关需在有氧的环境必须有氧参与(4)有氧呼吸中氧元素...

1、当您付费下载文档后,您只拥有了使用权限,并不意味着购买了版权,文档只能用于自身使用,不得用于其他商业用途(如 [转卖]进行直接盈利或[编辑后售卖]进行间接盈利)。
2、本站所有内容均由合作方或网友上传,本站不对文档的完整性、权威性及其观点立场正确性做任何保证或承诺!文档内容仅供研究参考,付费前请自行鉴别。
3、如文档内容存在违规,或者侵犯商业秘密、侵犯著作权等,请点击“违规举报”。

碎片内容

高中生物 第六讲 细胞代谢(二)学案 苏教版必修1-苏教版高二必修1生物学案

您可能关注的文档

;绿洲书城+ 关注
实名认证
内容提供者

从事历史教学,热爱教育,高度负责。

确认删除?
VIP
微信客服
  • 扫码咨询
会员Q群
  • 会员专属群点击这里加入QQ群
客服邮箱
回到顶部