电脑桌面
添加小米粒文库到电脑桌面
安装后可以在桌面快捷访问

九年级物理上册 13.6探究串、并联电路中的电压学案(含练习)(新版)粤教沪版-(新版)粤教沪版初中九年级上册物理学案VIP免费

九年级物理上册 13.6探究串、并联电路中的电压学案(含练习)(新版)粤教沪版-(新版)粤教沪版初中九年级上册物理学案_第1页
1/14
九年级物理上册 13.6探究串、并联电路中的电压学案(含练习)(新版)粤教沪版-(新版)粤教沪版初中九年级上册物理学案_第2页
2/14
九年级物理上册 13.6探究串、并联电路中的电压学案(含练习)(新版)粤教沪版-(新版)粤教沪版初中九年级上册物理学案_第3页
3/14
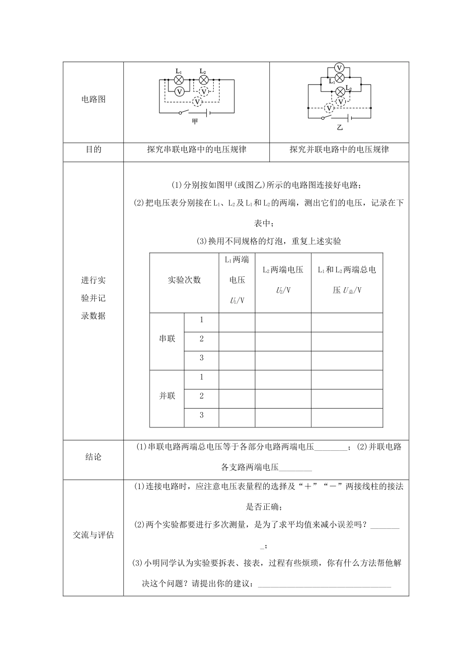
13.6探究串、并联电路中的电压1.探究串联电路的电压规律图13-6-12.探究并联电路的电压规律图13-6-2探究串、并联电路中的电压规律目的探究串联电路中的电压规律探究并联电路中的电压规律猜想串联电路两端的总电压可能等于各部分电路两端电压之和并联电路各支路两端的电压可能相等电路图目的探究串联电路中的电压规律探究并联电路中的电压规律进行实验并记录数据(1)分别按如图甲(或图乙)所示的电路图连接好电路;(2)把电压表分别接在L1、L2及L1和L2的两端,测出它们的电压,记录在下表中;(3)换用不同规格的灯泡,重复上述实验实验次数L1两端电压U1/VL2两端电压U2/VL1和L2两端总电压U总/V串联123并联123结论(1)串联电路两端总电压等于各部分电路两端电压________;(2)并联电路各支路两端电压________交流与评估(1)连接电路时,应注意电压表量程的选择及“+”“-”两接线柱的接法是否正确;(2)两个实验都要进行多次测量,是为了求平均值来减小误差吗?________;(3)小明同学认为实验要拆表、接表,过程有些烦琐,你有什么方法帮他解决这个问题?请提出你的建议:________________________________类型一探究串、并联电路电压的规律例1在“探究串、并联电路电压的规律”的实验中,张强同学分别按图13-6-3甲、乙两电路图连接电路并进行实验,他将测量的数据分别记录在表一和表二中.图13-6-3表一测量处acabbc电压/V2.51.21.3表二测量处abcdef电压/V2.52.52.5(1)分析表一数据得到的结论:____________________________;分析表二数据得到的结论:______________________________.(2)对于张强同学的实验过程你能提出的意见和建议:________________________________;你提出该建议的理由:________________________________________________________________________________________________________________________________________________.[实验点拨]把握实验考点,正确解答实验探究题(1)实验时,换用不同规格的小灯泡进行多次实验,其目的是避免实验数据的偶然性和特殊性,使结论更具有普遍性.(2)在连接电路时,开关应断开.(3)可根据实验用的电源电压来选择电压表的量程,若电源电压未知,可用试触法选择合适的量程.(4)闭合开关开始实验时,若发现电压表的指针反向偏转,说明电压表的“+”“-”接线柱接反了;若发现电压表的指针迅速摆到刻度盘的最右侧,说明所选量程太小.类型二串、并联电路电压规律的应用例2如图13-6-4所示的电路,开关S接a时,电压表示数为9V,开关S接b时,电压表示数为4V,下列说法不正确的是()图13-6-4A.电源电压为9VB.灯L1两端的电压为4VC.灯L2两端的电压为4VD.灯L1和L2两端的总电压为9V[方法指导]串联电路电压规律的应用(1)当多个用电器串联时,总电压等于各用电器两端电压之和,因此串联电路有分压作用.(2)在串联电路中,各用电器分得的电压不一定相等.若串联的用电器规格均相同,则它们两端的电压是相等的.例3如图13-6-5所示的电路,闭合开关,电压表V1的示数为6V,则电压表V2的示数为________V,电源电压为________V.图13-6-5[方法指导]并联电路电压规律的应用(1)在并联电路中,各支路两端的电压相等.(2)当多个用电器并联时,各支路两端电压仍相等.若知道某一支路两端的电压就可以推知其他各支路两端的电压.类型三根据电压表的示数判断电路故障例4如图13-6-6所示,开关S闭合后,L1和L2都不发光,将电压表并联在ab之间时,电压表示数为0,将电压表并联在bc之间时,电压表示数较大,若电路中只有一处故障,则该故障可能是()图13-6-6A.L2断路B.L2短路C.L1断路D.L1短路[方法指导]根据电压表示数判断电路故障的方法在进行实验探究或用电压表检测某段电路是否存在故障时,需将电压表与该段电路并联,可根据电压表的示数来分析判断电路故障,具体如下:(1)若电压表有示数,则说明电压表中有电流通过或电压表的两个接线柱到电源两极之间是连通的.若该电路中有断路,则断路处一定在与电压表所并联的电路部分,此时电压表示数接近电源电压.(2)若电压表无示数,则说明电压表中没有电流通过,可能的原因:①电压表的...

1、当您付费下载文档后,您只拥有了使用权限,并不意味着购买了版权,文档只能用于自身使用,不得用于其他商业用途(如 [转卖]进行直接盈利或[编辑后售卖]进行间接盈利)。
2、本站所有内容均由合作方或网友上传,本站不对文档的完整性、权威性及其观点立场正确性做任何保证或承诺!文档内容仅供研究参考,付费前请自行鉴别。
3、如文档内容存在违规,或者侵犯商业秘密、侵犯著作权等,请点击“违规举报”。

碎片内容

九年级物理上册 13.6探究串、并联电路中的电压学案(含练习)(新版)粤教沪版-(新版)粤教沪版初中九年级上册物理学案

您可能关注的文档

海博书城+ 关注
实名认证
内容提供者

从事历史教学,热爱教育,高度负责。

确认删除?
VIP
微信客服
  • 扫码咨询
会员Q群
  • 会员专属群点击这里加入QQ群
客服邮箱
回到顶部