电脑桌面
添加小米粒文库到电脑桌面
安装后可以在桌面快捷访问

高中物理 第一章 分子动理论 第二节 测量分子的大小讲义(含解析)粤教版选修3-3-粤教版高二选修3-3物理教案VIP免费

高中物理 第一章 分子动理论 第二节 测量分子的大小讲义(含解析)粤教版选修3-3-粤教版高二选修3-3物理教案_第1页
1/7
高中物理 第一章 分子动理论 第二节 测量分子的大小讲义(含解析)粤教版选修3-3-粤教版高二选修3-3物理教案_第2页
2/7
高中物理 第一章 分子动理论 第二节 测量分子的大小讲义(含解析)粤教版选修3-3-粤教版高二选修3-3物理教案_第3页
3/7
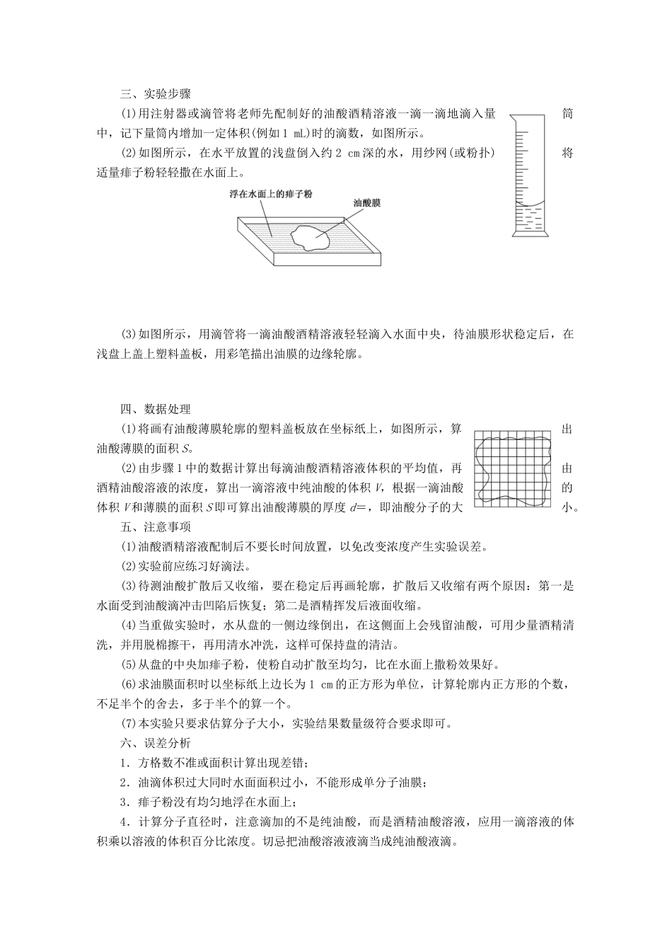
测量分子的大小一、实验器材序号器材名称备注1已稀释的油酸若干毫升体积比为1∶2002浅盘1只30cm×40cm3注射器(或滴管)1支4带方格的透明塑料盖板1块5量筒1个6彩色水笔1支7痱子粉(或石膏粉)带纱网或粉扑二、实验原理通过测量某些宏观量的数值来估算分子的大小,油膜法是粗测分子大小的一种方法,一般选油酸(密度小于水,浮在水面),油酸分子式C17H33COOH,它的构成中羧基—COOH,对水具有很强的亲和力,另一部分C17H33—对水没有亲和力而浮在水面,因此油酸分子会一个个地直立在水面上形成单分子油膜,如图甲所示。将油酸分子视为紧密排列的小球,若测出一定体积的油酸体积及在水面上形成的单分子油膜面积,即可用d=估算出油酸分子的直径大小,如图乙所示。甲乙三、实验步骤(1)用注射器或滴管将老师先配制好的油酸酒精溶液一滴一滴地滴入量筒中,记下量筒内增加一定体积(例如1mL)时的滴数,如图所示。(2)如图所示,在水平放置的浅盘倒入约2cm深的水,用纱网(或粉扑)将适量痱子粉轻轻撒在水面上。(3)如图所示,用滴管将一滴油酸酒精溶液轻轻滴入水面中央,待油膜形状稳定后,在浅盘上盖上塑料盖板,用彩笔描出油膜的边缘轮廓。四、数据处理(1)将画有油酸薄膜轮廓的塑料盖板放在坐标纸上,如图所示,算出油酸薄膜的面积S。(2)由步骤1中的数据计算出每滴油酸酒精溶液体积的平均值,再由酒精油酸溶液的浓度,算出一滴溶液中纯油酸的体积V,根据一滴油酸的体积V和薄膜的面积S即可算出油酸薄膜的厚度d=,即油酸分子的大小。五、注意事项(1)油酸酒精溶液配制后不要长时间放置,以免改变浓度产生实验误差。(2)实验前应练习好滴法。(3)待测油酸扩散后又收缩,要在稳定后再画轮廓,扩散后又收缩有两个原因:第一是水面受到油酸滴冲击凹陷后恢复;第二是酒精挥发后液面收缩。(4)当重做实验时,水从盘的一侧边缘倒出,在这侧面上会残留油酸,可用少量酒精清洗,并用脱棉擦干,再用清水冲洗,这样可保持盘的清洁。(5)从盘的中央加痱子粉,使粉自动扩散至均匀,比在水面上撒粉效果好。(6)求油膜面积时以坐标纸上边长为1cm的正方形为单位,计算轮廓内正方形的个数,不足半个的舍去,多于半个的算一个。(7)本实验只要求估算分子大小,实验结果数量级符合要求即可。六、误差分析1.方格数不准或面积计算出现差错;2.油滴体积过大同时水面面积过小,不能形成单分子油膜;3.痱子粉没有均匀地浮在水面上;4.计算分子直径时,注意滴加的不是纯油酸,而是酒精油酸溶液,应用一滴溶液的体积乘以溶液的体积百分比浓度。切忌把油酸溶液液滴当成纯油酸液滴。实验操作的注意事项[例1]在做“用油膜法估测分子的大小”的实验中,某同学的实验步骤如下:A.将画有油膜轮廓的玻璃板放在坐标纸上,数出轮廓内的方格数(不足半个的舍去,多于半个的算一个),再根据方格的边长求出油膜的面积S。B.将一滴油酸酒精溶液滴在水面上,待油酸薄膜的形状稳定后,将玻璃板放在浅盘上,用彩笔将薄膜的形状描画在玻璃板上。C.用浅盘装入约2cm深的水。D.用公式d=V/S求出薄膜厚度,即油酸分子的直径。E.根据油酸酒精溶液的浓度,算出一滴溶液中纯油酸的体积V。上述实验步骤中有遗漏或步骤不完全的,请你指出来:(1)________________________________________________________________________;(2)________________________________________________________________________。请你为他将合理的步骤排列出来:_____________________________________________。[解析](1)C步骤中,要将痱子粉或石膏粉均匀地撒在水面上。(2)实验时,还需要F。用注射器或滴管将事先配制好的油酸酒精溶液一滴一滴地滴入量筒,记下溶液的滴数n与量筒中增加的溶液体积V0。合理步骤:CFBAED[答案]见解析用油膜法测量分子的大小[例2]在做“用油膜法估测分子的大小”实验中,油酸酒精溶液的浓度为每104mL溶液中有纯油酸6mL。用注射器测得1mL上述溶液中有液滴50滴。把1滴该溶液滴入盛水的浅盘里,待水面稳定后,将玻璃板放在浅盘上,在玻璃板上描出油膜的轮廓,随后把玻璃板放在坐标纸上,其形状如图所示,坐标中正方形的小方格的边长为20mm。(1)油酸...

1、当您付费下载文档后,您只拥有了使用权限,并不意味着购买了版权,文档只能用于自身使用,不得用于其他商业用途(如 [转卖]进行直接盈利或[编辑后售卖]进行间接盈利)。
2、本站所有内容均由合作方或网友上传,本站不对文档的完整性、权威性及其观点立场正确性做任何保证或承诺!文档内容仅供研究参考,付费前请自行鉴别。
3、如文档内容存在违规,或者侵犯商业秘密、侵犯著作权等,请点击“违规举报”。

碎片内容

高中物理 第一章 分子动理论 第二节 测量分子的大小讲义(含解析)粤教版选修3-3-粤教版高二选修3-3物理教案

您可能关注的文档

星河书苑+ 关注
实名认证
内容提供者

从事历史教学,热爱教育,高度负责。

相关文档

确认删除?
VIP
微信客服
  • 扫码咨询
会员Q群
  • 会员专属群点击这里加入QQ群
客服邮箱
回到顶部