电脑桌面
添加小米粒文库到电脑桌面
安装后可以在桌面快捷访问

车工项目课程设计VIP免费

车工项目课程设计_第1页
1/63
车工项目课程设计_第2页
2/63
车工项目课程设计_第3页
3/63
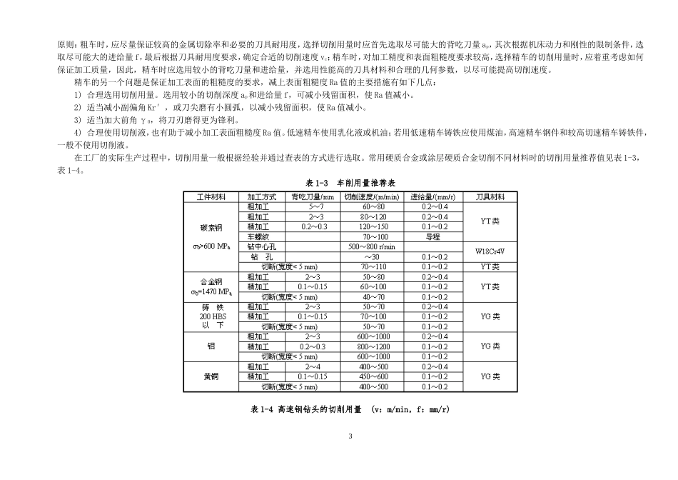
项目1柱体的车削加工一.项目设计1.实训目标⑴掌握外圆与端面的基本车削方法,调头加工与台阶轴的台阶长度控制的车削方法。⑵掌握掌握外圆刀的刃磨,中心钻的使用及砂轮机的使用。⑶掌握基本量具的使用方法,重点是游标卡尺的使用。2.低台阶轴零件图图1-1低台阶轴3.准备通知书表1-1低台阶轴加工准备通知书序号名称主要规格及要求数量备注1毛坯Φ40×90mm(橡胶棒)1/人根据各班人数准备毛坯数量2外圆刀90°右偏刀1/车3中心钻A型(D=1.0)1/车4车床扳手与车床配备1套/车5固定顶尖柄部为莫氏锥柄1/车6游标卡尺精度0.02mm1/车7砂轮机带有氧化铝和碳化硅砂轮1台车间配备1二、评分标准(100分)表1-2低台阶轴加工评分标准序号检测项目评分内容配分评分标准检测结果得分1外圆Φ30±0.05mm10尺寸超差0.02扣1分Φ34±0.05mm10Φ39±0.05mm10Φ36±0.05mm102长度87±0.1mm1030±0.1mm102±0.1mm1022±0.1mm103表面质量外圆、端面10表面光洁程度4安全操作加工过程10有无违规操作,重大违规操作扣全部分数三、理论技能1.刀具刃磨及使用⑴砂轮机使用要求砂轮机是车工常用设备,主要用于刃磨刀具,但是使用砂轮机有一定的危险性,要求学生及老师在使用砂轮机一定要正确操作,以达到安全文明操作,以下是砂轮机使用时出现较为常见的问题提出重点要求。①安装好的砂轮必须进行5分钟的空转,运转人员站在两侧位置,无明显振动和其它问题时方可投入使用。②砂轮旋转方向应与轴头螺纹旋转旋向相反,正对砂轮旋转方向不许站人。③除修整刀具、刃面外,一般不宜用砂轮的侧面磨削,对厚度小于20mm的砂轮,禁止使用其侧面磨削,砂轮的圆表面出现不规整时应及时修理。④磨削时要牢握工件,并缓慢接近砂轮,用力不可过猛,不准两人同时在同一个砂轮上磨削。⑤细小工件必须用工具夹持,不准直接用手拿;不准带手套刃磨刀具,头发长的女生必须把头发盘起来。⑥磨削时必须戴防护眼镜,且不要正对砂轮旋转方向站立,使用砂轮机时,砂轮方向应避开人行道和设备。以上是砂轮机使用的部分注意事项,详细内容参照实训基地的《砂轮机使用章程》。⑵刀具使用要求车刀刃磨的好坏决定加工质量,如果要求获得较高加工质量的零件,必须刃磨好刀具。刃磨刀具一定要参照各种刀具的几何角度的选择要求进行刃磨;另外要根据个人积累的加工经验、刀具的使用要求进行刃磨刀具,这个需要长期对设备的认知和个人操作的熟练程度而定。加工过程合理的切削用量尤为重要,影响到的因素包括刀具的使用寿命,加工切削的难易,表面质量的好坏及加工时间的快慢等,车削加工中切削用量的选用2原则:粗车时,应尽量保证较高的金属切除率和必要的刀具耐用度,选择切削用量时应首先选取尽可能大的背吃刀量ap,其次根据机床动力和刚性的限制条件,选取尽可能大的进给量f,最后根据刀具耐用度要求,确定合适的切削速度vc;精车时,对加工精度和表面粗糙度要求较高,选择精车的切削用量时,应着重考虑如何保证加工质量,因此,精车时应选用较小的背吃刀量和进给量,并选用性能高的刀具材料和合理的几何参数,以尽可能提高切削速度。精车的另一个问题是保证加工表面的粗糙度的要求,减上表面粗糙度Ra值的主要措施有如下几点:1)合理选用切削用量。选用较小的切削深度ap和进给量f,可减小残留面积,使Ra值减小。2)适当减小副偏角Kr′,或刀尖磨有小圆弧,以减小残留面积,使Ra值减小。3)适当加大前角γ0,将刀刃磨得更为锋利。4)合理使用切削液,也有助于减小加工表面粗糙度Ra值。低速精车使用乳化液或机油;若用低速精车铸铁应使用煤油,高速精车钢件和较高切速精车铸铁件,一般不使用切削液。在工厂的实际生产过程中,切削用量一般根据经验并通过查表的方式进行选取。常用硬质合金或涂层硬质合金切削不同材料时的切削用量推荐值见表1-3,表1-4。表1-3车削用量推荐表表1-4高速钢钻头的切削用量(v:m/min,f:mm/r)3⑶车刀安装的方法①车刀安装在刀架上,伸出部分不宜太长,一般为刀杆高度的1.5倍左右。伸出太长会使刀杆刚性差,易产生振动。②刀杆中心线应与进给方向垂直。否则会使主偏角和副偏角的数值发生变化。③车刀刀尖一般应与工件轴线同高,否...

1、当您付费下载文档后,您只拥有了使用权限,并不意味着购买了版权,文档只能用于自身使用,不得用于其他商业用途(如 [转卖]进行直接盈利或[编辑后售卖]进行间接盈利)。
2、本站所有内容均由合作方或网友上传,本站不对文档的完整性、权威性及其观点立场正确性做任何保证或承诺!文档内容仅供研究参考,付费前请自行鉴别。
3、如文档内容存在违规,或者侵犯商业秘密、侵犯著作权等,请点击“违规举报”。

碎片内容

车工项目课程设计

您可能关注的文档

确认删除?
VIP
微信客服
  • 扫码咨询
会员Q群
  • 会员专属群点击这里加入QQ群
客服邮箱
回到顶部