电脑桌面
添加小米粒文库到电脑桌面
安装后可以在桌面快捷访问

电功率辅导题VIP免费

电功率辅导题_第1页
1/4
电功率辅导题_第2页
2/4
电功率辅导题_第3页
3/4
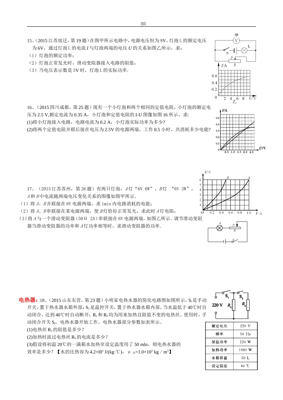
页1、电功的特点是将_____转化为_____。电流通过用电器做了多少功,就有多少_____转化为_____。符号_____,国际主单位_____,常用单位_____,它们的换算关系为_______。某段电路上的电功,跟这段电路_______、_______及_____成正比,计算公式为:_______。2、电功率是___________________,它是描述____________的物理量。符号_____,国际主单位___工程技术上的常用单位是_____。计算公式为:__________。铭牌标值“6V4W”的灯,它的额定电压为____,额定电流为____,正常工作时的电阻为____,额定功率为____,若所给电压为3V,则此时实际电流为____,实际功率为____(不考虑温度对电阻的影响)。3、下列能决定导体电阻大小的物理量是A.导体两端的电压B.导体中的电流C.导体的材料D.导体实际消耗的电功率4、白炽灯是利用电流的_____原理制成的,它的灯丝是用____制成。为了防止____,灯泡都抽成真空;大功率的灯泡充人氮气或氩气,以阻止灯丝在高温下____。5、家庭电路中正在使用的两盏白炽灯,若甲灯比乙灯亮,则()A.甲灯灯丝电阻一定比乙灯的大B.甲灯两端的电压一定比乙灯的大C.通过甲灯的电量一定比乙灯的多D.甲灯的实际功率一定比乙灯的大6、标有“36V25W”、“110V25W”、“220V25W”字样的三个灯泡,若在各自额定电压下工作,则()A、“220V25W”的灯泡最亮B、“110V25W”的灯泡最亮C、“36V25W”的灯泡最亮D、都一样亮7、如图所示,S闭合后,灯L发光,当滑动变阻器的滑片P向b端滑动时,灯L的亮度和电流表的示数变化是()A、灯变亮,电流表示数变大B、灯变暗,电流表示数变小C、灯变亮,电流表示数变小D、灯变暗,电流表示数不变8、一盏标有“36V36W”字样的电灯,将它接到27V的电路中,其电功率为:(设灯泡灯丝的阻值不随温度变化)()A、36WB、18WC、9WD、20.25w9、A、B两电阻阻值之比为2:3,加在电阻两端的电压之比为4:5,在相同的时间内A、B消耗的电功之比为____10、甲灯标有“220V40W”,乙灯标有“110V40W”,将它们分别接在电路中,都能正常发光,则甲、乙两灯实际功率之比为,甲、乙两灯通过的电流之比为,甲灯的电阻是欧,甲、乙两灯的电阻之比为。11、如图所示的电路中,R1:R2=3:2,电源电压U保持不变,当开关S断开时,R1消耗的功率为P1;当开关S闭合时,R1消耗的功率为P2,则P1与P2之比是__.12、一个灯泡中的问题:电灯泡是我们日常生活中不可缺少的家用电器。在初中电学的学习中,与电灯泡相关联的知识点很多,涉及到很多题型。例如,一个灯泡标有“220v,40w"字样,问题:(1)这些字样的含义是什么?(2)该灯泡在照明电路中,什么时候容易烧断灯丝,为什么?(3)该灯泡灯丝烧断以后搭接起来使用,亮度有什么变化?为什么?(4)该灯泡正常工作时通过的电流有多大?灯丝的电阻有多大?(5)1度电可供该灯泡正常工作几小时?(6)该灯泡正常工作8小时消耗电能多少焦耳?合多少度电?可使标有“3000r/Kwh"的电能表的表盘转多少转?(7)当把该灯泡与标有“220v60w"字样的灯泡串联接入220v的电路中,两灯泡的实际功率为多大?哪个灯泡亮些?(8)为了使该灯泡接入380v的电路后能正常工作,应串联多大电阻?电阻的电功率应为多大?它1分钟产生的热量为多少?1电功率(赶2:10—2:30)姓名:页图像:13、(2015贵州安顺,第15题)在“测量小灯泡的电功率”实验中,电源电压恒定为6V,小灯泡L的额定电压为2.5V,电阻大约为10Ω左右,可供选用的滑动变阻器R1和R2的最大阻值分别为10Ω、50Ω,实验电路如图12所示。(1)应该选用的滑动变阻器是__________。(2)电路正确连接后,闭合开关,发现小灯泡不亮,但电流表有示数。为使灯泡变亮,接下来应进行的操作是什么?(写出具体的操作)(3)如图13根据实验数据绘成的U﹣I图象。根据图象提供的信息,可计算出小灯泡的额定功率是多少?(4)某同学继续移动滑片,小灯泡突然熄灭,此时电流表示数为零,而电压表有示数,那么出现的故障是什么?此时电压表的示数是多少?14、(2015湖南长沙,第39题)如图甲所示,电源电压恒为18V,灯...

1、当您付费下载文档后,您只拥有了使用权限,并不意味着购买了版权,文档只能用于自身使用,不得用于其他商业用途(如 [转卖]进行直接盈利或[编辑后售卖]进行间接盈利)。
2、本站所有内容均由合作方或网友上传,本站不对文档的完整性、权威性及其观点立场正确性做任何保证或承诺!文档内容仅供研究参考,付费前请自行鉴别。
3、如文档内容存在违规,或者侵犯商业秘密、侵犯著作权等,请点击“违规举报”。

碎片内容

电功率辅导题

您可能关注的文档

相关文档

确认删除?
VIP
微信客服
  • 扫码咨询
会员Q群
  • 会员专属群点击这里加入QQ群
客服邮箱
回到顶部