电脑桌面
添加小米粒文库到电脑桌面
安装后可以在桌面快捷访问

土建、装饰定额VIP免费

土建、装饰定额_第1页
1/43
土建、装饰定额_第2页
2/43
土建、装饰定额_第3页
3/43
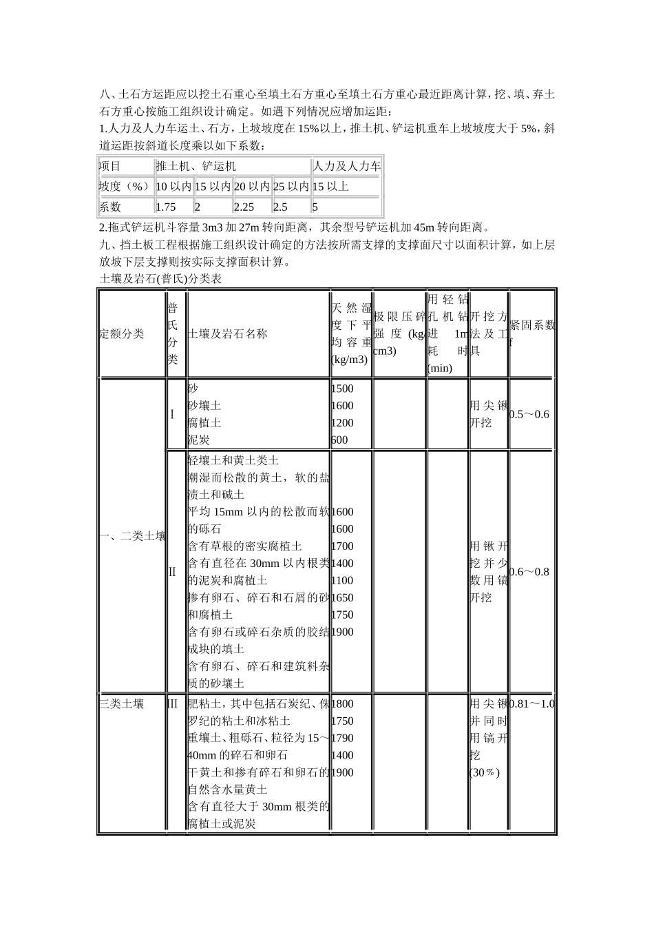
第一章土石方工程说明一、土石方定额分别开挖、运输、回填和人工、机械操作编制。二、土石方定额中的岩土分类详见“土壤、岩石分类表”。表中所列Ⅰ、Ⅱ类为定额中一、二类土壤(普通土);Ⅲ类为定额中三类土壤(坚土):Ⅳ类为定额中四类土壤(砂砾坚土);Ⅴ类为定额中松石;Ⅵ~Ⅷ类为定额中次坚石;Ⅸ~Ⅹ类为定额中普坚石;Ⅺ~ⅩⅥ类为定额中特坚石。三、套用土石方定额应根据合理的施工方案,选择合理的开挖或回填方式、运输距离、机械类型和型号。四、土方工程定额。1.土壤含水率大于25%时,相应挖土、装土、运土定额人工和机械数量乘以1.18系数。如已采用井点降水的,则均按干土计算。干湿土的划分首先以地质勘察资料为准,含水率≥25%为湿土;若无地质勘察资料,以地下常水位为准,常水位以上为干土,以下为湿土。在同一沟槽、基坑内有干、湿土时,工程量应分别计算,并按槽、坑的全深套用相应定额项目。如泥土在静水或缓慢的流水环境中沉积,经生物化学作用形成,天然含水量W大于液限WL、天然孔隙比e小于1.0时为粘性土;天然孔隙比大于1.5时为淤泥;天然孔隙比大于1.0而小于1.5时为淤泥质土。无论是淤泥还是淤泥质土一律套用淤泥定额。2.回填土压实、碾压定额按压实后的体积编制,人工、机械松填土定额按松填体积编制,其他土方挖、运(包括装载机装松散土)定额按天然密实体积(自然方)编制。3.平整场地定额未包括挖树根、草皮和排除障碍物,有发生时另行计算。4.人工开挖砾石含量在30%以上密实性土壤的,按相应四类土定额乘以系数1.43。5.人工挖沟槽土方一侧弃土,槽坑一侧填土时,相应定额乘以系数1.13。人工挖沟槽、基坑土方,沟槽、基坑基底开挖宽度在1m以内的,相应定额乘以系数1.5。6.人工在群桩间挖土的,挖土定额人工乘以系数1.25,工程量计算时桩省所占体积不扣除。7.人工挖土方需要人工垂直提升土方超过1.5m的,挖沟槽淤泥、流砂深度超过1.5m的,超出部分工程量应计算土方垂直运输费用,按垂直深度全深每米折合水平距离7m套用人工运土或淤泥、流砂定额的每增运项目。8.人工配合机械挖土,且人工挖土工程量小于总挖方工程量的10%的,人工挖土套用相应定额乘以系数1.5。9.挖掘机在垫板上作业的,相应定额人工和机械消耗量乘以系数1.25,搭拆垫板的费用另行计算。10.推土机推土或铲运机铲土的土层平均厚度<30cm时,相应定额推土机台班数量乘以系数1.25,铲运机台班数量乘以系数1.17。11.在横撑间距≤3m的支撑下挖土的土方工程量,套用相应定额人工消耗量乘以系数1.43,机械消耗量乘以系数1.20。在横撑间距>3m的支撑下挖土和先开挖后支撑的不调整。12.运淤泥套用相应运土定额,自卸汽车台班数量乘以系数1.30。13.手扶振动压路机碾压定额适用于无法采用振动压路机施工的土方工程量。14.泥浆运输定额按实际运输的泥浆量编制。15.凿除人工挖孔灌注混凝土桩护壁可以套用砍灌注桩头定额乘以系数0.85。六、石方爆破定额不适用于控制爆破。石方爆破定额按电雷管、炮眼法松动爆破和无地下渗水积水考虑,未考虑防水和覆盖材料。采用火雷管的,雷管材料可以换算,数量不变,扣除胶质导线用量,按每个雷管增加导火索用量2.12m。七、自卸汽车运土石方采用人工、反铲挖掘机或抓铲挖掘机装车的,运输1km以内定额的自卸汽车台班数量乘以系数1.03;采用拉铲挖掘机装车的,自卸汽车台班数量乘以系数1.06。八、同一槽、沟、坑内不同类别的土石方,工程量分开计算,套用定额应按同一槽、沟、坑深度(全深)。九、土石方定额未考虑挖湿土及淤泥时所发生的排水费用,未考虑现场障碍物清理,未考虑弃土、石方的场地占用,有发生时另行计算。十、挡土板工程定额。1.适用于沟槽、基坑、工作坑及检查井的挡土板支撑。2.所指的“密挡土板”是指满铺挡板,“疏挡土板”是指间隔铺挡板。3.除钢挡土板定额外,其他定额按横板考虑,如采用竖板的,相应定额人工消耗量乘以系数1.20。4.定额中挡土板支撑按槽坑两侧同时支撑挡土板考虑,槽坑一侧支撑挡土板的,相应定额人工消耗量乘以系数1.33,除挡土板外的材料乘以系数1.33;槽坑宽度超过4.1m时,其两侧均按一侧支挡土板计算。5.采用井字支撑...

1、当您付费下载文档后,您只拥有了使用权限,并不意味着购买了版权,文档只能用于自身使用,不得用于其他商业用途(如 [转卖]进行直接盈利或[编辑后售卖]进行间接盈利)。
2、本站所有内容均由合作方或网友上传,本站不对文档的完整性、权威性及其观点立场正确性做任何保证或承诺!文档内容仅供研究参考,付费前请自行鉴别。
3、如文档内容存在违规,或者侵犯商业秘密、侵犯著作权等,请点击“违规举报”。

碎片内容

土建、装饰定额

您可能关注的文档

确认删除?
VIP
微信客服
  • 扫码咨询
会员Q群
  • 会员专属群点击这里加入QQ群
客服邮箱
回到顶部