电脑桌面
添加小米粒文库到电脑桌面
安装后可以在桌面快捷访问

重庆防雷设施隐蔽工程分段检测验收手册VIP免费

重庆防雷设施隐蔽工程分段检测验收手册_第1页
1/24
重庆防雷设施隐蔽工程分段检测验收手册_第2页
2/24
重庆防雷设施隐蔽工程分段检测验收手册_第3页
3/24
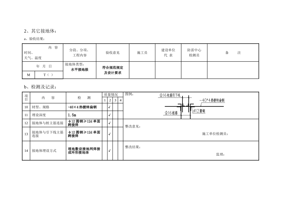
222钢筋1、桩:a、验收结果:内容时间、天气、温度分段、分项、工程内容验收意见施工员建设单位代表防雷中心检测员备注年月日桩类型:混凝土灌注桩符合规范规定及设计要求MT()b、检测及记录:项目内容检测质量情况图例:123401利用系数0.50√02桩深6.5m~8.8m√03桩直径1.1m√04桩主筋直径Ф16√整改意见:施工单位检测员:05利用主筋数2条√06单桩接地电阻平衡度1√07土壤电阻率√整改结果:监理:08地下水位-2.0m√09四置距离E>28mS>50mW0mN>50m√C、附图及说明:钢筋型号、连接方式填写要与渝建竣表格一致交防雷办纸质扫描件、插图、监审档案等更多资料请加QQ群15506269施工单位检测员:2、其它接地体:a、验收结果:内容时间、天气、温度分段、分项、工程内容验收意见施工员建设单位代表防雷中心检测员备注年月日接地体类型:水平接地极符合规范规定及设计要求MT()b、检测及记录:项目内容检测质量情况图例:123410材型、规格-40×4热镀锌扁钢√11埋设深度1.5m√12接地体与桩主筋连接φ12圆钢≥12d单面跨接焊√整改意见:施工单位检测员:13接地体与引下线主筋连接φ12圆钢≥12d单面跨接焊√14接地体埋设方式埋地敷设接地网焊接成环形接地体√整改结果:监理:C、附图及说明:施工单位检测员:3、承台:a、验收结果:内容时间、天气、温度分段、分项、工程内容验收意见施工员建设单位代表防雷中心检测员备注年月日承台类型:MT()b、检测及记录:项目内容检测质量情况图例:123415引下线间距16引下线利用柱主筋数17承台与桩主筋连接整改意见:施工单位检测员:18承台与引下线柱主筋连接19每根引下线在-50cm处钢筋总面积整改结果:监理:C、附图及说明:施工单位检测员:4、地梁:a、验收结果:内容时间、天气、温度分段、分项、工程内容验收意见施工员建设单位代表防雷中心检测员备注年月日地梁类型:框架地梁符合规范规定及设计要求MT()b、检测及记录:项目内容检测质量情况图例:Φ12钢筋跨接焊Φ12钢筋跨接焊Φ12钢筋跨接焊短路环焊接短路环焊接地梁主筋与地梁主筋焊接柱内引下线与地梁主筋焊接123420地梁主筋与引下线柱主筋连接2根φ16地梁主筋与引下线用φ12圆钢≥12d单面跨接焊21地梁间主筋连接φ12圆钢≥12d单面跨接焊22短路环地梁箍筋焊接间距≤6m整改意见:施工单位检测员:23预留电气接地预留φ12圆钢24接地体电阻值0.75Ω整改结果:监理:C、附图及说明:施工单位检测员:5、柱筋引下线:a、验收结果:内容时间、天气、温度分段、分项、工程内容验收意见施工员建设单位代表防雷中心检测员备注年月日柱筋引下线类型:利用柱内主筋引下符合规范规定及设计要求MT()b、检测及记录:项目25引下线连接项目26短路环项目27电气预留接地项目28间距项目29利用主筋数质量情况图例:123401电渣压力焊后ф12圆钢跨接焊焊接1个短路环预留ф12圆钢引出长度0.8m最大**米2条√02030405整改意见:施工单位检测员:06070809整改意见:监理:1011内容检测楼层内容检测楼层项目25引下线连接项目26短路环项目27电气预留接地项目28间距项目29利用主筋数质量情况图例:1234121314151617181920212223整改意见:施工单位检测员:2425262728整改意见:监理:293031内容检测楼层项目25引下线连接项目26短路环项目27电气预留接地项目28间距项目29利用主筋数质量情况图例:1234323334353637383940414243整改意见:施工单位检测员:4445464748整改意见:监理:4950516、均压环:a、验收结果:内容时间、天气、温度分段、分项、工程内容验收意见施工员建设单位代表防雷中心检测员备注年月日均压环类型:(侧击雷防护)利用圈梁外侧两条主筋焊接为一个电气通路符合设计及规范要求MT()b、检测及记录:内容检测楼层项目30均压环与柱主筋连接项目31预留钢筋焊接项目32窗-环过渡电阻检测员质量情况例:柱筋引下线Φ12钢筋跨接焊φ12圆钢单边焊接长度15cm圈梁外侧两根钢筋作均压环12340102030405整改意见:施工单位检测员:06070809整改结果:监理:102根φ16圈梁主筋φ12圆钢≥12d单面跨接焊预留φ12圆钢单边焊接长度15cm0.01Ω√112根φ16圈梁主筋φ12圆钢≥12d单面跨接焊预留φ12圆钢单...

1、当您付费下载文档后,您只拥有了使用权限,并不意味着购买了版权,文档只能用于自身使用,不得用于其他商业用途(如 [转卖]进行直接盈利或[编辑后售卖]进行间接盈利)。
2、本站所有内容均由合作方或网友上传,本站不对文档的完整性、权威性及其观点立场正确性做任何保证或承诺!文档内容仅供研究参考,付费前请自行鉴别。
3、如文档内容存在违规,或者侵犯商业秘密、侵犯著作权等,请点击“违规举报”。

碎片内容

重庆防雷设施隐蔽工程分段检测验收手册

确认删除?
VIP
微信客服
  • 扫码咨询
会员Q群
  • 会员专属群点击这里加入QQ群
客服邮箱
回到顶部