电脑桌面
添加小米粒文库到电脑桌面
安装后可以在桌面快捷访问

人教版初二物理下册知识点详细VIP免费

人教版初二物理下册知识点详细_第1页
1/14
人教版初二物理下册知识点详细_第2页
2/14
人教版初二物理下册知识点详细_第3页
3/14
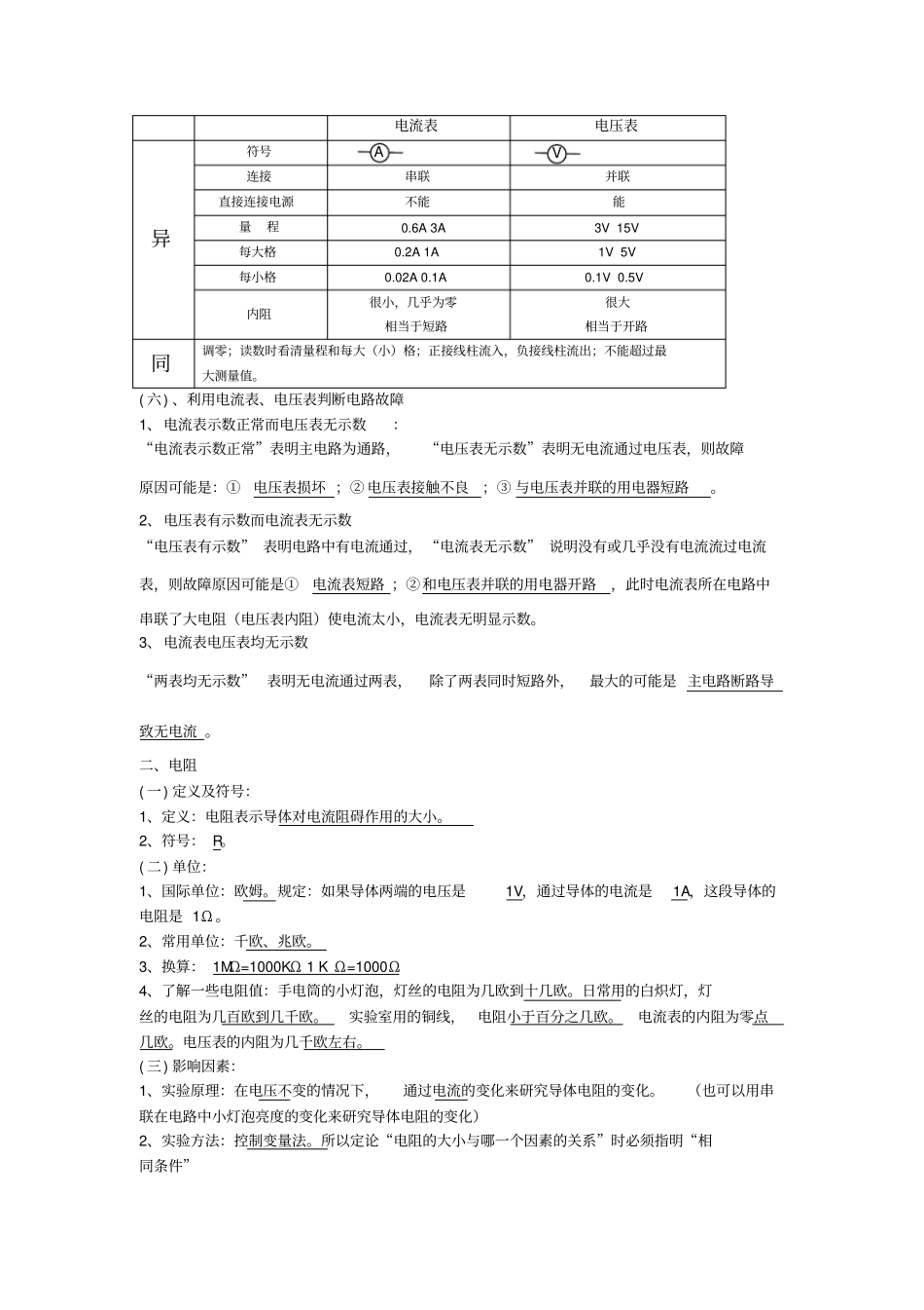
第六章《电压电阻》复习提纲一、电压(一)、电压的作用1、电压是形成电流的原因:电压使电路中的自由电荷定向移动形成了电流。电源是提供电压的装置。2、电路中获得持续电流的条件①电路中有电源(或电路两端有电压)②电路是连通的。注:说电压时,要说“xxx”两端的电压,说电流时,要说通过“xxx”的电流。3、在理解电流、电压的概念时,通过观察水流、水压的模拟实验帮助我们认识问题,这里使用了科学研究方法“类比法”(类比是指由一类事物所具有的属性,可以推出与其类似事物也具有这种属性的思考和处理问题的方法)(二)、电压的单位1、国际单位:V常用单位:kVmV、μV换算关系:1Kv=1000V1V=1000mV1mV=1000μV2、记住一些电压值:一节干电池1.5V一节蓄电池2V家庭电压220V安全电压不高于36V(三)、电压测量:1、仪器:电压表,符号:2、读数时,看清接线柱上标的量程,每大格、每小格电压值3、使用规则:两要、一不①电压表要并联在电路中。②电流从电压表的“正接线柱”流入,“负接线柱”流出。否则指针会反偏。③被测电压不要超过电压表的最大量程。Ⅰ危害:被测电压超过电压表的最大量程时,不仅测不出电压值,电压表的指针还会被打弯甚至烧坏电压表。Ⅱ选择量程:实验室用电压表有两个量程,0—3V和0—15V。测量时,先选大量程,用开关试触,若被测电压在3V—15V可测量,若被测电压小于3V则换用小的量程,若被测电压大于15V则换用更大量程的电压表。(四)、电流表、电压表的比较:V电流表电压表异符号连接串联并联直接连接电源不能能量程0.6A3A3V15V每大格0.2A1A1V5V每小格0.02A0.1A0.1V0.5V内阻很小,几乎为零相当于短路很大相当于开路同调零;读数时看清量程和每大(小)格;正接线柱流入,负接线柱流出;不能超过最大测量值。(六)、利用电流表、电压表判断电路故障1、电流表示数正常而电压表无示数:“电流表示数正常”表明主电路为通路,“电压表无示数”表明无电流通过电压表,则故障原因可能是:①电压表损坏;②电压表接触不良;③与电压表并联的用电器短路。2、电压表有示数而电流表无示数“电压表有示数”表明电路中有电流通过,“电流表无示数”说明没有或几乎没有电流流过电流表,则故障原因可能是①电流表短路;②和电压表并联的用电器开路,此时电流表所在电路中串联了大电阻(电压表内阻)使电流太小,电流表无明显示数。3、电流表电压表均无示数“两表均无示数”表明无电流通过两表,除了两表同时短路外,最大的可能是主电路断路导致无电流。二、电阻(一)定义及符号:1、定义:电阻表示导体对电流阻碍作用的大小。2、符号:R。(二)单位:1、国际单位:欧姆。规定:如果导体两端的电压是1V,通过导体的电流是1A,这段导体的电阻是1Ω。2、常用单位:千欧、兆欧。3、换算:1MΩ=1000KΩ1KΩ=1000Ω4、了解一些电阻值:手电筒的小灯泡,灯丝的电阻为几欧到十几欧。日常用的白炽灯,灯丝的电阻为几百欧到几千欧。实验室用的铜线,电阻小于百分之几欧。电流表的内阻为零点几欧。电压表的内阻为几千欧左右。(三)影响因素:1、实验原理:在电压不变的情况下,通过电流的变化来研究导体电阻的变化。(也可以用串联在电路中小灯泡亮度的变化来研究导体电阻的变化)2、实验方法:控制变量法。所以定论“电阻的大小与哪一个因素的关系”时必须指明“相同条件”AV3、结论:导体的电阻是导体本身的一种性质,它的大小决定于导体的材料、长度和横截面积,还与温度有关。4、结论理解:⑴导体电阻的大小由导体本身的材料、长度、横截面积决定。与是否接入电路、与外加电压及通过电流大小等外界因素均无关,所以导体的电阻是导体本身的一种性质。⑵结论可总结成公式R=ρL/S,其中ρ叫电阻率,与导体的材料有关。记住:ρ银<ρ铜<ρ铝,ρ锰铜<ρ镍隔。假如架设一条输电线路,一般选铝导线,因为在相同条件下,铝的电阻小,减小了输电线的电能损失;而且铝导线相对来说价格便宜。(四)分类1、定值电阻:电路符号:。2、可变电阻(变阻器):电路符号。⑴滑动变阻器:构造:瓷筒、线圈、滑片、金属棒、接线柱结构示意图:。变阻原理:通过改变接入电路中的电阻线的长度来改...

1、当您付费下载文档后,您只拥有了使用权限,并不意味着购买了版权,文档只能用于自身使用,不得用于其他商业用途(如 [转卖]进行直接盈利或[编辑后售卖]进行间接盈利)。
2、本站所有内容均由合作方或网友上传,本站不对文档的完整性、权威性及其观点立场正确性做任何保证或承诺!文档内容仅供研究参考,付费前请自行鉴别。
3、如文档内容存在违规,或者侵犯商业秘密、侵犯著作权等,请点击“违规举报”。

碎片内容

人教版初二物理下册知识点详细

您可能关注的文档

确认删除?
VIP
微信客服
  • 扫码咨询
会员Q群
  • 会员专属群点击这里加入QQ群
客服邮箱
回到顶部