电脑桌面
添加小米粒文库到电脑桌面
安装后可以在桌面快捷访问

降排水及基坑支护技术交底VIP免费

降排水及基坑支护技术交底_第1页
1/4
降排水及基坑支护技术交底_第2页
2/4
降排水及基坑支护技术交底_第3页
3/4
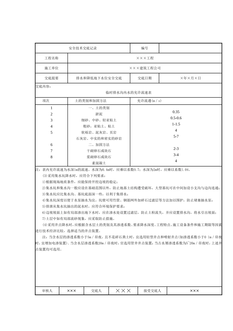
安全技术交底记录编号工程名称×××工程施工单位×××建筑工程公司交底提要排水和降低地下水位安全交底交底日期×年×月×日交底内容:排水和降低地下水位安全交底l.排水的安全要求(1)施工前应作好施工区域内临时排水系统的总体规划,并注意与原排水系统相适应。临时性排水设施应尽量与永久性排水设施相结合。山区施工应充分利用和保护自然排水系统和山地植被,如需改变原排水系统时,应取得有关单位同意。(2)临时排水不得破坏附近建筑物或构筑物的地基和挖、填方的边坡,并注意不要损害农田、遭路。注:1)临时截水淘至挖方边坡上缘的距离,应根据土质确定,一般不小于3m。2)临时排水沟之填方坡脚应有适当距离,沟内最高水位应低于坡脚至少03m。(3)在山坡地区施工,应尽量按设计要求先做好永久性截水沟,或设置临时截水沟,阻止山坡水流人施工场地。沟底应防止渗漏。在平坦地区施工,可采用挖l临时排水沟或筑土堤等措施,阻止场外水流人施工场地。(4)临时排水沟和截水沟的纵向坡度、横断面、边坡坡度和出水口应符合下列要求:纵向坡度应根据地形确定,一般不应小于3‰,平坦地区不应小于2%o,沼泽地区可减至1‰;横断面应根据当地气象资料,按照施工期间最大流量确定。边坡坡度应根据土质和沟的深度确定.一般为1:07~l:l5,岩石边坡可适当放陡;出水口应设置在远离建筑物或构筑物的低洼地点,并应保证排水畅通。排水暗沟的出水口处应防止冻结。(5)临时排水沟内水的流速不宜大于后表的要求。必要时,在下列地段或部位应对沟底和边坡采取。临时加固措施:土质松软地段;流速较快,可能遭受冲刷地段;跌水处;地面水汇集流人沟内的部位;出水口处。(6)在地形、地质条件复杂(如山坡陡峻、地下有溶洞、边坡上有滞水层或坡脚处地下水位较高等),有可能发生滑坡、坍塌的地段挖方时,应根据设计单位确定的方案进行排水。2.降低地下水位的安全要求(1)开挖低于地下水位的基坑(槽)、管沟和其他挖方时,应根据施工区域内的工程地质、水文地质资料、开挖范围和深度,以及防坍防陷防流砂的要求,分别选用集水坑降水、井点降水或两者结合降水等措施降低地下水位,施工期间应保证地下水位经常低于开挖底面1.5m以上。(2)基坑顶四周地面应设置截水沟。坑壁(边坡)处如有阴沟或局部渗漏水时,应设法堵截或引出坡外,防止边坡受冲刷而坍塌。审核人×××交底人×××接受交底人×××本表由施工单位填写并保存(一式三份。接受交底人一份、交底人一份、安全员一份)。安全技术交底记录编号工程名称×××工程施工单位×××建筑工程公司交底提要排水和降低地下水位安全交底交底日期×年×月×日交底内容:临时排水沟内水的允许流速表项次土的类别和加固方法允许流遵(m/s)12345678一、土的类别淤泥细砂、中砂、轻亚粘土粗砂,亚粘土、粘土软砾岩、泥灰岩、页岩石灰岩、中实的和密实的砂岩二、加固方法干砌卵石或块石浆砌卵石或块石素混凝土0.350.5-0.61-1.545-72-33-44注:表内允许流速为水深lm的流速。水深为0.4m时,应乘以系数O.7;水深为2m时,应乘以系数l.04。(3)采用集水坑降水时,应符合下列要求:1)根据现场地质条件,应能保持开挖边坡的稳定;2)集水坑和集水沟一般应设在基础范围以外,防止地基土结构遭受破坏,大型基坑可在中间加设小支沟与边沟连通;3)集水坑应比集水沟、基坑底面深一些,以利于集排水;4)集水坑深度以便于水泵抽水为宜,坑壁可用竹筐、钢筋网外加碎石过滤层等方法加以围护,防止堵塞抽水泵;5)排泄从集水坑抽出的泥水时,应符合环境保护要求;6)边坡坡面上如有局部渗出地下水时,应在渗水处设置过滤层,防止土粒流失,并应设置排水沟,将水引出坡面;7)土层中如有局部流砂现象,应采取防止措施。(4)采用井点降水时,应根据含水层土的类别及其渗透系数、要求降水深度、工程特点、施工设备条件和施工期限等因素进行技术经济比较,选择适当的井点装置。注:当含水层的渗透系数小于5m/昼夜,且不是碎石粪土时,宜选用轻型井点和喷射井点(如渗透系数小于0lm/昼夜时,宜增加电渗装置).当含水层渗透系数20m/昼夜时,官选用管井井点装置;当古水屡渗透系数为5~20m/昼夜时...

1、当您付费下载文档后,您只拥有了使用权限,并不意味着购买了版权,文档只能用于自身使用,不得用于其他商业用途(如 [转卖]进行直接盈利或[编辑后售卖]进行间接盈利)。
2、本站所有内容均由合作方或网友上传,本站不对文档的完整性、权威性及其观点立场正确性做任何保证或承诺!文档内容仅供研究参考,付费前请自行鉴别。
3、如文档内容存在违规,或者侵犯商业秘密、侵犯著作权等,请点击“违规举报”。

碎片内容

降排水及基坑支护技术交底

您可能关注的文档

确认删除?
VIP
微信客服
  • 扫码咨询
会员Q群
  • 会员专属群点击这里加入QQ群
客服邮箱
回到顶部