电脑桌面
添加小米粒文库到电脑桌面
安装后可以在桌面快捷访问

人防门技术交底VIP专享VIP免费

人防门技术交底_第1页
1/4
人防门技术交底_第2页
2/4
人防门技术交底_第3页
3/4
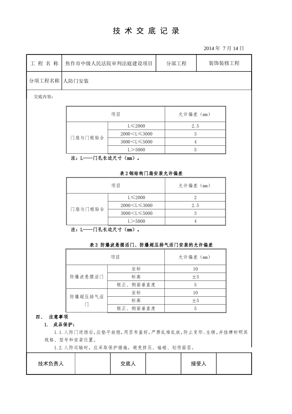
技术交底记录2014年7月14日工程名称焦作市中级人民法院审判法庭建设项目分部工程装饰装修工程分项工程名称人防门安装交底内容:一、施工准备1.材料准备:各规格人防门框门扇、人防门预埋件、E50焊条、防锈漆、油漆等。2.机具准备电焊机、焊把线、面罩、绝缘手套、卷尺、吊垂、倒链葫芦、倒链支架、扳手等。3.作业条件3.1.人防门框已经到场,其型号、规格符合设计要求,且检查合格。3.2.墙体钢筋绑扎完毕,并经项目部、监理验收合格。3.3.画出标高控制线,并验收合格。二、施工工艺1.工艺流程:吊运人防门框→人防门框安装、固定→墙体砼浇筑→预埋吊环并浇筑顶板→安装门扇→补刷防锈漆、刷面漆→安装配件、附件2.吊运门框到安装点:使用现场的塔式起重机将待安装的各规格型号人防门框吊送到图纸上指定的安装地点。3.人防门框安装、固定:4.1.用倒链将门框提起到位,卡入门孔。4.2.卡入后,检查其标高、垂直度是否符合要求,不符合则使用工具进行调整。4.3.调整精准后,将钢门框、铰页锚板等门框墙内所有预埋件与主筋焊牢。若门孔两侧都有人防门框,还需将两侧的人防门框四周埋入墙体的部位每隔600mm设置一个与门框垂直的钢筋头,两门框通过焊接在钢筋头上连在一起,起到加固和控制间距的目的。4.4.将人防门框上拉钩锚到墙体内,与主筋拉结。4.5.当墙厚小于或等于400mm时,门洞四角应各配置2B16斜向钢筋,当墙厚大于400mm时,应各配置3B16斜向钢筋,长度1200mm。4.6.由于人防门框安装固定之后才能进行门框墙的支模板和浇筑,且人防门框重量较大,为防止门框墙钢筋发生偏移,在门框安装之后应在门框上焊接钢管斜撑到地面。4.7.门框固定完毕后,用黄油将与门扇连接的螺栓孔堵严,然后用木工胶带将口封好,以防浇筑墙体砼过程中砼堵塞螺栓孔。4.墙体砼浇筑:浇筑墙体混凝土过程中要求专人随时注意观察门框是否位移、变形,发现问题应及时通知项目技术人员处理解决。5.预埋吊环并浇筑顶板:技术负责人交底人接受人技术交底记录2014年7月14日工程名称焦作市中级人民法院审判法庭建设项目分部工程装饰装修工程分项工程名称人防门安装交底内容:预埋吊环的加工、安装详见本工程《人防门安装吊环预埋技术交底》。6.安装门扇:6.1.混凝土强度达到100%后方可安装门扇。6.2.清除门框螺孔上木工胶带和黄油。6.3.人防门扇上部顶板预埋有吊环,使用倒链葫芦将人防门扇提起到位,用配套的螺栓等配件将门扇与门框连接;铰页内涂抹黄油。7.补刷防锈漆、刷面漆:6.1.焊接点和其他防锈层被划伤的位置,应补刷防锈漆。6.2.防锈处理后,应按设计要求的油漆颜色、品种满刷面漆。8.安装配件、附件:面漆干透后,安装密封条、启门器及机械、自动装置,并进行调试。三、质量标准1.主控项目:1.1.防护门、防护密闭门、密闭门的安装:1)门扇上下铰页受力均匀,门扇与门框贴合严密,门扇关闭后密封条压缩量均匀,严密不透气。2)门扇启闭比较灵活,门锁活动比较灵敏,门扇外表面标有闭锁开关方向。3)门扇能自由开到终止位置。4)门扇零部件齐全,无锈蚀,无损坏。5)密封条接头应采用45°坡口搭接,每扇门的密封条接头不得超过2处。密封条应固定牢靠,压缩均匀;局部压缩量允许偏差不应超过设计压缩量的20%。1.2.防爆波悬摆活门的安装:1)底座与胶板粘贴应牢固、平整、其剥离强度不小应于0.5MPa。2)悬板关闭后底座胶垫贴合应严密。3)悬板应启闭灵活,能自动开启到限位座。4)闭锁定位机构应灵活可靠。2.一般项目:2.1.人防门表面涂饰油漆的种类、颜色、涂刷遍数应符合设计要求。2.2.门扇表面应平整、简洁、无返锈、无划痕、无碰伤。3.允许的偏差:表1钢筋混凝土门扇安装允许偏差技术负责人交底人接受人技术交底记录2014年7月14日工程名称焦作市中级人民法院审判法庭建设项目分部工程装饰装修工程分项工程名称人防门安装交底内容:项目允许偏差(mm)门扇与门框贴合L≤20002.52000<L≤300033000<L≤50004L>50005注:L----门孔长边尺寸(mm)。表2钢结构门扇安装允许偏差项目允许偏差(mm)门扇与门框贴合L≤200022000<L≤30002.53000<L≤50003L>50004注:L----门孔长边尺寸(mm)。表3防爆波悬摆活门、防爆超压...

1、当您付费下载文档后,您只拥有了使用权限,并不意味着购买了版权,文档只能用于自身使用,不得用于其他商业用途(如 [转卖]进行直接盈利或[编辑后售卖]进行间接盈利)。
2、本站所有内容均由合作方或网友上传,本站不对文档的完整性、权威性及其观点立场正确性做任何保证或承诺!文档内容仅供研究参考,付费前请自行鉴别。
3、如文档内容存在违规,或者侵犯商业秘密、侵犯著作权等,请点击“违规举报”。

碎片内容

人防门技术交底

确认删除?
VIP
微信客服
  • 扫码咨询
会员Q群
  • 会员专属群点击这里加入QQ群
客服邮箱
回到顶部