电脑桌面
添加小米粒文库到电脑桌面
安装后可以在桌面快捷访问

螺旋千斤顶设计大作业VIP免费

螺旋千斤顶设计大作业_第1页
1/3
螺旋千斤顶设计大作业_第2页
2/3
螺旋千斤顶设计大作业_第3页
3/3
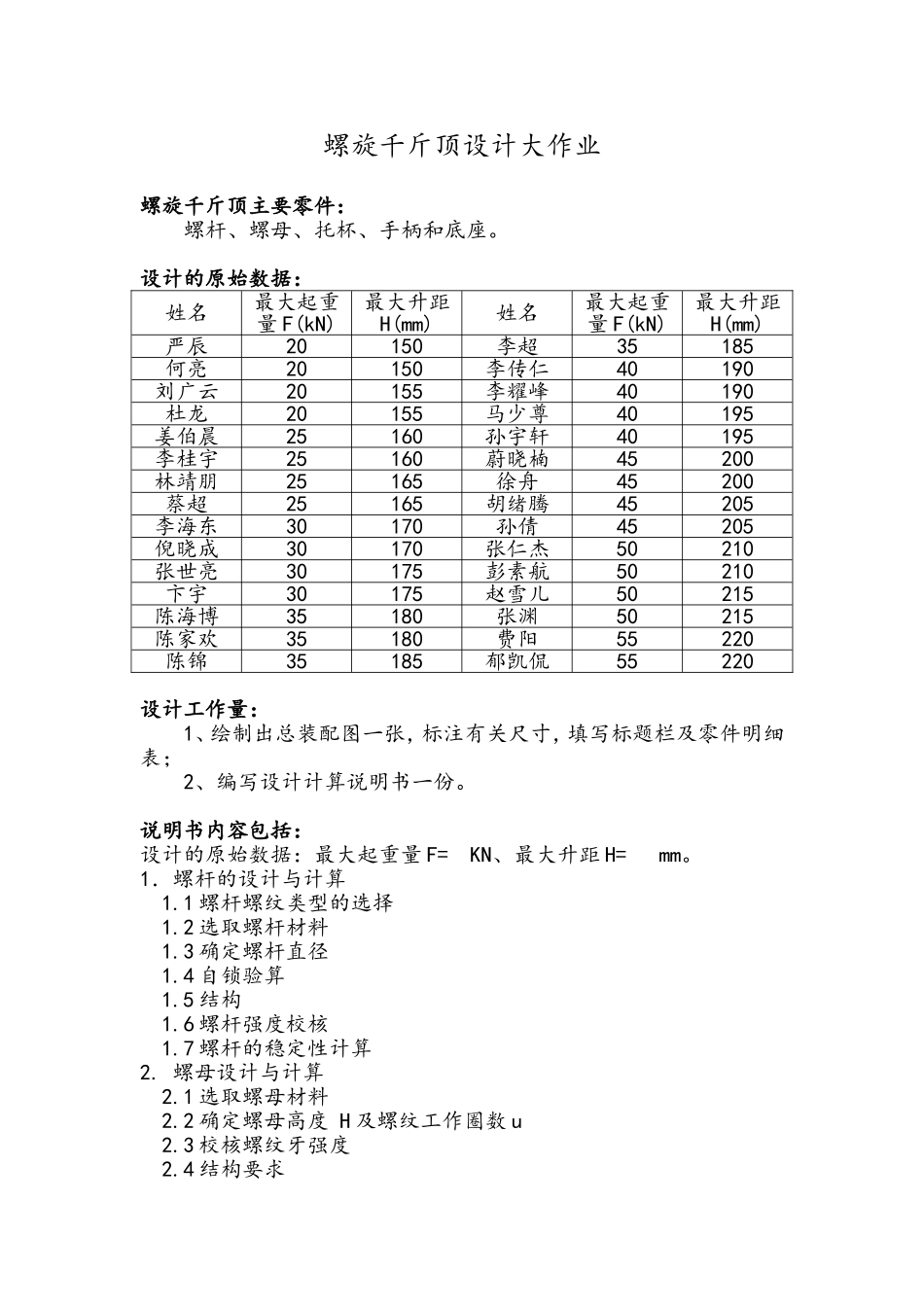
螺旋千斤顶设计大作业螺旋千斤顶主要零件:螺杆、螺母、托杯、手柄和底座。设计的原始数据:姓名最大起重量F(kN)最大升距H(mm)姓名最大起重量F(kN)最大升距H(mm)严辰20150李超35185何亮20150李传仁40190刘广云20155李耀峰40190杜龙20155马少尊40195姜伯晨25160孙宇轩40195李桂宇25160蔚晓楠45200林靖朋25165徐舟45200蔡超25165胡绪腾45205李海东30170孙倩45205倪晓成30170张仁杰50210张世亮30175彭素航50210卞宇30175赵雪儿50215陈海博35180张渊50215陈家欢35180费阳55220陈锦35185郁凯侃55220设计工作量:1、绘制出总装配图一张,标注有关尺寸,填写标题栏及零件明细表;2、编写设计计算说明书一份。说明书内容包括:设计的原始数据:最大起重量F=KN、最大升距H=mm。1.螺杆的设计与计算1.1螺杆螺纹类型的选择1.2选取螺杆材料1.3确定螺杆直径1.4自锁验算1.5结构1.6螺杆强度校核1.7螺杆的稳定性计算2.螺母设计与计算2.1选取螺母材料2.2确定螺母高度H及螺纹工作圈数u2.3校核螺纹牙强度2.4结构要求3.托杯的设计与计算4.手柄设计与计算4.1手柄材料4.2手柄长度4.3手柄直径4.4结构5.底座设计相关说明:螺纹有矩形、梯形与锯齿形,千斤顶常用的是梯形螺纹。梯形螺纹牙型为等腰梯形,牙形角α=30º,梯形螺纹的内外螺纹以锥面贴紧不易松动;它的基本牙形按GB/T5796.1—2005的规定。千斤顶的自锁行能要好,所以用单线螺纹。螺杆材料常用Q235、Q275、40、45、55等。螺母材料一般可选用青铜,对于尺寸较大的螺母可采用钢或铸铁制造,其内孔浇注青铜或巴氏合金。托杯用来承托重物,可用铸钢铸成,也可用Q235钢模锻制成。手柄常用Q235和Q215。底座材料常用铸铁(HT150及HT200),铸件的壁厚δ不应小于8~12mm,为了增加底座的稳定性,底部尺寸应大些,因此将其外形制成1:10的斜度。螺旋千斤顶设计计算说明书学院:机械工程学院专业:机械工程及自动化(卓越计划)姓名:学号:学期:2014-2015-1

1、当您付费下载文档后,您只拥有了使用权限,并不意味着购买了版权,文档只能用于自身使用,不得用于其他商业用途(如 [转卖]进行直接盈利或[编辑后售卖]进行间接盈利)。
2、本站所有内容均由合作方或网友上传,本站不对文档的完整性、权威性及其观点立场正确性做任何保证或承诺!文档内容仅供研究参考,付费前请自行鉴别。
3、如文档内容存在违规,或者侵犯商业秘密、侵犯著作权等,请点击“违规举报”。

碎片内容

螺旋千斤顶设计大作业

墨香书阁+ 关注
实名认证
内容提供者

热爱教学事业,对互联网知识分享很感兴趣

确认删除?
VIP
微信客服
  • 扫码咨询
会员Q群
  • 会员专属群点击这里加入QQ群
客服邮箱
回到顶部