电脑桌面
添加小米粒文库到电脑桌面
安装后可以在桌面快捷访问

启闭机安装质量验收评定表VIP免费

启闭机安装质量验收评定表_第1页
1/6
启闭机安装质量验收评定表_第2页
2/6
启闭机安装质量验收评定表_第3页
3/6
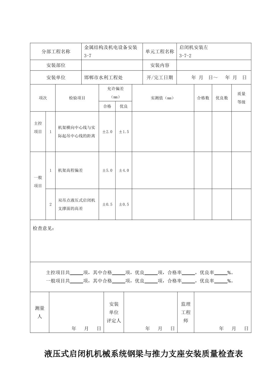
CB18单元工程施工质量报验单(邯郸水工处[2013]质报号)合同名称:邯郸市滏阳河城区段通航一期应急工程(河道部分)龙湖公园进口航道防洪工程合同编号:HDFYHTH—SG03致:邯郸市亿润工程咨询有限公司滏阳河通航工程监理部启闭机安装左3-7-2单元工程(及编码)已按合同要求完成施工,经自检合格,报请贵方校验。附:启闭机安装单元工程质量评定表。承包人:邯郸市水利工程处滏阳河通航工程项目部项目经理:日期:年月日监理机构:邯郸市亿润工程咨询有限公司滏阳河通航工程监理部监理工程师:日期:年月日说明:本表一式4份,由承包人填写。监理机构审签后,承包人2份,发包人、监理机构各1份。启闭机安装单元工程安装质量验收评定表单位工程名称邯郸市滏阳河城区段通航一期应急工程龙湖公园进口航道防洪工程3单元工程量分部工程名称金属结构及机电设备安装3-7安装单位邯郸市水利工程处单元工程名称、部位启闭机安装左3-7-2评定日期年月日项次项目主控项目(个)一般项目(个)合格数其中优良数合格数其中优良数1液压式启闭机机械系统机架安装2液压式启闭机机械系统钢梁及推力支座安装试运行效果质量标准安装单位自评意见各项试验和单元工程试运行符合要求,各项报验资料符合规定。检验项目全部合格。检验项目优良率为,其中主控项目优良率为,单元工程安装质量验收评定等级为。安装单位:年月日监理单位意见各项试验和单元工程试运行符合要求,各项报验资料符合规定。检验项目全部合格。检验项目优良率为,其中主控项目优良率为,单元工程安装质量验收评定等级为。监理单位:年月日液压式启闭机机械系统机架安装质量检查表分部工程名称金属结构及机电设备安装3-7单元工程名称启闭机安装左3-7-2安装部位安装内容安装单位邯郸市水利工程处开/完工日期年月日~年月日项次检验项目允许偏差(mm)实测值(mm)合格数优良数质量等级合格优良主控项目1机架横向中心线与实际起吊中心线的距离±2.0±1.5一般项目1机架高程偏差±5.0±4.02双吊点液压式启闭机支撑面的高差±0.5±0.5检查意见:主控项目共项,其中合格项,优良项,合格率,优良率%。一般项目共项,其中合格项,优良项,合格率,优良率%。测量人年月日安装单位评定人年月日监理工程师年月日液压式启闭机机械系统钢梁与推力支座安装质量检查表分部工程名称金属结构及机电设备安装3-7单元工程名称启闭机安装左3-7-2安装部位安装内容安装单位邯郸市水利工程处开/完工日期年月日~年月日项次检验项目允许偏差(mm)实测值(mm)合格数优良数质量等级合格优良主控项目1机架钢梁与推力支座组合面通隙0.050.052推力支座顶面水平偏差(每延长米)0.20.2一般项目1机架钢梁与推力支座的组合面局部间隙0.10.12局部间隙深度1/3组合面宽度1/4组合面宽度3局部间隙累计长度20%周长15%周长检查意见:主控项目共项,其中合格项,优良项,合格率,优良率%。一般项目共项,其中合格项,优良项,合格率,优良率%。测量人年月日安装单位评定人年月日监理工程师年月日液压式启闭机试运行质量检查表单位工程名称邯郸市滏阳河城区段通航一期应急工程龙湖公园进口航道防洪工程3分部工程名称金属结构及机电设备安装3-7单元工程量单元工程名称、部位启闭机安装左试运行日期年月日项次检验项目质量标准检测情况结论1试运行前检查门槽及运行区域障碍物清除干净,闸门及油缸运行不受卡阻2液压系统的滤油芯清洗或更换,试运行前液压系统的污染度等级应不低于NAS9级3环境温度不低于设计工况的最低温度4机架固定焊缝达到要求,地脚螺栓紧固5电器元件和设备调试完毕,符合GB5226.1有关规定6油泵试验油泵溢流阀全部打开,连续空转30min无异常现象7管路充油试转试验的工作压力50%分别连续运转5min,系统无振动、杂音、温升过高等现象。阀件及管路无漏油现象75%100%8排油检查油泵在1.1倍工作压力下排油,无剧烈振动和杂音9手动操作试验闸门升降缓冲装置减速正常、闸门升级灵活、无卡阻10自动操作试验闸门启闭灵活、无卡阻。快速闭门时间符合设计要求11阀门沉降试验活塞油封和管路系统漏油检查将闸门提起,24h内闸门沉降量不大于100mm12警示信号和自动复位功能24h后,闸...

1、当您付费下载文档后,您只拥有了使用权限,并不意味着购买了版权,文档只能用于自身使用,不得用于其他商业用途(如 [转卖]进行直接盈利或[编辑后售卖]进行间接盈利)。
2、本站所有内容均由合作方或网友上传,本站不对文档的完整性、权威性及其观点立场正确性做任何保证或承诺!文档内容仅供研究参考,付费前请自行鉴别。
3、如文档内容存在违规,或者侵犯商业秘密、侵犯著作权等,请点击“违规举报”。

碎片内容

启闭机安装质量验收评定表

墨香书阁+ 关注
实名认证
内容提供者

热爱教学事业,对互联网知识分享很感兴趣

确认删除?
VIP
微信客服
  • 扫码咨询
会员Q群
  • 会员专属群点击这里加入QQ群
客服邮箱
回到顶部