电脑桌面
添加小米粒文库到电脑桌面
安装后可以在桌面快捷访问

全国重点文物保护单位文物保护工程检查指标及解释VIP免费

全国重点文物保护单位文物保护工程检查指标及解释_第1页
1/5
全国重点文物保护单位文物保护工程检查指标及解释_第2页
2/5
全国重点文物保护单位文物保护工程检查指标及解释_第3页
3/5
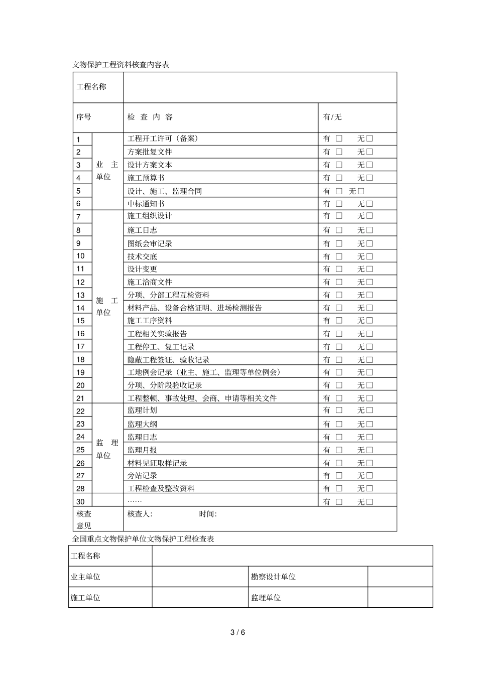
1/6全国重点文物保护单位文物保护工程检查指标及解释内容指标解释分值权重工程程序管理(40分)申报审批(8分)工程立项、方案审批的规范性(6分)是否按程序上报,并通过审批符合要求6分,不符合要求0分审批意见的落实情况(1分)是否按照方案审批要求进行修改完善,是否核准符合要求1分,不符合要求0分方案变更手续的规范性(1分)方案变更是否履行相关手续符合要求1分,不符合要求0分合同(2分)勘察设计、施工、监理合同签订情况(2分)是否签订合同,合同签订过程是否符合相关规定(如进行了招投标工作,应说明招投标过程是否符合相关规定)合规2分,不合规0分工程组织管理(25分)工程开工许可(备案)(1分)工程是否办理开工许可(备案)手续办理1分,未办理0分技术服务(2分)图纸会审、设计交底、技术洽商、设计变更等是否规范、及时,衔接到位合格2分,基本合格1分,不合格0分施工组织设计的科学性(4分)是否按照要求及时编制施工组织设计,符合工程特点,具有针对性和可操作性;施工组织设计是否实行动态管理,是否及时根据工程进展情况调整;是否严格执行施工组织设计要求合格2-4分,基本合格1分,不合格0分人员到岗情况(4分)业主、施工、监理相关人员是否到位、是否认真履职到场并履职4分,不到场或不认真履职0分文物防护措施(2分)施工期间文物防护措施的落实情况和效果;文物构件及附属文物的保存防护措施是否到位合格2分,不合格0分安全教育及措施(3分)施工期间文物及安全教育的落实情况和效果;是否制定了安全制度,是否开展日常安全巡查,监管是否到位;安全用火用电是否规范、是否存在隐患合格1-3分,不合格0分施工现场管理(5分)施工现场管理措施是否到位;施工现场材料堆放、制度标牌设置等现场管理及文明施工情况是否符合要求合格4-5分,基本合格1-3分不合格0分监理工作(4分)是否编制了监理大纲,监理大纲是否科学、全面,符合工程实际需要;对重点部位、关键工序是否执行旁站监理;是否对材料、构件及见证取样等进行审查;是否参与阶段性验收、分部分项质合格3-4分,基本合格1-2分,不合格0分2/6量签认;阶段性验收情况(5分)阶段性验收情况(5分)是否组织了阶段性验收;勘察设计、监理、业主单位是否出具验收意见;验收结论是否合格符合要求5分,基本符合要求1-4分,不符合要求0分工程效果和质量(45分)工程效果(18分)按批准的方案施工情况(5分)是否按批准的方案施工符合要求1-5分,不符合要求0分文物保护原则遵守情况(3分)是否符合不改变文物原状和最小干预的保护原则符合要求1-3分,不符合要求0分外部观感效果(1分)外部观感如何效果好1分,效果不好0分传统工艺、做法(4分)传统工艺做法是否得到了良好的执行符合要求3-4分,基本符合要求1-2分,不符合要求0分新技术、新材料(1分)前期试验情况,实际效果如何符合要求1分,不符合要求0分方案实施效果的科学性评价(4分)方案实施后能否达到预期效果,保护措施的有效性和科学性如何效果较好,措施有效3-4分,有一定效果1-2分,效果不好,措施无效0分工程质量(27分)施工技术、工艺、做法符合质量要求的情况(7分)参照材料、设备、构件的质量保证文件、材料与工艺的相关试验、分部、分项工程质量验收记录、隐蔽工程验收记录、工程监理相关记录予以评价。符合要求6-7分,基本符合要求1-5分,不符合要求0分施工材料、构件的试验、检测情况(7分)符合要求6-7分,基本符合要求1-5分,不符合要求0分工程各分部分项及重点工序的实体质量评定情况(7分)符合要求6-7分,基本符合要求1-5分,不符合要求0分隐蔽工程质量情况(6分)符合要求4-6分,基本符合要求1-3分,不符合要求0分工程资料(15分)业主单位(5分)资料与工程同步情况(5分)根据施工现场资料核查情况进行评价。符合要求4-5分,基本符合要求1-3分不符合要求0分施工单位(5分)资料内容全面情况(5分)符合要求4-5分,基本符合要求1-3分不符合要求0分监理单位(5分)资料手续完整情况(5分)符合要求4-5分,基本符合要求1-3分不符合要求0分3/6文物保护工程资料核查内容表工程名称序号检查内容有/无1业主单位工程开工许可(备...

1、当您付费下载文档后,您只拥有了使用权限,并不意味着购买了版权,文档只能用于自身使用,不得用于其他商业用途(如 [转卖]进行直接盈利或[编辑后售卖]进行间接盈利)。
2、本站所有内容均由合作方或网友上传,本站不对文档的完整性、权威性及其观点立场正确性做任何保证或承诺!文档内容仅供研究参考,付费前请自行鉴别。
3、如文档内容存在违规,或者侵犯商业秘密、侵犯著作权等,请点击“违规举报”。

碎片内容

全国重点文物保护单位文物保护工程检查指标及解释

确认删除?
VIP
微信客服
  • 扫码咨询
会员Q群
  • 会员专属群点击这里加入QQ群
客服邮箱
回到顶部