电脑桌面
添加小米粒文库到电脑桌面
安装后可以在桌面快捷访问

(完整版)小型机存储系统巡检报告VIP免费

(完整版)小型机存储系统巡检报告_第1页
1/11
(完整版)小型机存储系统巡检报告_第2页
2/11
(完整版)小型机存储系统巡检报告_第3页
3/11
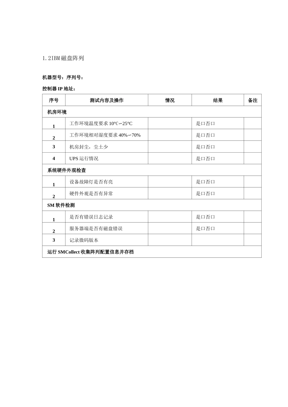
第一章小型机存储系统巡检报告1小型机存储设备检查内容(局域网部分)1.1IBM小型机机器型号:序列号:主机名:IP地址:序号测试内容及操作情况结果备注机房环境1工作环境温度要求10°C〜25°C是口否口2工作环境相对湿度要求40%〜70%是口否口3机房封尘,尘土少是口否口4UPS运行情况是口否口系统硬件外观检查1设备故障灯是否有亮是口否口2硬件外观是否有异常是口否口硬件错误报告(ErrorLog)1AIX是否有硬件故障记录errpt-H是口否口2mail是否有硬件错误是口否口3bootlog/consolelog是否正常是口否口4ASMIlog是否正常是口否口N/AD5HMCEventLog是否正常是口否口N/AD6磁带机是否需要清洗是口否口N/AD硬件配置检查1CPU是否有deconfigration是口否口2内存是否有deconfigration是口否口3CPUGUARD设置是否正确是口否口硬件诊断(不建议在线运行DIAG程序)1系统板、CPU、内存是否正常是口否口2IO板、扩展卡是否正常是口否口3磁盘、磁盘阵列是否正常是口否口4磁带机、磁带库是否正常是口否口AIX操作系统及HACMP检查1系统错误报告是否有软件错误errpt是口否口2mail中是否有软件错误是口否口3是否有使用率大于85%的文件系统是口否口4JFSlog设置是否正确是口否口5是否有StaleLV是口否口6内存交换区使用率是否超过70%是口否口7系统备份是否符合要求最近一次备份时间:是口否口8rootvg是否有数据保护是口否口9HACMPClusterVerufication是否正常是口否口10HACMP相关参数是否正确是口否口11HACMP接管测试是否正常是口否口不做口12操作系统版本及补丁情况13硬件微码版本运行snap-r;snap-gfkbLc并且收回系统信息文件存档1.2IBM磁盘阵列机器型号:序列号:控制器IP地址:序号测试内容及操作情况结果备注机房环境1工作环境温度要求10°C〜25°C是口否口2工作环境相对湿度要求40%〜70%是口否口3机房封尘,尘土少是口否口4UPS运行情况是口否口系统硬件外观检查1设备故障灯是否有亮是口否口2硬件外观是否有异常是口否口SM软件检测1是否有错误日志记录是口否口2服务器端是否有磁盘错误是口否口3记录微码版本运行SMCollect收集阵列配置信息并存档1.3IBMTSM巡检记录检查TSM内部设备检查1检查通路QueryPath是否全部Online是口否口2检查驱动器QueryDrive是否全部available是口否口检查结果输出:TSM日志检查1查询ACTLog是否有异常Qactbegind=-60search=fail是口否口2查看磁带状态qvolaccess=unavailqvolaccess=readonly是否存在异常是口否口检查结果输出:检查DB、LOG状态Qdbf=dQdbvolf=dAvailableSpace(MB)AssignedCapacity(MB)DBvolumename使用率是否需要liu扩充Qlogf=dQlogvolf=dAvailableSpace(MB)AssignedCapacity(MB)Logvolumename使用率是否需要扩充检查结果输出:检查应用程序备份日志如果是TDPforExchange应用则应该收集:tdpexc.log如果是TSMAPI客户端应用则应该收集:dsierror.log如果是TDPforOralce,则应该收集:tdpoerror.log如果是针对DB2备份,则应该收集:db2diag.log,db2alert.log,userexit.log如果是TDPforSQL,则应该收集:tdpsql.log运行dsmadmc批处理收集TSM服务器配置收集macro.out文件dsmadmc-id=admin-password=admin-outfile=macro.out-NOConfirmmacroquery.macquery.mac:qsystemQNODEF=DQSCHEDULEF=Dqschetype=adminf=dQLIBVF=Dqdrivef=dqpathf=dQactbegind=-60search=failqvolaccess=unavailqvolaccess=readonly收集dsmserv.optdevconfigvolhistory文件收集各个应用程序备份log序号测试内容及操作情况结果备注机房环境1工作环境温度要求10°C〜25°C是口否口2工作环境相对湿度要求40%〜70%是口否口3机房封尘,尘土少是口否口4UPS运行情况是口否口系统硬件外观检查1设备故障灯是否有亮是口否口2硬件外观是否有异常是口否口SM软件检测1是否有错误日志记录是口否口2服务器端是否有磁盘错误是口否口3记录微码版本

1、当您付费下载文档后,您只拥有了使用权限,并不意味着购买了版权,文档只能用于自身使用,不得用于其他商业用途(如 [转卖]进行直接盈利或[编辑后售卖]进行间接盈利)。
2、本站所有内容均由合作方或网友上传,本站不对文档的完整性、权威性及其观点立场正确性做任何保证或承诺!文档内容仅供研究参考,付费前请自行鉴别。
3、如文档内容存在违规,或者侵犯商业秘密、侵犯著作权等,请点击“违规举报”。

碎片内容

(完整版)小型机存储系统巡检报告

确认删除?
VIP
微信客服
  • 扫码咨询
会员Q群
  • 会员专属群点击这里加入QQ群
客服邮箱
回到顶部