电脑桌面
添加小米粒文库到电脑桌面
安装后可以在桌面快捷访问

共模电感资料模板VIP免费

共模电感资料模板_第1页
1/12
共模电感资料模板_第2页
2/12
共模电感资料模板_第3页
3/12
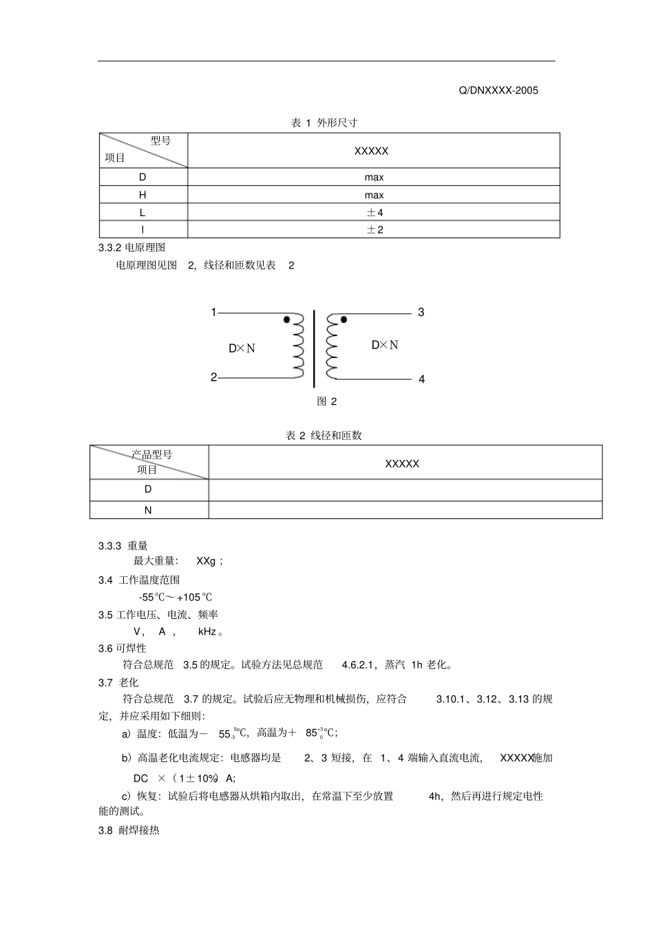
Q/DNXXXX-2005前言本规范是总规范GJB1435-92《开关电源变压器总规范》的相关详细规范。本规范的附录A是资料性附录。本规范由北京德恩电子有限公司起草本规范主要起草人:本规范审核人:质量:工艺:本规范标准化人:本规范批准人:Q/DNXXXX-2005XXXXX型共模电感器详细规范1范围1.1主题内容本规范规定了XXXXX型共模电感器(以下简称“共模电感器”)的详细要求、质量保证规定和试验方法。1.2适用范围本规范适用于XXXXX型共模电感器的生产和试验。1.3分类1.3.1型号规格本规范规定的共模电感器型号规格为XXXXX型。1.3.2类别由于本规范所参照及引用的GJB1435-92是开关电源变压器的总规范,按照总规范应规定变压器的类别,XXXXX型是共模电感器,因此未在本规范中规定类别,凡是涉及到与类别有关的试验,均按GJB1435-92中有关8类的规定执行。2引用文件下列文件的有关条款通过引用而构成为本规范的条款。凡注日期或版次的引用文件,其后的任何修改单(不包括勘误的内容)或修订版本都不适用于本规范,但提倡使用本规范的各方面探讨使用其最新版本的可能性,凡不注日期或版次的引用文件,其最新版本适用于本规范。GJB360A—96电子及电气元件试验方法GJB1435—92开关电源变压器总规范GJB4027-2000军用电子元器件破坏性物理分析方法3要求3.1总则共模电感器应符合本规范和GJB1435-92总规范的规定。本规范的要求与总规范不一致时,应以本规范为准。3.2材料制造共模电感器的磁芯应符合“XXXX”的有关规定,其它材料要求见附录A(补充件)。3.3设计和结构3.3.1外形尺寸结构共模电感器的外形构见图1,引出线端的引出方向及结构应与图1相一致,外形尺寸应符合表1规定,单位为毫米。图1Q/DNXXXX-2005表1外形尺寸型号项目XXXXXDmaxHmaxL±4l±23.3.2电原理图电原理图见图2,线径和匝数见表2D×N12D×N34图2表2线径和匝数产品型号项目XXXXXDN3.3.3重量最大重量:XXg;3.4工作温度范围-55℃~+105℃3.5工作电压、电流、频率V,A,kHz。3.6可焊性符合总规范3.5的规定。试验方法见总规范4.6.2.1,蒸汽1h老化。3.7老化符合总规范3.7的规定。试验后应无物理和机械损伤,应符合3.10.1、3.12、3.13的规定,并应采用如下细则:a)温度:低温为-550-3℃,高温为+85+30℃;b)高温老化电流规定:电感器均是2、3短接,在1、4端输入直流电流,XXXXX施加DC×(1±10%)A;c)恢复:试验后将电感器从烘箱内取出,在常温下至少放置4h,然后再进行规定电性能的测试。3.8耐焊接热Q/DNXXXX-2005符合总规范3.8的规定。试验方法见总规范4.6.5.1。3.9引出端强度符合总规范3.9的规定。只做拉力试验,并按GJB360A-96方法211,试验条件A进行,施加拉力10N。3.10介质耐电压符合总规范3.11的规定。试验方法按总规范4.6.8。其中试验电压按3.10.1、3.10.2、3.10.3进行。3.10.1大气压下绕组间,施加电压AC50Hz、1500Vrms施加时间为60s,漏电流均不大于0.5mA,无飞弧、闪络、绝缘击穿及其它损伤。3.10.2低气压下按GJB360A-96方法105,试验条件E,绕组间,施加电压AC50Hz、1500Vrmss,施加时间为60s,漏电流不大于0.5mA,无飞弧、闪络、绝缘击穿及其它损伤。3.10.3降低介质耐电压绕组间,施加电压AC50Hz、1125Vrms,施加时间60s,漏电流不大于0.5mA,无飞弧、闪络、绝缘击穿及其它损伤。3.11绕组连续性在进行本规范规定的所有试验后,每一绕组应无断路和绕组内部短路发生。试验方法同测电阻的方法。3.12绝缘电阻符合总规范3.14规定。试验方法见总规范4.6.11。绕组间,施加DC500V,绝缘电阻Ri不小于1000MΩ。3.13电气性能若无另行规定,以下共模电感器电性能参数在标准大气条件下,环境温度20±5℃下测试。试验方法见总规范4.6.12。3.13.1电感3.13.1.1测试条件f=1kHz,V=0.3Vrms(施加在绕组上的电压)V=0.3Vrms(施加在绕组上的电压),串联方式测试。3.13.1.2在f=1kHz,V=0.3Vrms(施加在绕组上的电压)测试条件下的要求见表3。表3产品型号项目XXXXXL1-2(mH)×(1±30%)L3-4(mH)×(1±30%)2-14-3L-L(mH)max3.13.2直流电阻见表4表4产品型号项目XXXXXR1-2×(1±20%)mΩR3-4×(1±20%)mΩQ/DNXXXX-20053.13.3极性短接2、3,...

1、当您付费下载文档后,您只拥有了使用权限,并不意味着购买了版权,文档只能用于自身使用,不得用于其他商业用途(如 [转卖]进行直接盈利或[编辑后售卖]进行间接盈利)。
2、本站所有内容均由合作方或网友上传,本站不对文档的完整性、权威性及其观点立场正确性做任何保证或承诺!文档内容仅供研究参考,付费前请自行鉴别。
3、如文档内容存在违规,或者侵犯商业秘密、侵犯著作权等,请点击“违规举报”。

碎片内容

共模电感资料模板

确认删除?
VIP
微信客服
  • 扫码咨询
会员Q群
  • 会员专属群点击这里加入QQ群
客服邮箱
回到顶部