电脑桌面
添加小米粒文库到电脑桌面
安装后可以在桌面快捷访问

初三物理电路故障的练习题VIP免费

初三物理电路故障的练习题_第1页
1/5
初三物理电路故障的练习题_第2页
2/5
初三物理电路故障的练习题_第3页
3/5
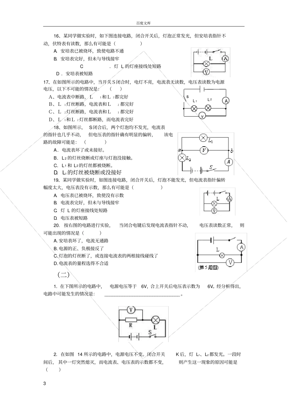
百度文库1电路故障的课堂检测题姓名(一)1、如图1是测定小灯泡两端的电压和通过小灯泡的电流的电路图。如果某同学在操作的过程中对两只电表的量程选择是正确的,但不慎将两电表的位置对调了,则闭合开关S后A、电流表、电压表均损坏;B、电流表损坏,电压表示数为零;()C、电流表有示数,电压表示数为零;D、电流表示数为零,电压表有示数。2、如图2所示,下列说法正确的是()A、电流表的连接是正确的;B、电压表的连接是正确的;C、两表的连接都是错误的;D、电流表将会被烧坏。3、如图3所示,两只电灯L1和L2并联在电路中,当S1和S2都闭合时,电路中可能出现A、电流表被烧坏;B、电压表被烧坏;()C、两只灯会被烧坏;D、两只灯都能发光。4、如图4所示,当开关闭合后两灯均不亮,电流表无示数,电压表示数等于电源电压,则电路发生的故障是()A、电源接线接触不良;B、电流表损坏,断路,其他元件完好;C、灯L1发生灯丝烧断;D、灯L2发生短路,其他元件完好。5、如图5所示为某同学做实验时的错误电路图,当闭合开关后将()A、电压表指针有明显偏转;B、电压表一定烧坏;C、灯泡L的灯丝烧坏;D、电源损坏。6、如图6所示的电路,开关S闭合时,发现L1、L2都不亮,用电压表逐段测量,结果是Uad=6v,Uab=0,Ubc=0,Ucd=6V,则该电路的故障可能是()A、开关S接触不良;B、灯L1断路;C、灯L2短路;D、灯L2的灯丝断了。7、如图7所示的电路,开关S闭合时,发现L1、L2都不亮,用电压表逐段测量,结果是Uad=6v,Uab=6V,Ubc=0,Ucd=0,则该电路的故障可能是()A、开关S接触不良;B、灯L1断路;C、灯L2短路;D、灯L2的灯丝断了。8、如图8所示的电路,开关S闭合时,发现L1、L2都不亮,用电压表逐段测量,结果是百度文库2Uab=0,Ubc=6V,则该电路的故障可能是()A、开关S接触不良;B、灯L1断路;C、灯L2短路;D、灯L2的灯丝断了。9、如图9所示的电路中,若开关S闭合后,灯L1、L2均不亮。某同学用一根导线去查找电路故障,当他用导线连接L1两端时,两灯仍不亮;用导线连接L2两端时,L1亮、L2不亮。由此可以断定()A、灯L1断路;B、灯L2断路;C、灯L1短路;D、灯L2短路。10、在图10所示的电路中,电源电压不变。闭合开关S,电路正常工作,一段时间后,发现其中一个电压表示数变大,则()A、灯L1可能变亮;B、灯L1亮度可能不变;C、灯L2可能断路;D、灯L2可能短路。11、在如图11所示的电路中,当闭合开关S后,发现灯都不亮,电流表的指针几乎指在“0”刻度线不动,电压表指针有明显偏转,该电路中的故障可能是()A、电流表坏了;B、灯泡L1的灯丝断了;C、两个灯泡都断路;D、灯泡L2的灯丝断了。12、在如图12所示的电路中,电源电压不变,闭合开关S后,灯L1、L2都发光。一段时间后,其中一灯突然熄灭,而电流表、电压表的示数都不变,则产生这一现象的原因可能是A、灯L1短路;B、灯L2短路;C、灯L1断路;D、灯L2断路。()13、把电池组、开关、灯泡L1和L2及若干导线组成串联电路,并用电压表测灯L1两端的电压,当开关闭合时发现电压表读数为零,则可能出现的故障是(多选)()A、L1的灯丝断了;B、L2的灯丝断了;C、L1发生了短路;D、L2发生了短路。14、如图13所示,当闭合开关S时,电灯L1和L2都不亮,电流表示数为零,电压表示数为电源的电压,则下列分析中错误的是()A、电流表断路,电灯L1和L2完好;B、L1灯丝断路,电流表和L2完好;C、L2灯丝断路,电流表和L1完好;D、L1、L2灯丝都断路,而电流表完好。15、在图14所示的电路中,a、b、c、d为四个接线柱。闭合开关后灯不亮,已经确定是由于灯泡开路或短路引起。在不允许拆开电路的情况下,请你用一个电压表或一个电流表分别对故障进行判断,把方法和判断结果填入下表中。(每种电表各填一种方法)电表方法(接在何处、开关开闭情况)现象和结论电流表电压表百度文库316、某同学做实验时,如下图连接电路,闭合开关后,灯泡正常发光,但安培表指针不动,伏特表有读数,那么有可能是()A.安培表已被烧坏,致使电路不通B.安培表完好,但未与导线接牢C.灯L的灯座接线处短路D.安培表被短路17、在如图所示的电路中,当开关S闭合时,电灯不亮...

1、当您付费下载文档后,您只拥有了使用权限,并不意味着购买了版权,文档只能用于自身使用,不得用于其他商业用途(如 [转卖]进行直接盈利或[编辑后售卖]进行间接盈利)。
2、本站所有内容均由合作方或网友上传,本站不对文档的完整性、权威性及其观点立场正确性做任何保证或承诺!文档内容仅供研究参考,付费前请自行鉴别。
3、如文档内容存在违规,或者侵犯商业秘密、侵犯著作权等,请点击“违规举报”。

碎片内容

初三物理电路故障的练习题

您可能关注的文档

文库响当当+ 关注
实名认证
内容提供者

该用户很懒,什么也没介绍

确认删除?
VIP
微信客服
  • 扫码咨询
会员Q群
  • 会员专属群点击这里加入QQ群
客服邮箱
回到顶部