电脑桌面
添加小米粒文库到电脑桌面
安装后可以在桌面快捷访问

北京特种作业人员体检表VIP免费

北京特种作业人员体检表_第1页
1/5
北京特种作业人员体检表_第2页
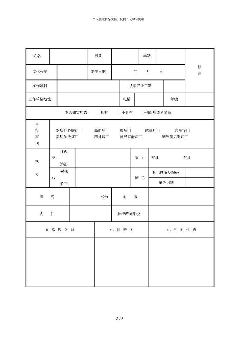
2/5
北京特种作业人员体检表_第3页
3/5
个人整理精品文档,仅供个人学习使用1/5北京市特种作业人员体检表申请特种作业类别本人姓名工作单位北京市安全生产监督管理局个人整理精品文档,仅供个人学习使用2/5姓名性别年龄照片文化程度出生日期年月日操作项目从事专业工龄工作单位地址电话邮编本人如实申告□具有□不具有下列疾病或者情况申报事项器质性心脏病□高血压□癫痫□眩晕症□恐高症□美尼尔氏症□精神病□神经官能症□脑外伤后遗症□视力裸视左矫正听力左耳右耳裸视右矫正辨色彩色图案及编码单色识别身高公分血压内脏神经精神系统血常规化验心肺透视心电图检查个人整理精品文档,仅供个人学习使用3/5体检结论负责医师签字体检单位意见体检单位(盖章)备注化验单及检查报告粘帖处个人整理精品文档,仅供个人学习使用4/5北京市特种作业人员体检标准有下列疾病或生理缺陷者,不得从事特种作业工作:一、器质性心脏病1、风湿性心脏病。2、先天性心脏病(治愈者除外)。3、心肌病。4、心电图明显异常者。二、血压高于160/90毫M汞柱(21。3/12。0千帕斯卡)或低于86/56毫M汞柱(11。5/7。5千帕斯卡)。三、精神病、癫痫、恐高症、美尼尔氏症、眩晕症。四、重症神经官能症及脑外伤后遗症。五、肢体残疾,功能受限者。六、报考场内机动车驾驶类,驾驶大型车辆身高不足160cm的;驾驶小型车辆身高不足150cm的。七、两耳分别距音叉50厘M不能辨别声源方向。八、色盲、色弱。九、报考电工、制冷作业类,两眼裸视力或者矫正视力低于对数视力表4。9。报考焊工作业类,双眼裸视力低于对数视力表4。8或矫正视力低于对数视力表5。0。报考企业内机动车辆驾驶类,两眼裸视力或者矫正视力低于对数视力表5。0。报考高处作业类,双眼裸视力低于对数视力表4。8或者矫正视力低于对数视力表5。0。十、活动性肺结核(包括肺外结核)。十一、反复发作的支气管哮喘。个人整理精品文档,仅供个人学习使用5/5十二、支气管扩张病。

1、当您付费下载文档后,您只拥有了使用权限,并不意味着购买了版权,文档只能用于自身使用,不得用于其他商业用途(如 [转卖]进行直接盈利或[编辑后售卖]进行间接盈利)。
2、本站所有内容均由合作方或网友上传,本站不对文档的完整性、权威性及其观点立场正确性做任何保证或承诺!文档内容仅供研究参考,付费前请自行鉴别。
3、如文档内容存在违规,或者侵犯商业秘密、侵犯著作权等,请点击“违规举报”。

碎片内容

北京特种作业人员体检表

确认删除?
VIP
微信客服
  • 扫码咨询
会员Q群
  • 会员专属群点击这里加入QQ群
客服邮箱
回到顶部