电脑桌面
添加小米粒文库到电脑桌面
安装后可以在桌面快捷访问

建筑工程施工管理档案表格VIP免费

建筑工程施工管理档案表格_第1页
1/10
建筑工程施工管理档案表格_第2页
2/10
建筑工程施工管理档案表格_第3页
3/10
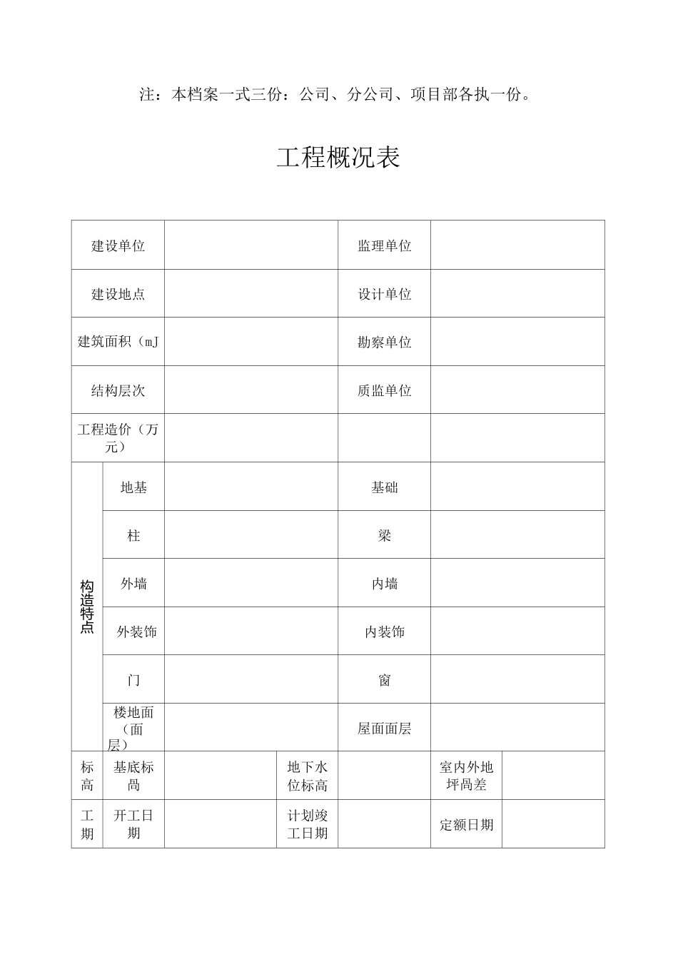
建筑工程施工管理档案工程公司:工程名称:项目经理(签名):技术负责(签名):浙江宝业建设集团有限公司工程施工管理档案目录一、工程概况表二、工程质量目标计划表/核试验等级三、主要材料计划用量表四、检测设备、施工机械、周转材料一览表五、工程开工前审核表六、项目部主要管理人员及特种工(上岗)资格登记表注:本档案一式三份:公司、分公司、项目部各执一份。工程概况表建设单位监理单位建设地点设计单位建筑面积(mJ勘察单位结构层次质监单位工程造价(万元)构造特点地基基础柱梁外墙内墙外装饰内装饰门窗楼地面(面层)屋面面层标高基底标咼地下水位标高室内外地坪咼差工期开工日期计划竣工日期定额日期其他注:市政、交通工程的构造特点根据实际自行调整。工程质量目标计划/核试验等级表分部工程名称目标核验等级备注地基与基础桩基基础主体装饰装修屋面给排水及采暖电气通风与空调电梯智能建筑分部(分项)结论质量控制资料安全和功能检验观感质量综合评价质量竣工验收注:根据浙宝(2003)18号文件,工程资料经工程公司核查且整改完毕后送公司工程部复查,复查合格后公司方可签章(基础验收项目部提前三天,主体、竣工验收提前五天送公司工程部复查)。主要材料计划用量材料名称单位基础主体屋面楼地面装饰采购员合计钢材T自购水泥T自购黄砂T自购石子T自购块石T自购粘土砖万块自购石灰膏T自购杉木M3自购松木M3自购防水材料M2自购镀锌钢管T自购卫生器具只自购排水管M自购电线千米自购电缆M自购无缝钢管T自购其它材料检测设备、施工机械、周转材料一览表检测设备检测设备施工机械、周转材料名称规格数量校正时间校正部门名称规格数量进退场日期备注经纬仪塔吊水准仪井架塔尺施工电梯钢卷尺砼搅拌站游标卡尺砼泵机水平尺搅拌机回弹仪平板震器磅秤振动棒工程检测尺木工圆盘锯砼试模木I平刨机砼抗渗试模卷扬机砼坍落度筒电焊机砂浆试模弯曲机接地电阻测试仪切割机绝缘电阻测试仪打夯机压力表套丝机台钻水泵砂轮机备注:磅秤、欧姆表、接地电阻测试仪等检测设备尚未进场,有关资料待后补报。备注:注:项目部提供检测设备的有效资料存全质办备案。工程开工前登记审核表项目建设单位勘察单位设计单位监理单位质监单位名称负责人联系人电话序号基本内容分公司审阅总公司审阅1招标文件2工程承包合同3内部协议:已/未签4设计文件(施工图)5施工许可证6工程施工管理档案7施工组织设计土建安装安全其它8检测设备检定9项目管理保证押金10工程劳务分包管理分公司审阅意见审阅人(签名):总公司审阅意见审阅人(签名):注:在提交以上1-10点资料齐全后,公司方可签字发开工报告。项目部主要管理人员及特殊工(上岗)资格登记项目姓名技术(上冈)资格证号及有效期备注项目经理项目副经理技术负责人施工员质量员材料员安装负责人施工电梯操作工塔吊工塔吊司机起重工架子工电焊工电工卷扬机工拌合机工气焊工人员变更情况其它注:项目部主要管理人员及特殊(上岗)资格登记并附有效复印件。浙江宝业建设集团有限公司工程资料核查申请表工程名称项目经理核查部位申请人工程公司核查意见与自评等级:(详细资料可附页)年月日工程公司核查意见与自评等级:(详细资料可附页)年月日说明:1、本表一式三份:公司、工程公司、项目部各一份。2、工程资料随本表一同送至公司工程部。如有特殊情况经公司同意可由工程公司核查。3、本表适用于桩基、基础、主体及竣工工程资料的核查申请(基础验收项目部提前三天,主体、竣工验收提前五天送公司工程部)。

1、当您付费下载文档后,您只拥有了使用权限,并不意味着购买了版权,文档只能用于自身使用,不得用于其他商业用途(如 [转卖]进行直接盈利或[编辑后售卖]进行间接盈利)。
2、本站所有内容均由合作方或网友上传,本站不对文档的完整性、权威性及其观点立场正确性做任何保证或承诺!文档内容仅供研究参考,付费前请自行鉴别。
3、如文档内容存在违规,或者侵犯商业秘密、侵犯著作权等,请点击“违规举报”。

碎片内容

建筑工程施工管理档案表格

wxg+ 关注
实名认证
内容提供者

该用户很懒,什么也没介绍

相关文档

确认删除?
VIP
微信客服
  • 扫码咨询
会员Q群
  • 会员专属群点击这里加入QQ群
客服邮箱
回到顶部