电脑桌面
添加小米粒文库到电脑桌面
安装后可以在桌面快捷访问

隔离栅焊接网VIP免费

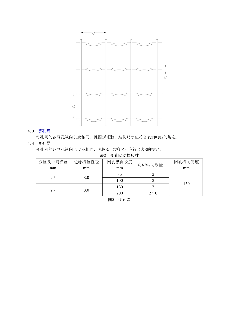
隔离栅焊接网_第1页
1/6
隔离栅焊接网_第2页
2/6
隔离栅焊接网_第3页
3/6
隔离栅焊接网1范围GB/T2013的本部分规定了公路和道路用焊接网产品的产品分类及代号、技术要求、试验方法、检验规则、标志、包装、运输和贮存。本部分适用于公路和道路用焊接网产品。市政、园林、机场、体育场等场所可参照执行。2规范性引用文件下列文件中的条款通过本标准的引用而成为本标准的条款。凡是注日期的引用文件,其随后所有的修改单(不包括勘误的内容)或修订版均不适用于本标准,然而,鼓励根据本标准达成协议的各方研究是否可使用这些文件的最新版本。凡是不注日期的引用文件,其最新版本适用于本标准。GB228金属拉伸试验方法GB6397金属拉伸试验试样YB/T5294一般用途低碳钢丝3产品分类及代号3.1产品分类焊接网依据包装方式的不同,可分为片网和卷网;依据网孔是否变化可分为等孔网和变孔网。3.2产品代号示例:钢丝直径4mm,网孔长150mm的等孔片网代号为:Ww-4.0-150DP。4结构尺寸4.1片网片网的结构尺寸应符合表1的规定,见图1。表1片网结构尺寸代号钢丝直径mm网孔尺寸(纵向长度a×横向宽度b)mm网面长度Lm网面宽度BmWw-3.5-753.575×751.9~3.01.5~2.5Ww-3.5-100100×50Ww-3.5-150150×75Ww-3.5-195195×65Ww-□-□□□片网(P)或卷网(J)等孔网(D)或变孔网(B)网孔纵向长度(变孔网时为最小长度),mm钢丝直径,mm焊接网代号Ww-4.0-1504.0150×75Ww-4.0-195195×65注:(1)钢丝直径为防腐处理前;(2)其他规格片网由供需方参照此表商议协定。图1片网4.2卷网卷网的结构尺寸应符合表2的规定,见图2。表2卷网结构尺寸代号钢丝直径mm网孔尺寸(纵向长度a×横向宽度b)mm网面长度Lm网面宽度BmWw-2.5-502.550×5020~501.5~2.5Ww-2.5-100100×50Ww-2.7-502.750×50Ww-2.7-100100×50Ww-2.7-150150×75注:(1)钢丝直径为防腐处理前;(2)其他规格片网由供需方参照此表商议协定。图2卷网4.3等孔网等孔网的各网孔纵向长度相同,见图1和图2。结构尺寸应符合表1和表2的规定。4.4变孔网变孔网的各网孔纵向长度不相同,见图3。结构尺寸应符合表3的规定。表3变孔网结构尺寸纵丝及中间横丝mm边缘横丝直径mm网孔纵向长度mm对应纵向数量网孔横向宽度mm2.53.075315010032.73.015032002~6图3变孔网5技术要求5.1一般要求按GBxxx.1-xxxx中4.1.1和4.1.2的规定执行。5.2精度要求5.2.1钢丝直径的允许偏差应符合表4的规定。表4钢丝直径允许偏差,mm钢丝直径2.52.73.03.54.0允许偏差±0.04±0.04±0.04±0.05±0.055.2.2网孔尺寸的允许偏差应符合表5的规定。表5网孔尺寸的允许偏差,mm网孔尺寸5075100150195200允许偏差±2±3±4±6±8±85.2.3卷网横丝波高s不小于2mm。5.2.4网面长度、宽度允许偏差为:网面长度、宽度的±0.5%。5.2.5对于片网,焊点脱落数应小于焊点总数的4%;对于卷网,任一面积为15m2的网上焊点脱落数应小于此面积上焊点总数的4%。5.3材料及加工要求5.3.1片网用金属丝,应采用低碳钢丝,其力学性能应符合YB/T5294的规定。5.3.2卷网用横丝应用低碳钢丝,其力学性能应符合YB/T5294的规定;5.3.3卷网用纵丝应用高强度低碳钢丝,其强度应不低于650MPa~850MPa。5.3.4焊点抗拉力应符合表6的规定。表6焊点抗拉力钢丝直径,mm2.52.73.03.54.0焊点抗拉力,N520600750101013205.4防腐层质量按GBxxx.1-xxxx中5.4.2的规定执行。6试验方法6.1试验环境条件按GBxxx.1-xxxx中5.1的规定执行。6.2试剂按GBxxx.1-xxxx中5.2的规定执行。6.3试验仪器和设备按GBxxx.1-xxxx中5.3的规定执行。6.4试验程序及结果6.4.1一般要求按GBxxx.1-xxxx中5.4.1的规定执行。6.4.2结构尺寸结构尺寸的试验方法按表7的规定执行。表7结构尺寸的试验方法序号项目试验方法1钢丝直径用分辨率为0.02的游标卡尺,任意量取3个钢丝直径,计算平均值。2网面长度用分辨率为1mm的钢卷尺,任意量取3个网面长度,计算平均值。3网面宽度用分辨率为1mm的钢卷尺,任意量取3个网面宽度,计算平均值。4网孔纵向长度用分辨率为0.02的游标卡尺,任意量取3个网孔的纵向长度,计算平均值。5网孔横向宽度用分辨率为0.02的游标卡尺,任意量取3个网孔的横向宽度,计算平均值。6.4.3原材料力学性能按GB228的规定执行。6.4.4焊点抗拉力在网上...

1、当您付费下载文档后,您只拥有了使用权限,并不意味着购买了版权,文档只能用于自身使用,不得用于其他商业用途(如 [转卖]进行直接盈利或[编辑后售卖]进行间接盈利)。
2、本站所有内容均由合作方或网友上传,本站不对文档的完整性、权威性及其观点立场正确性做任何保证或承诺!文档内容仅供研究参考,付费前请自行鉴别。
3、如文档内容存在违规,或者侵犯商业秘密、侵犯著作权等,请点击“违规举报”。

碎片内容

隔离栅焊接网

您可能关注的文档

确认删除?
VIP
微信客服
  • 扫码咨询
会员Q群
  • 会员专属群点击这里加入QQ群
客服邮箱
回到顶部