电脑桌面
添加小米粒文库到电脑桌面
安装后可以在桌面快捷访问

熟料和水泥粉磨生产工艺流程及污染源分布及物料平衡表VIP免费

熟料和水泥粉磨生产工艺流程及污染源分布及物料平衡表_第1页
1/5
熟料和水泥粉磨生产工艺流程及污染源分布及物料平衡表_第2页
2/5
熟料和水泥粉磨生产工艺流程及污染源分布及物料平衡表_第3页
3/5
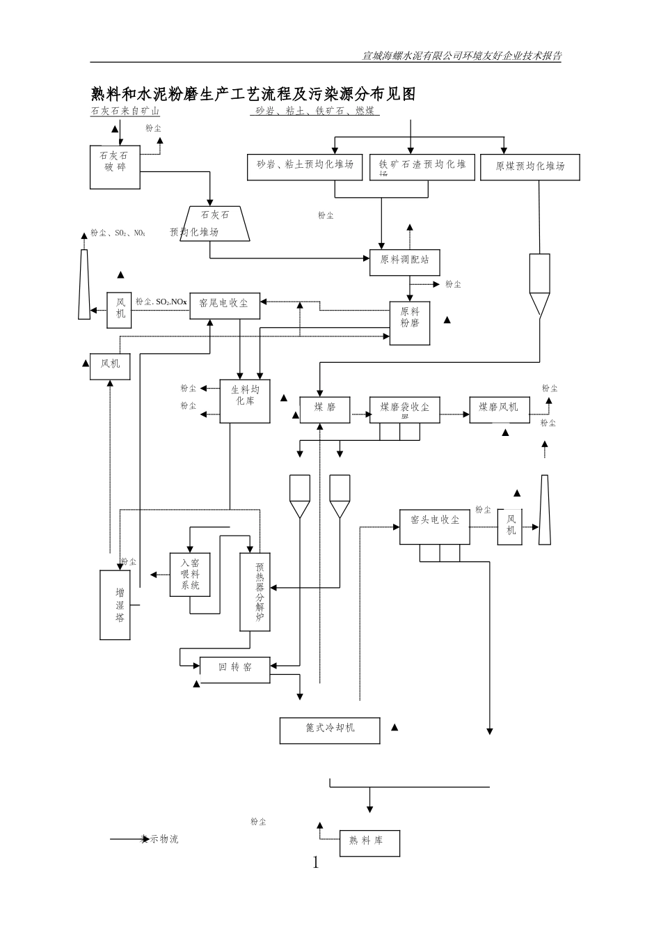
宣城海螺水泥有限公司环境友好企业技术报告熟料和水泥粉磨生产工艺流程及污染源分布见图石灰石来自矿山砂岩、粘土、铁矿石、燃煤粉尘石灰石粉尘粉尘、SO2、NOX预均化堆场粉尘粉尘.SO2.NOx粉尘粉尘粉尘粉尘粉尘粉尘粉尘表示物流粉尘1石灰石破碎砂岩、粘土预均化堆场原煤预均化堆场原料调配站原料粉磨窑尾电收尘生料均化库煤磨煤磨袋收尘器窑头电收尘篦式冷却机入窑喂料系统预热器分解炉回转窑增湿塔风机熟料库煤磨风机铁矿石渣预均化堆场风机风机▲▲▲▲▲▲▲▲▲▲宣城海螺水泥有限公司环境友好企业技术报告表示气流▲噪声点粉尘表示物流粉尘表示气流▲噪声点(10)物料平衡我公司物料平衡计算见表2-3。2熟料生产工艺流程及污染源分布示意图石膏破碎粉尘熟料水泥配料粉尘水泥粉磨机斗式提升机选粉机包装机水泥库汽车散装站粉尘粉尘粗粉返回水泥粉磨工艺流程及污染源分布示意图▲▲宣城海螺水泥有限公司环境友好企业技术报告表2-3物料平衡表物料名称配比%水分%消耗定量kg/t熟料物料平衡(带1%生产损失)干基(t)湿基(t)干基湿基每小时每天每年每小时每天每年石灰石86.642.001313.601340.4492.6011822.43664951502.6512063.73739746窑运转率:310天粘土4.9315.0074.7587.9428.03672.720854432.98791.4245345理论料耗:1.50kg生料/kg熟料铁矿石2.2612.0034.2738.9412.85308.49560014.60350.4108636煤的热值kJ/kg:22540砂岩6.175.0093.5598.4735.08841.926099636.93886.2274733烧成热耗:3011kJ/kg熟料生料1516.16568.5613645.54230091熟料375.009000.02790000水泥配比:3宣城海螺水泥有限公司环境友好企业技术报告外销熟料221.535316.71648182水泥A水泥B石膏3.009.87237.07346110.18244.3757325.00%5.00%石灰石2.0016.29391.012121216.62399.01236855.00%18.00%粉煤灰1.0010.37248.87713510.48251.3779147.00%混合材2.005.92142.2440776.05145.14497612.00%水泥A145.163483.91080000普通硅酸盐水泥(P.O42.5)水泥B48.381161.3360000复合硅酸盐水泥(P.O32.5)水泥总量193.554645.21440000烧成用煤10.00134.93149.9350.601214.437646656.221349.34182964宣城海螺水泥有限公司环境友好企业技术报告5

1、当您付费下载文档后,您只拥有了使用权限,并不意味着购买了版权,文档只能用于自身使用,不得用于其他商业用途(如 [转卖]进行直接盈利或[编辑后售卖]进行间接盈利)。
2、本站所有内容均由合作方或网友上传,本站不对文档的完整性、权威性及其观点立场正确性做任何保证或承诺!文档内容仅供研究参考,付费前请自行鉴别。
3、如文档内容存在违规,或者侵犯商业秘密、侵犯著作权等,请点击“违规举报”。

碎片内容

熟料和水泥粉磨生产工艺流程及污染源分布及物料平衡表

确认删除?
VIP
微信客服
  • 扫码咨询
会员Q群
  • 会员专属群点击这里加入QQ群
客服邮箱
回到顶部